电脑桌面
添加小米粒文库到电脑桌面
安装后可以在桌面快捷访问

施工现场安全检查表()VIP免费

施工现场安全检查表()_第1页
1/2
施工现场安全检查表()_第2页
2/2
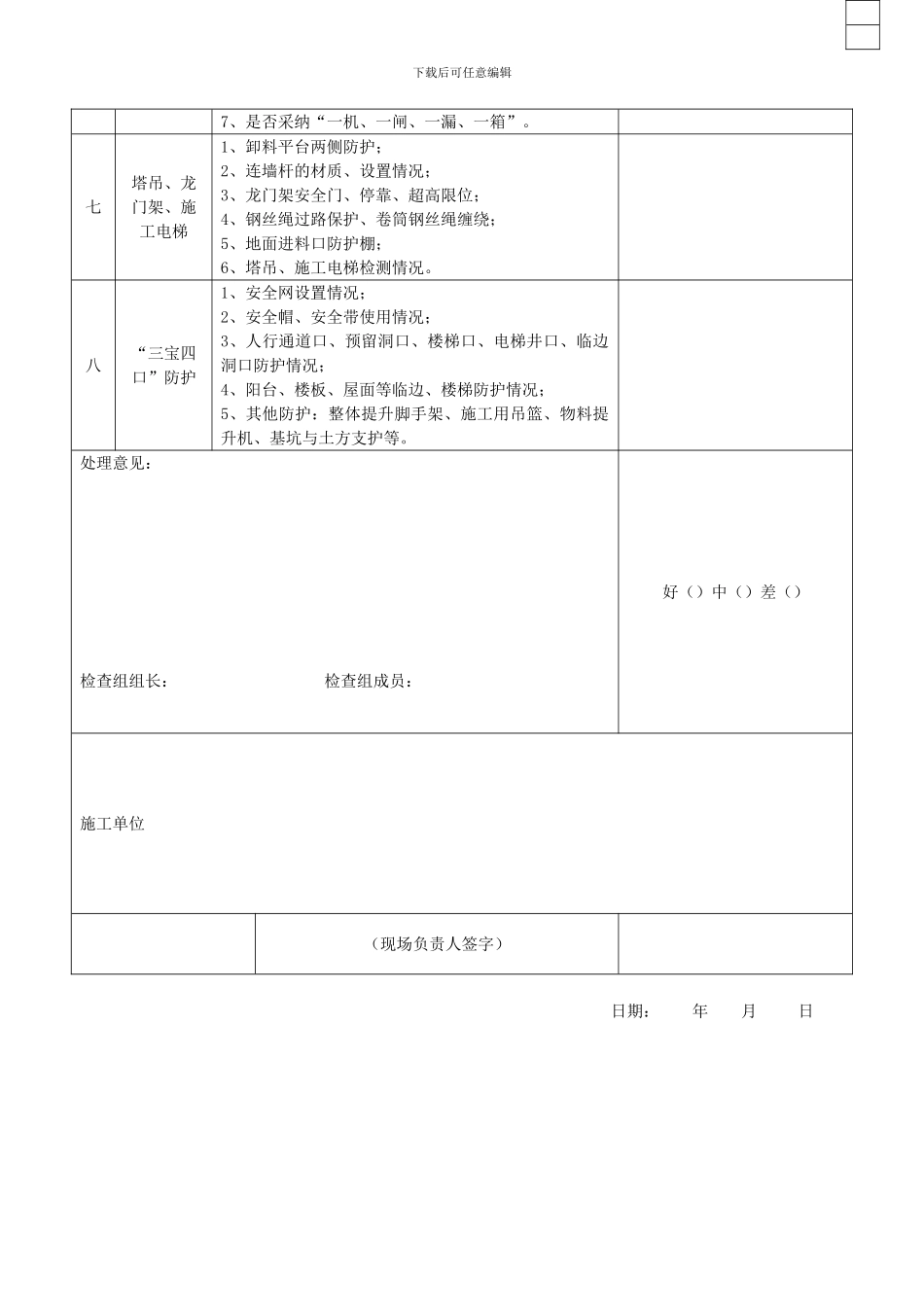
下载后可任意编辑施工现场安全检查表编号:工程名称工程地址建设单位项目负责人 施工单位检查项目主要检查内容检查结果一施工企业项目安全资料1、安全生产责任制的制定与落实;2、安全专项施工方案、冬季安全措施和事故报告及应急救援制度的制定与落实;3、危险性较大专项方案专家申查论证情况;4、岗前安全教育记录和技术交底;5、日常安全检查记录;6、专职安全管理人员、现场特种作业人员证书;7、定期安全会议记录;8、脚手架、临时用电设备验收记录;9、现场塔吊、龙门架、施工电梯备案、安装(拆卸)告知、使用登记手续。二现场文明施工情况1、 施工现场四周封闭情况;2、进出口大门和“五牌一图”;3、施工现场材料堆放情况;4、是否存在在建工程住人现象;5、配备的安全警示标志情况。6、食堂、厕所、饮水、浴室、生活垃圾处理、办公区以及临时围墙的搭设情况。三深基坑1、基坑临边防护和坑壁支护、排水措施;2、积土、料具堆放、机械设备与槽边距离;3、基坑支护变形监测记录;4、上下通道与作业环境。四模板支护1、模板使用材料;2、模板工程安装操作是否符合要求;3、模板工程拆除操作是否符合要求。五脚手搭设1、脚手架材质;2、脚手架杆件的接头情况;3、连墙件的设置;4、剪刀撑、扫地杆的设置;5、作业层设置脚手板情况;六临时用电1、是否采纳“三相五线制”;2、是否采纳“三级配电、二级保护”;3、配电线路是否存在乱拉乱接现象;4、配电箱材质;5、电箱门、锁、防雨措施;6、箱体的漏电保护器;下载后可任意编辑7、是否采纳“一机、一闸、一漏、一箱”。七塔吊、龙门架、施工电梯1、卸料平台两侧防护;2、连墙杆的材质、设置情况;3、龙门架安全门、停靠、超高限位;4、钢丝绳过路保护、卷筒钢丝绳缠绕;5、地面进料口防护棚;6、塔吊、施工电梯检测情况。八“三宝四口”防护1、安全网设置情况;2、安全帽、安全带使用情况;3、人行通道口、预留洞口、楼梯口、电梯井口、临边洞口防护情况;4、阳台、楼板、屋面等临边、楼梯防护情况;5、其他防护:整体提升脚手架、施工用吊篮、物料提升机、基坑与土方支护等。处理意见:检查组组长: 检查组成员: 好()中()差()施工单位(现场负责人签字) 日期: 年 月 日

1、当您付费下载文档后,您只拥有了使用权限,并不意味着购买了版权,文档只能用于自身使用,不得用于其他商业用途(如 [转卖]进行直接盈利或[编辑后售卖]进行间接盈利)。
2、本站所有内容均由合作方或网友上传,本站不对文档的完整性、权威性及其观点立场正确性做任何保证或承诺!文档内容仅供研究参考,付费前请自行鉴别。
3、如文档内容存在违规,或者侵犯商业秘密、侵犯著作权等,请点击“违规举报”。

碎片内容

施工现场安全检查表()

元素商铺+ 关注
实名认证
内容提供者

欢迎挑选合适的文档

确认删除?
VIP
微信客服
  • 扫码咨询
会员Q群
  • 会员专属群点击这里加入QQ群
客服邮箱
回到顶部