电脑桌面
添加小米粒文库到电脑桌面
安装后可以在桌面快捷访问

施工现场安全检查表[1]VIP免费

施工现场安全检查表[1]_第1页
1/2
施工现场安全检查表[1]_第2页
2/2
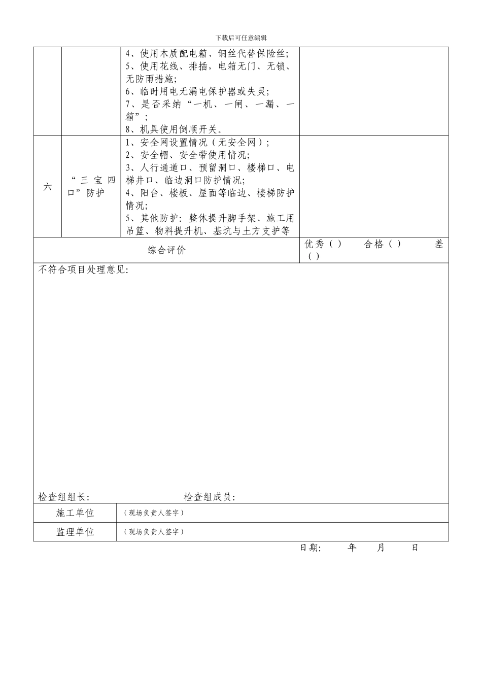
下载后可任意编辑施工现场安全检查表编号:受检项目名称:氯化聚乙烯原料(氯气)使用装置改造项目项目规模40m ×3³台液氯储存罐以及配套设施建设单位淄博济维泽化工有限公司项目负责人王述斌监理单位上海宏大工程建设咨询监理有限公司项目总监王涛施工单位山东兴润工程建设有限公司项目经理、安全员张忠运序号检查项目主要检查内容检查结果一施工企业项目安全资料1、建筑工程施工许可证和工伤保险;2、安全生产责任制的落实;3、安全施工组织设计和专项施工方案;4、岗前安全教育记录和技术交底;5、日常安全检查记录,有记录、有整改、有销案;6、专职安全管理人员、现场特种作业人员证书;7、定期安全会议记录;8、脚手架、临时用电、起重机械设备验收记录;二监理企业项目安全资料1、监理规划和实施细则是否包括安全监理内容;2、配备专职安全监理人员;3、安全施工组织设计和专项施工方案的签批;4、日常安全检查记录,有记录、有整改、有销案;5、高危作业(如脚手架搭设,临时用电、起重机械设备安拆等)的旁站记录;6、定期安全会议记录。三现场文明施工情况1、 施工现场四周应封闭;2、进出口大门有大门头,并设置“五牌一图”;3、施工现场材料堆放有序;4、是否存在施工场地住人现象;5、配备相应数量的安全警示标志。 四脚手架搭设1、脚手架材质;2、脚手架搭设高度;3、连墙点的设置;4、剪刀撑、扫地杆的设置;5、作业层未设置脚手板;五临时用电1、是否采纳“三相五线制”;2、是否采纳“三级配电、二级保护”;3、配电线路是否存在乱拉乱接现象;下载后可任意编辑4、使用木质配电箱、铜丝代替保险丝;5、使用花线、排插,电箱无门、无锁、无防雨措施;6、临时用电无漏电保护器或失灵;7、是否采纳“一机、一闸、一漏、一箱”;8、机具使用倒顺开关。六“ 三 宝 四口”防护1、安全网设置情况(无安全网);2、安全帽、安全带使用情况;3、人行通道口、预留洞口、楼梯口、电梯井口、临边洞口防护情况;4、阳台、楼板、屋面等临边、楼梯防护情况;5、其他防护:整体提升脚手架、施工用吊篮、物料提升机、基坑与土方支护等综合评价优秀() 合格() 差()不符合项目处理意见:检查组组长: 检查组成员: 施工单位(现场负责人签字)监理单位(现场负责人签字)日期: 年 月 日

1、当您付费下载文档后,您只拥有了使用权限,并不意味着购买了版权,文档只能用于自身使用,不得用于其他商业用途(如 [转卖]进行直接盈利或[编辑后售卖]进行间接盈利)。
2、本站所有内容均由合作方或网友上传,本站不对文档的完整性、权威性及其观点立场正确性做任何保证或承诺!文档内容仅供研究参考,付费前请自行鉴别。
3、如文档内容存在违规,或者侵犯商业秘密、侵犯著作权等,请点击“违规举报”。

碎片内容

施工现场安全检查表[1]

雏圣文化+ 关注
实名认证
内容提供者

欢迎光临,大量办公文档供您挑选。

确认删除?
VIP
微信客服
  • 扫码咨询
会员Q群
  • 会员专属群点击这里加入QQ群
客服邮箱
回到顶部