电脑桌面
添加小米粒文库到电脑桌面
安装后可以在桌面快捷访问

施工进度计划VIP免费

施工进度计划_第1页
1/45
施工进度计划_第2页
2/45
施工进度计划_第3页
3/45
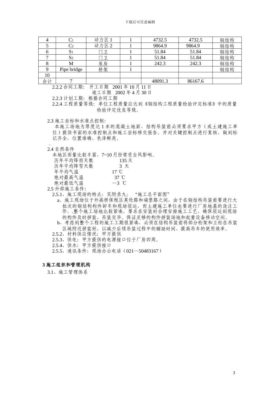
下载后可任意编辑 目 录0、编制说明…………………………………………………………………………..21、编制依据…………………………………………………………………………..22、工程综述…………………………………………………………………………..23、施工组织和管理机构……………………………………………………………..34、施工总体部署和施工方案………………………………………………………..55、施工总体进度计划及保证措施………………………………………………..166、质量管理…………………………………………………………………………207、安全管理…………………………………………………………………………318、文明施工………………………………………………………………………..339、降低成本措施…………………………………………………………………..3410、附录………………………………………………………………………………………….35附录 1:施工进度计划表附录 2:P 区施工工艺说明附录 3:C 区施工工艺说明附录 4:A 区施工工艺说明附录 5:钢承板施工工艺说明附录 6:安装质量检验计划表附录 7:施工总平面图 附录 8:施工现场临时设施布置图附录 9:临时供电布置图 附录 10:消防平面布置图0.编制说明0.1 编制目的:(1)组织和指导工程施工 (2)改善和提高工程管理水平1下载后可任意编辑 (3)提高工程质量和取得经济效益0.2 相关说明:本工程施工组织设计根据 HAVENS 公司提供的部分施工图编写,相关内容将在正式施工图纸颁发后进行相应的调整。具体操作按正式施工图纸的要求执行。由于这次施施工场地处上海外高桥保税区内,业主为国际知名的 IBM 公司,总包商和设计单位皆为建筑施工领域的知名公司。我们要以一流的施工质量和一流的施工队伍素养展现 XX人的形象。拓展 XXXX 公司的进展空间。1.编制依据:1.1 工程承包合同:合同编号:IBM#3130签订日期:2001.9.291.2 施工图纸:IBM(上海)微科厂房施工图纸接收时间:2001.8.15(目前只收到部分正式图纸)1.3 施工法律规范和验收标准:a、《钢结构工程施工及验收法律规范》GB50205-95b、《钢结构工程质量检验评定标准》GB50221-95c、《焊接标准》AWS D1.1-98d、Havens 提供的相关法律规范。E、起重操作及检验(APS)。1.4 本公司企业标准:a、《质量保证手册(C 版)》QG/AZ-ZBSC-1998b、《质量程序文件(C 版)》QG/AZ-ZLCX-19...

1、当您付费下载文档后,您只拥有了使用权限,并不意味着购买了版权,文档只能用于自身使用,不得用于其他商业用途(如 [转卖]进行直接盈利或[编辑后售卖]进行间接盈利)。
2、本站所有内容均由合作方或网友上传,本站不对文档的完整性、权威性及其观点立场正确性做任何保证或承诺!文档内容仅供研究参考,付费前请自行鉴别。
3、如文档内容存在违规,或者侵犯商业秘密、侵犯著作权等,请点击“违规举报”。

碎片内容

施工进度计划

您可能关注的文档

确认删除?
VIP
微信客服
  • 扫码咨询
会员Q群
  • 会员专属群点击这里加入QQ群
客服邮箱
回到顶部