电脑桌面
添加小米粒文库到电脑桌面
安装后可以在桌面快捷访问

旋挖桩专项施工方案VIP免费

旋挖桩专项施工方案_第1页
1/27
旋挖桩专项施工方案_第2页
2/27
旋挖桩专项施工方案_第3页
3/27
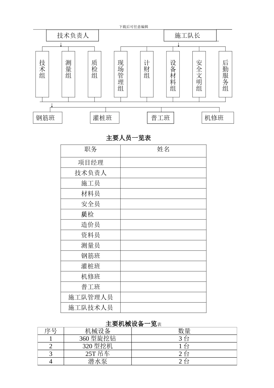
下载后可任意编辑目 录一、编制依据二、工程概况三、 施工部署四、工期安排五、施工方案及主要技术措施六、旋挖桩施工应急预案七、工程质量保证措施八、施工工期保证措施九、安全生产保证措施十、现场标化管理、文明施工和环境保护措施第 一 章 编 制 依 据1.本工程涉及的施工技术、安全、文明、质量验收方面标准和交通部颁发的法律规范、规程及法规文件等;2.施工现场踏勘获得的资料;3.我公司现有的综合施工能力及历年来承担相类似工程的施工经验。第 二 章 工 程 概 况1.1 工程项目位置及其基本特征下载后可任意编辑主要施工项目为:渔湾码头休闲广场场地硬质铺装、码头亲水台阶(渔湾高架桥下立面美化),局部恢复和增设步道、人行道改造;护坡处理(消落带);市政设施(栏杆、架空箱涵、趸船锚桩)整治;修复或新增公共环境设施(景观小品、标识标牌、环卫设施等);局部电力、电信管沟、给排水系统(雨、污水管网)疏治;结构挡土墙、土石方工程(平场土石方挖填);文化设施(节点文化装饰);灯饰景观(景观照明及灯饰);高架桥美化装饰(桥墩处理、桥身侧面及局部顶面处理)等。本标段共设计有 103 根 φ2.8m 旋挖钻孔桩,桩长 24~30 米,要求桩底置于完整中风化岩层上,嵌入该岩层内深度≥3D 或 H/4,桩底岩石天然单轴抗压强度≥7.0MPa。1.2 地质概况1.3 工程数量一览表工程数量一览表项目名称根数总长(m)钢筋总重(T)混凝土(m3)Φ2.8m 旋挖钻孔桩10327762469.117085.51.4 施工条件工程位于重庆市渝中区大溪沟,交通便利,可由嘉滨路直接进入施工现场,施工用水、用电均已搭接完成,施工便道已修筑完成。第 三 章 施 工 部 署一、总体布置根据地质报告、工期要求、场地施工条件,计划安排 3 台旋挖机,并配备电焊机、气焊设备及附属运输,排水、清障、夜间照明等设备。项目班子由公司选择具有丰富经验、有责任心的人员组成,钻机及相关配套设备到位,确保本工程顺利实施。二、项目班子组织和管理1、项目班子组织本工程工期紧,任务重,公司选派精干人员组建工程项目部,在人、财、物上优先满足本工程的需要,根据施工场地需要随时调配充足的人力和物力资源,使项目班子高效、有序的开展全面工作,让工程从开工至完工始终处于受控状态下运行。2、管理机构如下:项目经理↓↓↓下载后可任意编辑技术负责人施工队长↓↓技术组测量组质检组现场管理组计财组设备材料组安全文明组后勤服务组↓钢筋班灌...

1、当您付费下载文档后,您只拥有了使用权限,并不意味着购买了版权,文档只能用于自身使用,不得用于其他商业用途(如 [转卖]进行直接盈利或[编辑后售卖]进行间接盈利)。
2、本站所有内容均由合作方或网友上传,本站不对文档的完整性、权威性及其观点立场正确性做任何保证或承诺!文档内容仅供研究参考,付费前请自行鉴别。
3、如文档内容存在违规,或者侵犯商业秘密、侵犯著作权等,请点击“违规举报”。

碎片内容

旋挖桩专项施工方案

确认删除?
VIP
微信客服
  • 扫码咨询
会员Q群
  • 会员专属群点击这里加入QQ群
客服邮箱
回到顶部