电脑桌面
添加小米粒文库到电脑桌面
安装后可以在桌面快捷访问

最新安全生产许可证施工企业安全生产评价标准-JGJ--T77-2024[表格]VIP专享VIP免费

最新安全生产许可证施工企业安全生产评价标准-JGJ--T77-2024[表格]_第1页
1/8
最新安全生产许可证施工企业安全生产评价标准-JGJ--T77-2024[表格]_第2页
2/8
最新安全生产许可证施工企业安全生产评价标准-JGJ--T77-2024[表格]_第3页
3/8
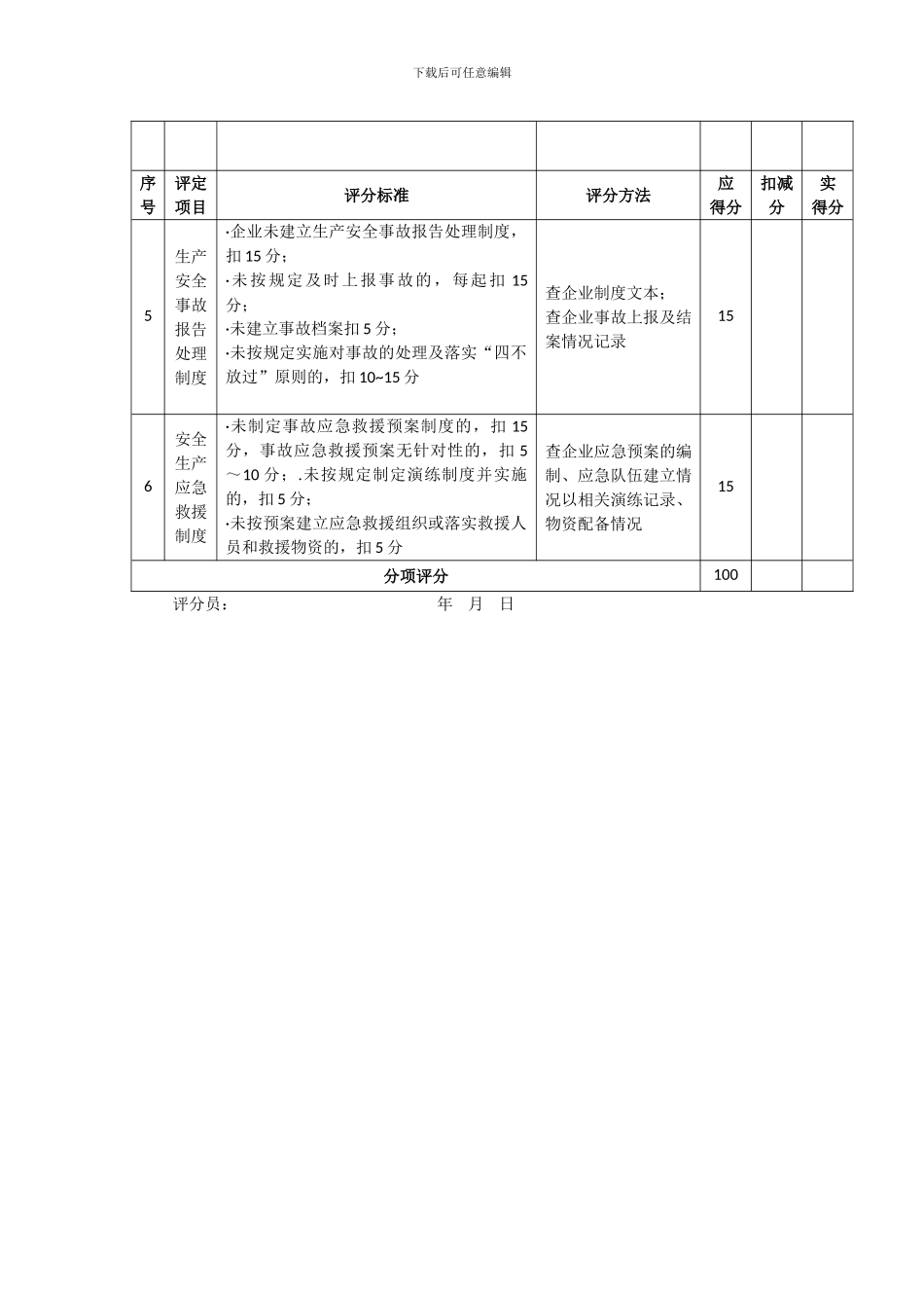
下载后可任意编辑表 A-1 安全生产管理评分表序号评定项目评分标准评分方法应得分扣减分实得分1安全生产责任制度·企业未建立安全生产责任制度,扣 20分,各部门、各级(岗位)安全生产责任制度不健全,扣 10~15 分;·企业未建立安全生产责任制考核制度,扣10 分,各部门、各级对各自安全生产责任制未执行,每起扣 2 分;·企业未按考核制度组织检查并考核的,扣10 分,考核不全面扣 5~10 分;·企业未建立、完善安全生产管理目标,扣10 分,未对管理目标实施考核的,扣 5~10 分;·企业未建立安全生产考核、奖惩制度扣 10分,未实施考核和奖惩的,扣 5~10 分查企业有关制度文本;抽查企业各部门、所属单位有关责任人对安全生产责任制的知晓情况,查确认记录,查企业考核记录。查企业文件,查企业对下属单位各级管理目标设置及考核情况记录;查企业安全生产奖惩制度文本和考核、奖惩记录202安全文明资金保障制度·企业未建立安全生产、文明施工资金保障制度扣 20 分;·制度无针对性和具体措施的,扣 10~15分;·未按规定对安全生产、文明施工措施费的落实情况进行考核,扣 10~15 分查企业制度文本、财务资金预算及使用记录203安全教育培训制度·企业未按规定建立安全培训教育制度,扣15 分;·制度未明确企业主要负责人,项目经理,安全专职人员及其他管理人员,特种作业人员,待岗、转岗、换岗职工,新进单位从业人员安全培训教育要求的,扣 5~10分;·企业未编制年度安全培训教育计划,扣5~10 分,企业未按年度计划实施的,扣 5~10 分查企业制度文本、企业培训计划文本和教育的实施记录、企业年度培训教育记录和管理人员的相关证书154安全检查及隐患排查制度·企业未建立安全检查及隐患排查制度,扣15 分,制度不全面、不完善的,扣 5~10分;·未按规定组织检查的,扣 15 分,检查不全面、不及时的扣 5~10 分;·对检查出的隐患未实行定人、定时、定措施进行整改的,每起扣 3 分,无整改复查记录的,每起扣 3 分;·对多发或重大隐患未排查或未实行有效治理措施的,扣 3~15 分查企业制度文本、企业检查记录、企业对隐患整改消项、处置情况记录、隐患排查统计表15下载后可任意编辑序号评定项目评分标准评分方法应得分扣减分实得分5生产安全事故报告处理制度·企业未建立生产安全事故报告处理制度,扣 15 分;·未按规定及时上报事故的,每起扣 15分;·未建立事故档案扣 5 分;·未按规定实...

1、当您付费下载文档后,您只拥有了使用权限,并不意味着购买了版权,文档只能用于自身使用,不得用于其他商业用途(如 [转卖]进行直接盈利或[编辑后售卖]进行间接盈利)。
2、本站所有内容均由合作方或网友上传,本站不对文档的完整性、权威性及其观点立场正确性做任何保证或承诺!文档内容仅供研究参考,付费前请自行鉴别。
3、如文档内容存在违规,或者侵犯商业秘密、侵犯著作权等,请点击“违规举报”。

碎片内容

最新安全生产许可证施工企业安全生产评价标准-JGJ--T77-2024[表格]

不二商店+ 关注
实名认证
内容提供者

我是你的不二选择

确认删除?
VIP
微信客服
  • 扫码咨询
会员Q群
  • 会员专属群点击这里加入QQ群
客服邮箱
回到顶部