电脑桌面
添加小米粒文库到电脑桌面
安装后可以在桌面快捷访问

样表-水利工程施工质量三检表-例岩石洞室开挖VIP免费

样表-水利工程施工质量三检表-例岩石洞室开挖_第1页
1/3
样表-水利工程施工质量三检表-例岩石洞室开挖_第2页
2/3
样表-水利工程施工质量三检表-例岩石洞室开挖_第3页
3/3
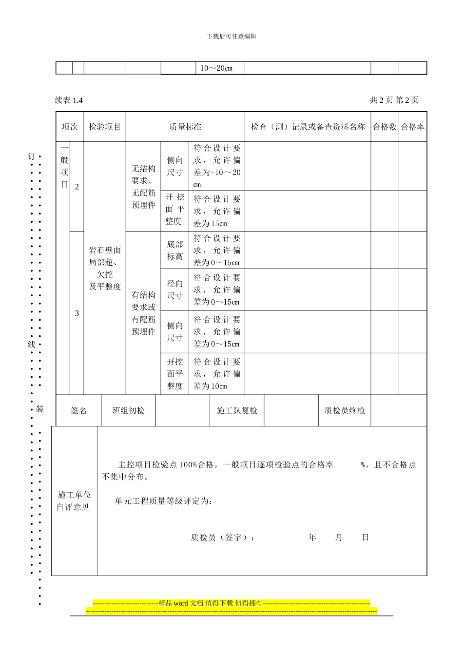
下载后可任意编辑 水利水电工程岩石洞室开挖单元工程施工质量检验记录表单位工程名称单元工程量分部工程名称施工单位单元工程名称、部位施工日期年 月 日~ 年 月 日项次检验项目质量标准检查(测)记录或备查资料名称合格数 合格率主控项目1光面爆破和预裂爆破效果残留炮孔痕迹分布均匀,预裂爆破后的裂缝连续贯穿。相邻两孔间的岩面平整,孔壁无明显的爆破裂隙,两茬炮之间的台阶或预裂爆破孔的最大外斜值不宜大于 10cm。炮孔痕迹保 存 率 : 完 整 岩 石 在 90% 以上,较完整和完整性差的岩石不小于 60%,较破裂和破裂岩石不宜小于 20%2洞、井轴线符合设计要求,允许偏差为-5~5cm3不良地质处理符合设计要求4爆破控制爆破未损害岩体的完整性,开挖面无明显爆破裂隙,声波降低率小于 10%,或满足设计要求一般项目1洞室壁面清撬洞室壁面上无残留的松动岩块和可能塌落危石碎块,岩石面洁净,无岩石碎片、尘埃、爆破泥粉等2岩石壁面局部超、欠挖及平整度无 结构要求、无配筋预埋件底部标高符 合 设 计要 求 , 允许偏差为-10~20㎝径向尺寸符 合 设 计要 求 , 允许偏差为-----------------------------精品 word 文档 值得下载 值得拥有---------------------------------------------------------------------------------------------------------------------------------------------------------------------------·····························装······················订······················线····························表 1.4共 2 页 第 1 页下载后可任意编辑10~20㎝项次检验项目质量标准检查(测)记录或备查资料名称合格数 合格率一般项目2岩石壁面局部超、欠挖及平整度无结构要求、无配筋预埋件侧向尺寸符 合 设 计 要求 , 允 许 偏差为-10~20㎝开 挖面 平整度符 合 设 计 要求 , 允 许 偏差为 15㎝3有结构要求或有配筋预埋件底部标高符 合 设 计 要求 , 允 许 偏差为 0~15㎝径向尺寸符 合 设 计 要求 , 允 许 偏差为 0~15㎝侧向尺寸符 合 设 计 要求 , 允 许 偏差为 0~15㎝开挖面平整度符 合 设 计 要求 , 允 许 偏差为 10㎝签名班组初检施工队复检质检员终检施工单位自评意见主控项目检验点 100%合...

1、当您付费下载文档后,您只拥有了使用权限,并不意味着购买了版权,文档只能用于自身使用,不得用于其他商业用途(如 [转卖]进行直接盈利或[编辑后售卖]进行间接盈利)。
2、本站所有内容均由合作方或网友上传,本站不对文档的完整性、权威性及其观点立场正确性做任何保证或承诺!文档内容仅供研究参考,付费前请自行鉴别。
3、如文档内容存在违规,或者侵犯商业秘密、侵犯著作权等,请点击“违规举报”。

碎片内容

样表-水利工程施工质量三检表-例岩石洞室开挖

您可能关注的文档

文旅传媒+ 关注
实名认证
内容提供者

传播文化,成就未来

确认删除?
VIP
微信客服
  • 扫码咨询
会员Q群
  • 会员专属群点击这里加入QQ群
客服邮箱
回到顶部