电脑桌面
添加小米粒文库到电脑桌面
安装后可以在桌面快捷访问

桩基施工拖桩方案VIP免费

桩基施工拖桩方案_第1页
1/4
桩基施工拖桩方案_第2页
2/4
桩基施工拖桩方案_第3页
3/4
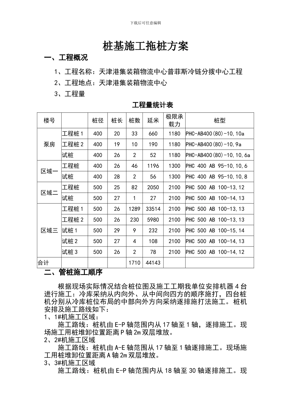
下载后可任意编辑桩基施工拖桩方案一、工程概况1、工程名称:天津港集装箱物流中心普菲斯冷链分拨中心工程2、工程地点:天津港集装箱物流中心3、工程量 工程量统计表楼号 桩径桩长桩数延米极限承载力桩型泵房工程桩 140020336601180PHC-AB400(80)-10,10a工程桩 240019101901180PHC-AB400(80)-10,9a试桩400262521180PHC-AB400(80)-10,10,6a区域一工程桩400264611961300PHC 400 AB 95-10,10,6试桩400282561300PHC 400 AB 95-10,10,8区域二工程桩500258220502100PHC 500 AB 100-13,12试桩500271272100PHC 500 AB 100-14,13区域三工程桩 1500261289335142100PHC 500 AB 100-13,13工程桩 25002623059802100PHC 500 AB 100-13,13试桩 15002992322100PHC 500 AB 100-15,14试桩 25002741082100PHC 500 AB 100-14,13试桩 3500262782100PHC 500 AB 100-14,12合计 171044143 二、管桩施工顺序根据现场实际情况结合桩位图及施工工期我单位安排机器 4 台进行施工:冷库采纳从内向外、从中间向四方的顺序施打,四台桩机分别从冷库桩位布局的中部向外方向采纳逐排施打法施工。桩机安排及施工路线如下:1、1#机施工区域:施工路线:桩机由 E-P 轴范围内从 17 轴至 1 轴,逐排施工。现场施工用桩堆卸位置距离 P 轴 2m 双层堆放。2、2#机施工区域施工路线:桩机由 A-E 轴范围从 17 轴至 1 轴逐排施工。现场施工用桩堆卸位置距离 A 轴 2m 双层堆放。3、3#机施工区域施工路线:桩机由 E-P 轴范围内从 18 轴至 30 轴逐排施工。现下载后可任意编辑场施工用桩堆卸位置距离 P 轴 2m 双层堆放。4、4#机施工区域施工路线:桩机由 A-E 轴范围内从至 18 轴至 30 轴逐排施工。现场施工用桩堆卸位置距离 A 轴 2m 双层堆放。三、拖桩方案工程施工桩机根据上述位置就位,工程桩实行局部施工区边堆放和距桩基周边场地 2m 左右进行堆放,以方便吊桩、喂桩。工程每台桩机日平均完成 15 根,根据此计算,每天进桩为 60 根左右(120节),按场地及周边情况,每天有六处位置可以堆放,每处放 20 节左右的桩,根据现有场地,能完全按要求堆放和喂桩。如桩基拖桩距离过远,我方实行吊车喂桩。从而来保证拖桩的安全。施工用桩堆放大概位置见附图。浙江宝业天津港集装箱物流中心普菲斯冷链分拨中心项目部2024 年 9 月 18 日下面为附送毕业论文致谢词范文!不需要的可以编辑删除!谢谢!毕业论...

1、当您付费下载文档后,您只拥有了使用权限,并不意味着购买了版权,文档只能用于自身使用,不得用于其他商业用途(如 [转卖]进行直接盈利或[编辑后售卖]进行间接盈利)。
2、本站所有内容均由合作方或网友上传,本站不对文档的完整性、权威性及其观点立场正确性做任何保证或承诺!文档内容仅供研究参考,付费前请自行鉴别。
3、如文档内容存在违规,或者侵犯商业秘密、侵犯著作权等,请点击“违规举报”。

碎片内容

桩基施工拖桩方案

您可能关注的文档

确认删除?
VIP
微信客服
  • 扫码咨询
会员Q群
  • 会员专属群点击这里加入QQ群
客服邮箱
回到顶部