电脑桌面
添加小米粒文库到电脑桌面
安装后可以在桌面快捷访问

桩基础塔吊基础施工方案VIP免费

桩基础塔吊基础施工方案_第1页
1/23
桩基础塔吊基础施工方案_第2页
2/23
桩基础塔吊基础施工方案_第3页
3/23
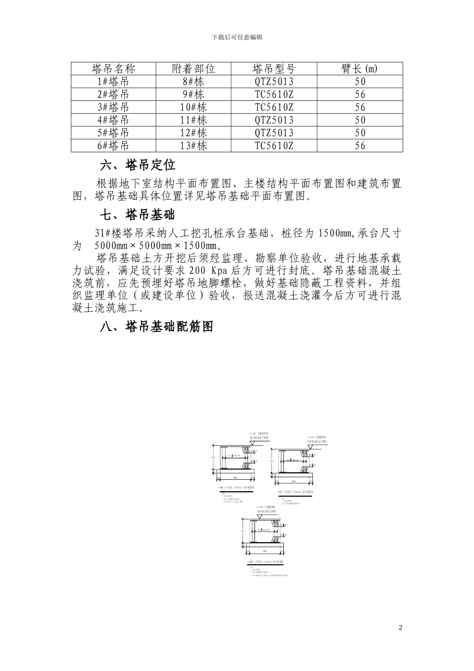
下载后可任意编辑一、编制依据《建筑地基基础设计法律规范》(GB50007-2024);《建筑结构荷载法律规范》(GB 50009-2001);《混凝土结构设计法律规范》(GB 50010-2024);建筑、结构设计图纸;《佳兆业置业有限公司栗雨项目二期工程岩土工程详细勘察报告》QTZ63 自升塔式起重机使用说明书。二、工程概况:由株洲佳兆业置业有限公司开发的佳兆业·金域天下(二期)位于株洲栗雨工业园。本标段为二期,包括 8~13#栋,总建筑面积为 165687.66㎡,其中地下室建筑面积为 33803.09㎡;地上建筑面积为 131884.57㎡;其中 8#栋为地下 1 层,地上 33 层,建筑面积为24408.62㎡,建筑高度为 99.90m;9#栋为地下 1 层,地上 33 层,建筑面积为 26703㎡,建筑高度为 99.90m;10#栋为地下 1 层,地上 32层,建筑面积为 21849.79㎡,建筑高度为 96.95m;11#栋为地下 2层,地上 32 层,建筑面积为 21026.37㎡,建筑高度为 96.95m;12#栋为地下 2 层,地上 33 层,建筑面积为 12853.12㎡,建筑高度为99.90m;13#栋为地下 1 层,地上 33 层,建筑面积为 25702.73㎡,建筑高度为 99.90m。根据现场实际情况,本地下室高层区考虑采纳三台 QTZ5013 型和三台 TC5610Z 型塔式起重机。附着于各栋号主楼,六台塔吊分布覆盖情况详见塔吊布置图。三、现场地质条件场地主要为中软土、局部为中硬土,场地无可液化底层,地势平坦,场内土层分布基本为粉质粘土层、强风化岩层、中风化岩层。工程地质详见中国有色金属工业长沙勘察设计讨论院 2024 年 2 月提供的《株洲佳兆业置业有限公司栗雨项目二期工程岩土详细勘察报告》。据现场勘察:1、2、3 号塔吊基础坐落于风化岩上,4、5、6号塔吊基底为回填土。四、塔吊布置原则1、最大限度的满足垂直运输的要求和服务半径,满足现场施工需求。2、两台塔吊之间的距离最大限度的满足安全法律规范的要求;3、塔吊附着满足塔吊性能要求4、满足塔吊安装和拆卸的工作面要求,保证塔吊安装拆卸的可行性。五、塔吊选择考虑本工程实际垂直运输工程量及施工总平面布置,拟布置 6 台塔吊。塔吊布设的位置及型号如下表所示:1下载后可任意编辑塔吊名称附着部位塔吊型号臂长(m)1#塔吊8#栋QTZ5013502#塔吊9#栋TC5610Z563#塔吊10#栋TC5610Z564#塔吊11#栋QTZ5013505#塔吊12#栋QTZ5013506#塔吊13#栋TC5610Z56六、塔吊定位根据地下室结构平面布置图、主楼结构平面布置图和建筑布置图,塔吊基础具体...

1、当您付费下载文档后,您只拥有了使用权限,并不意味着购买了版权,文档只能用于自身使用,不得用于其他商业用途(如 [转卖]进行直接盈利或[编辑后售卖]进行间接盈利)。
2、本站所有内容均由合作方或网友上传,本站不对文档的完整性、权威性及其观点立场正确性做任何保证或承诺!文档内容仅供研究参考,付费前请自行鉴别。
3、如文档内容存在违规,或者侵犯商业秘密、侵犯著作权等,请点击“违规举报”。

碎片内容

桩基础塔吊基础施工方案

文旅传媒+ 关注
实名认证
内容提供者

传播文化,成就未来

确认删除?
VIP
微信客服
  • 扫码咨询
会员Q群
  • 会员专属群点击这里加入QQ群
客服邮箱
回到顶部