电脑桌面
添加小米粒文库到电脑桌面
安装后可以在桌面快捷访问

沙地构架吊装施工方案VIP免费

沙地构架吊装施工方案_第1页
1/15
沙地构架吊装施工方案_第2页
2/15
沙地构架吊装施工方案_第3页
3/15
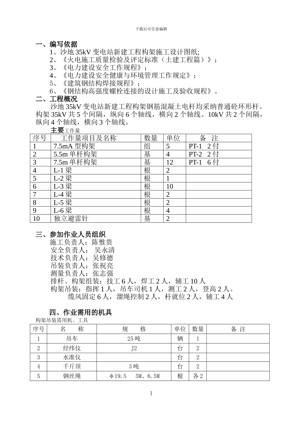
下载后可任意编辑批 准:审 核:编 制:下载后可任意编辑目 录一、编写依据二、工程概况三、参加作业人员组织四、作业需用的机具计划五、作业计划工期六、作业前准备工作七、作业程序与方法八、作业结果的检查、验收和质量标准九、施工安全注意事项十、成品保护措施十一、质量安全薄弱环节与防止措施十二、环境保护及文明施工下载后可任意编辑一、编写依据1、沙地 35kV 变电站新建工程构架施工设计图纸;2、《火电施工质量检验及评定标准(土建工程篇)》;3、《电力建设安全工作规程》;4、《电力建设安全健康与环境管理工作规定》; 5、《建筑钢结构焊接规程》;6、《钢结构高强度螺栓连接的设计施工及验收规程》。二、工程概况沙地 35kV 变电站新建工程构架钢筋混凝土电杆均采纳普通砼环形杆。构架 35kV 共 5 个间隔,纵向 6 个轴线,横向 2 个轴线。10kV 共 2 个间隔,纵向 4 个轴线,横向 3 个轴线。主要工作量序号工作量项目及名称数量单位备 注17.5mA 型构架组5PT-1 2 付25.5m 单杆构架基4PT-2 2 付37.5m 单杆构架基12PT-1 6 付4L-1 梁根25L-2 梁根16L-3 梁根107L-4 梁根28L-5 梁根29L-6 梁根410独立避雷针基2三、参加作业人员组织施工负责人:陈惟贵安全负责人: 吴永清技术负责人:吴修德吊装负责人:张祝亮测量负责人:张志强 排杆、构架组装:技工 6 人,焊工 2 人,辅工 10 人构架吊装:指挥 1 人,吊车司机 1 人,测工 2 人,登高 2 人。 缆风固定 6 人,溜绳控制 2 人,杆就位 2 人,辅工 4 人四、作业需用的机具构架吊装需用机、工具序号名 称规 格单位数量备 注1吊车25 吨辆12经纬仪J2台23水准仪台24千斤顶3 吨台25钢丝绳φ19.5 5M、6.5M根各 21下载后可任意编辑6钢丝绳φ19.5 12.7M根27钢丝绳φ21.5 5.6M、13.1M根各 28钢丝绳φ21.5 8M根29钢丝绳φ24 7M根210缆风绳φ12.5 30-60M根8011尼龙绳索φ22 6M根213双钩3 吨只2014角铁桩∠80×8 1.3M根801516小吊绳φ10-12M10017链条葫芦1~1.5 吨只218大撬棍25mm 六角钢 1.2~1.4 米根619小撬棍φ16~18 罗纹钢 500-600mm根420套筒扳手套221活动扳手18″、15″把各 422运杆双轮跑车辆123鎯 头12 磅 把324鎯 头8 磅 把325鎯 头4 磅 把526木 榔 头把627踩 板吊 φ300 型杆用付各 228楼 梯4 米、3 米张各 229水平尺只230水平木6M根131钢卷尺30 米、50 米把各 232沟通电焊机...

1、当您付费下载文档后,您只拥有了使用权限,并不意味着购买了版权,文档只能用于自身使用,不得用于其他商业用途(如 [转卖]进行直接盈利或[编辑后售卖]进行间接盈利)。
2、本站所有内容均由合作方或网友上传,本站不对文档的完整性、权威性及其观点立场正确性做任何保证或承诺!文档内容仅供研究参考,付费前请自行鉴别。
3、如文档内容存在违规,或者侵犯商业秘密、侵犯著作权等,请点击“违规举报”。

碎片内容

沙地构架吊装施工方案

确认删除?
VIP
微信客服
  • 扫码咨询
会员Q群
  • 会员专属群点击这里加入QQ群
客服邮箱
回到顶部