电脑桌面
添加小米粒文库到电脑桌面
安装后可以在桌面快捷访问

沥青修补施工组织设计VIP免费

沥青修补施工组织设计_第1页
1/47
沥青修补施工组织设计_第2页
2/47
沥青修补施工组织设计_第3页
3/47
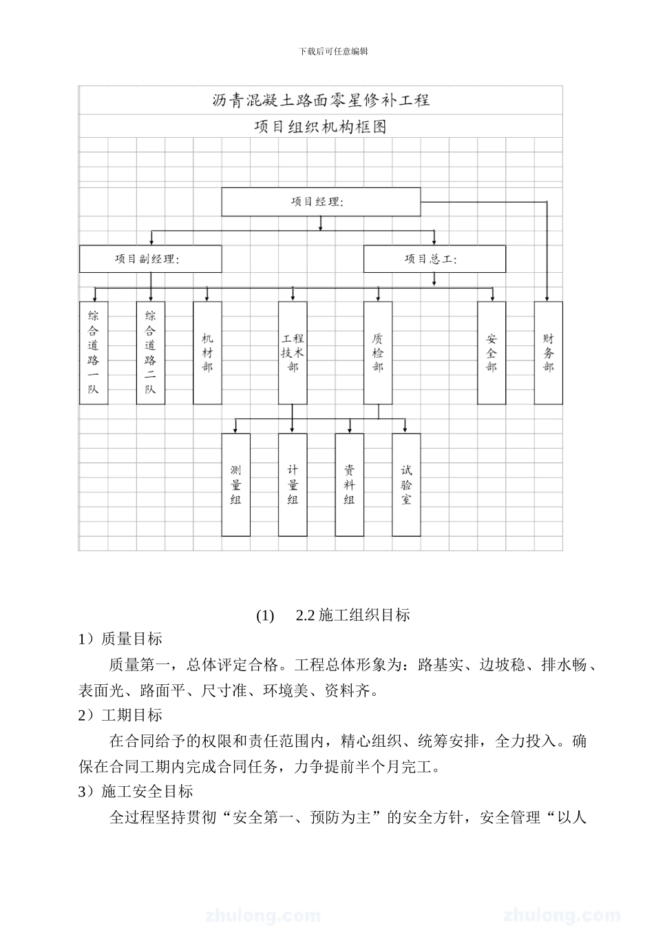
下载后可任意编辑施工组织设计第一章 工程概况1.1 项目名称:沥青混凝土路面零星修补工程1.2 建设工期:(20 日历天)。第二章 管理班子和施工组织措施2.1施工组织机构的建立和运行实行国家建设部颁发的建设工程项目法施工,实行项目目标责任管理,组成高效、精干的项目管理班子,根据工程项目内在规律,严密组织技术、质检、劳务、材料、设备、安全、综合等生产要素部门,对工程施工进行全员、全面、全过程的系统综合管理。我公司一旦中标,立即组织本工程项目机构人员上岗到位,着手开始各项施工准备工作,并同时按计划把需用的设备、机具、周转材料调动到位,并按建设单位的要求按时破土开工。委派具有类似工程施工经验的项目经理组成项目经理部,负责具体施工管理,实行项目经理责任制,对质量、工期、安全、成本、合同管理及文明施工全面负责。做到有计划的组织施工,确保工程质量、工期、安全、文明施工等方面达到目标要求。由工程项目经理、副经理、项目技术负责人及各专业技术人员组成项目管理部,中途不更换,施工组织机构的设置原则是:(1) 对工期、质量、安全、文明施工目标层层分解、层层落实、层层监督,做到从项目经理到施工班组都具有各自的短期、长期目标。短期目标作为工程成绩的评判标准,长期目标作为奋斗动力的源泉。(2) 充分给予项目经理自主权利,树立项目经理权威,在直线型组织机构中,下级必须服从上级。(3) 项目经理部应高效有力,既能合理协调施工过程中劳动力、资金、材料之间的关系,又能处理好同建设单位、监理间的关系,以最经济的方式达到目标。(4) 项目经理部成员应根据各自特点,分配角色任务,既要保持项目经理部和谐、大家庭式的气氛,又要使每个成员具有紧迫感、责任感,充分调动他们的积极性。(5) 制定统一的规章制度,约束个人行为,实现组织一致性。(6)项目经理职能应富有弹性,有利于根据任务变化的内在规律及时调整组织机构、管理人员和施工队伍。组织机构见下图下载后可任意编辑(1)2.2 施工组织目标1)质量目标质量第一,总体评定合格。工程总体形象为:路基实、边坡稳、排水畅、表面光、路面平、尺寸准、环境美、资料齐。2)工期目标在合同给予的权限和责任范围内,精心组织、统筹安排,全力投入。确保在合同工期内完成合同任务,力争提前半个月完工。3)施工安全目标全过程坚持贯彻“安全第一、预防为主”的安全方针,安全管理“以人下载后可任意编辑为本”,实现施工重大...

1、当您付费下载文档后,您只拥有了使用权限,并不意味着购买了版权,文档只能用于自身使用,不得用于其他商业用途(如 [转卖]进行直接盈利或[编辑后售卖]进行间接盈利)。
2、本站所有内容均由合作方或网友上传,本站不对文档的完整性、权威性及其观点立场正确性做任何保证或承诺!文档内容仅供研究参考,付费前请自行鉴别。
3、如文档内容存在违规,或者侵犯商业秘密、侵犯著作权等,请点击“违规举报”。

碎片内容

沥青修补施工组织设计

确认删除?
VIP
微信客服
  • 扫码咨询
会员Q群
  • 会员专属群点击这里加入QQ群
客服邮箱
回到顶部