电脑桌面
添加小米粒文库到电脑桌面
安装后可以在桌面快捷访问

洁净工艺管道焊接施工控制VIP免费

洁净工艺管道焊接施工控制_第1页
1/5
洁净工艺管道焊接施工控制_第2页
2/5
洁净工艺管道焊接施工控制_第3页
3/5
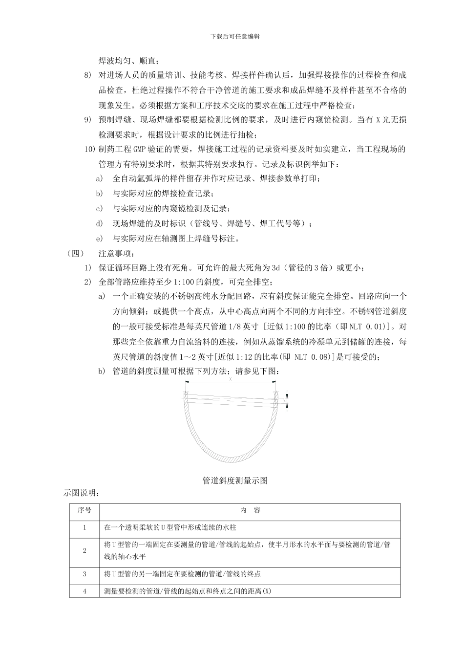
下载后可任意编辑 干净工艺管道焊接施工控制生物制药工程中的干净工艺管道的注射水系统、纯水系统、纯蒸汽系统,是生物制药生产工艺系统核心部分的工程施工,对管材及其组成件材料的要求都很高,现场安装施工的工机具配备以及人员的作业技能和施工作业过程都要求具有很高的专业性。需要加强对该系统干净工艺管道焊接施工的检查,通过法律规范的施工控制,满足工艺标准和设计要求。(一)对管材的要求:精品 word 文档可以编辑(本页是封面)【最新资料 Word 版 可自由编辑!!】下载后可任意编辑1) 管道设计应符合 ASME BPE;2) 纯化水、注射用水和纯蒸汽的管道应是 316L 不锈钢电抛光管,Ra 值 <0.5 m;3) 管材需提供熔炼炉号、制造号、制造材料的证书。熔炼炉号在安装现场应可见;4) 进口材料需要提供报关单和原产地证明。(二)对专业工机具的要求:1) 干净管道的材料放置和管道焊接预制,必须设置符合要求的专用干净预制间;2) 所有用于切割和不锈钢表面处理的器具应是 316L 不锈钢工作专用的,并与用于切割其他材料的工具分开;3) 切割管道的程序不应带入其他杂质(例如灰尘、油、油脂等)或造成使管道遭到破坏的情形或使管道变得不圆等;4) 要求施工单位的专业工、机具配备齐全。如 GF 切割锯、钨棒打磨机、对口夹具、干净充气管、倒角器、 1〞以下平口机、1〞以上平口机、合金钢刀或不锈钢刀(平口后刮毛刺。绝不能使用普通钢锉刀)、扭力扳手(拆装隔膜阀使用)、万用角度尺(隔膜阀安装角度控制)、内窥镜、干净分气缸、专用管刀、电源稳压器(施工现场自动焊机还应设专用电源线,以避开因现场电压不稳或无故停电等对焊接造成影响)等。(三)对焊接的要求:1) 焊接施工开始前需提交各相关施工方案,并在各工序作业前分工序做专业技术交底。需提交的方案包括:干净管道施工方案、干净管道焊接程序、内窥镜检测程序;2) 焊工应经相关劳动部门培训合格,并持有特种作业操作证。自动焊机操作的焊工应提供相应的干净管道自动焊接培训的证明材料。全自动轨道焊接由自动工艺进行,不添加“充填材料”,在惰性气体环境的保护下进行,因此焊接工艺/方法、使用的焊接设备和操作人员(焊接工人)的技能非常重要;3) 依据设计要求和该项工艺的专业要求,对所有参加该专项干净管道施工的全部人员进行专项质量培训,明确正确做法及作业要求;4) 焊接使用的净化气体(用在被焊接管道的内表面)和保护气体(担当外部焊...

1、当您付费下载文档后,您只拥有了使用权限,并不意味着购买了版权,文档只能用于自身使用,不得用于其他商业用途(如 [转卖]进行直接盈利或[编辑后售卖]进行间接盈利)。
2、本站所有内容均由合作方或网友上传,本站不对文档的完整性、权威性及其观点立场正确性做任何保证或承诺!文档内容仅供研究参考,付费前请自行鉴别。
3、如文档内容存在违规,或者侵犯商业秘密、侵犯著作权等,请点击“违规举报”。

碎片内容

洁净工艺管道焊接施工控制

您可能关注的文档

确认删除?
VIP
微信客服
  • 扫码咨询
会员Q群
  • 会员专属群点击这里加入QQ群
客服邮箱
回到顶部