电脑桌面
添加小米粒文库到电脑桌面
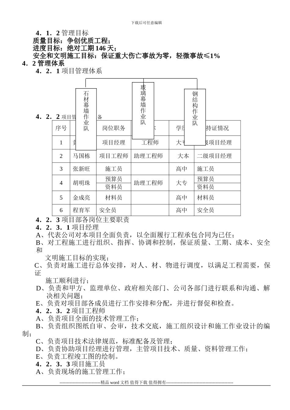
安装后可以在桌面快捷访问

浙江浦江国际大酒店外装工程施工组织设计VIP免费

浙江浦江国际大酒店外装工程施工组织设计_第1页
1/36
浙江浦江国际大酒店外装工程施工组织设计_第2页
2/36
浙江浦江国际大酒店外装工程施工组织设计_第3页
3/36
下载后可任意编辑第一章编制依据及原则1.1 编制依据1.1.1 湖北鼎元建筑装饰工程有限公司外装饰施工设计图;1.1.2 本工程现场实际情况;1.1.3 本公司《质量手册》和《程序文件》及相关管理制度要求;1.1.4 国家现行法律规范、标准要求。1.2 编制原则1.2.1 编制本施工组织设计力求全面、细致;1.2.2 编制本施工组织设计力求具有针对性和可操作性,达到有用要求;1.2.3 编制本施工组织设计力求具有指导性,能指导本工程全过程的施工与管理;1.2.4 编制本施工组织设计力求能反映本公司的技术实力、施工实力和施工管理水平;1.2.5 本施工组织设计若经本公司、监理公司和甲方审批后,将成为本工程项目施工的纲领性指导文件,属于公司贯标管理体系的重要组成部分。第二章工程概况及特点2.1 工程概况2.1.1 本工程为浙江省金华市浦江三联房地产公司开发建设的一家四星级酒店,工程位于浦江县环城南路,主体结构为 21 层框架结构,裙楼 5 层,塔楼 16 层,主体结构建筑高度为 87.4m 由浙江工业大学建筑设计院设计,现主体结构已全部施工完成。2.1.2 外墙装饰设计由湖北鼎元建筑装饰工程有限公司设计,外墙装饰设计形式主要有明框玻璃幕墙,全玻点支式幕墙,石材幕墙,铝塑板幕墙,氟碳金属漆等,外装包括门楼钢结构补形,主楼 19 层以上钢结构补形及观光电梯全玻玻璃罩、门楼及屋面补形部分彩钢板屋面等。外装总面积约 13500 平方米。2.2 工程特点:2.2.1 本工程为高层建筑,外装面积大,垂直运输难度大,工作量大; 2.2.2 幕墙形式多,且工作量分散;2.2.3 施工单位多,协调工作量大,管理复杂;第三章 工程主要施工内容及工程量、主要材料及用量3.1 主要施工内容本装饰工程我公司承担的主要施工内容有外墙石材幕墙、玻璃幕墙、铝塑板金属幕墙、19 层以上钢结构补型及门楼钢结构等。3.2 主要工程量(见下表)主要工程量清单序号主要施工内容工作量单位备注1石材幕墙㎡2石材幕墙线条m----------------------------精品 word 文档 值得下载 值得拥有----------------------------------------------下载后可任意编辑3明框玻璃幕墙㎡4点式玻璃幕墙㎡5铝塑板幕墙㎡6铝塑板吊顶㎡7GRC 线条m8钢结构制安t3.3 主要材料及用量(见下表)主要材料及用量清单序号材料名称规格数量单位拟进场时间备注1幕墙石材㎡开工后 天进场需加工成型2幕墙石材线条m开工后 天进场需加工成型3幕墙铝型材150...

1、当您付费下载文档后,您只拥有了使用权限,并不意味着购买了版权,文档只能用于自身使用,不得用于其他商业用途(如 [转卖]进行直接盈利或[编辑后售卖]进行间接盈利)。
2、本站所有内容均由合作方或网友上传,本站不对文档的完整性、权威性及其观点立场正确性做任何保证或承诺!文档内容仅供研究参考,付费前请自行鉴别。
3、如文档内容存在违规,或者侵犯商业秘密、侵犯著作权等,请点击“违规举报”。

碎片内容

浙江浦江国际大酒店外装工程施工组织设计

确认删除?
VIP
微信客服
  • 扫码咨询
会员Q群
  • 会员专属群点击这里加入QQ群
客服邮箱
回到顶部