电脑桌面
添加小米粒文库到电脑桌面
安装后可以在桌面快捷访问

浙江省《城市建筑和道路交通工程停车库设计、设置规则》VIP专享VIP免费

浙江省《城市建筑和道路交通工程停车库设计、设置规则》_第1页
1/20
浙江省《城市建筑和道路交通工程停车库设计、设置规则》_第2页
2/20
浙江省《城市建筑和道路交通工程停车库设计、设置规则》_第3页
3/20
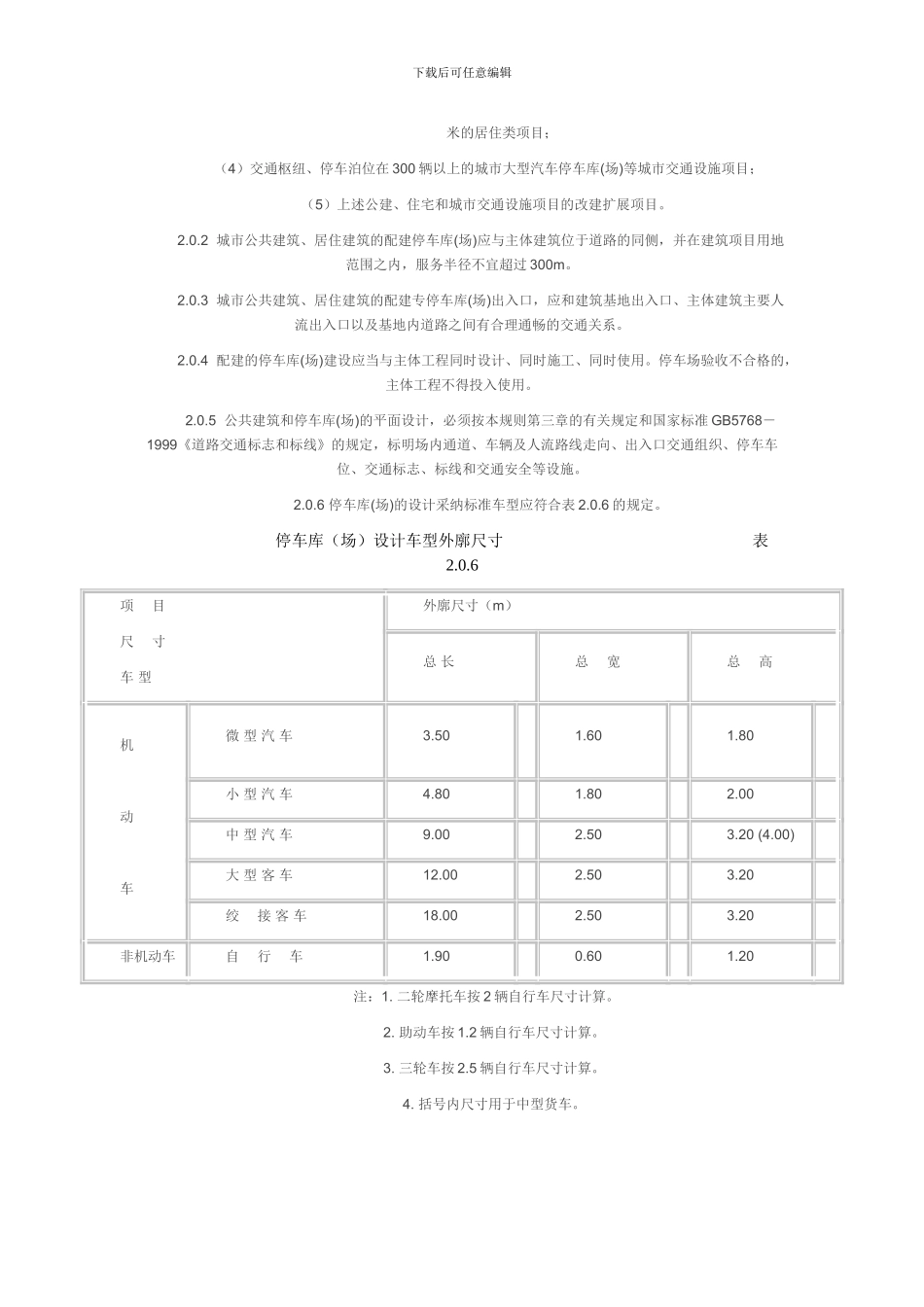
下载后可任意编辑浙江省《城市建筑和道路交通工程停车库(场)设计、设置规则》目 录 1 总则··································· 12 城市建筑工程停车库(场)的一般规定···················· 23 城市建筑工程停车库(场)的总平面布局、布置················ 54 建筑工程配建停车位指标体系························175 城市道路交通工程停车库(场)的一般规定·················· 24附录 A···································32附录 B··································· 33 1 总 则1.0.1 为保证城市道路交通安全和畅通,改善城市道路静态交通环境,使本省大、中、小城市的建筑、道路交通工程的停车库(场)规划、设计、建设符合城市交通组织需要和管理要求,特制定本规则。1.0.2 城市建筑、道路交通工程的停车库(场)设计、设置,必须保障交通安全,配置合理,使用方便,并应满足道路动态交通、城市环境保护、城市防灾安全的要求。l.0.3 本规则适用于城市新建、改建和扩建的建筑、道路交通工程中的停放标准车型的公共停车库(场)和专用停车库(场),特种车型的停车库(场)参照执行。1.0.4 城市建筑、道路交通工程的停车库(场)的设计、设置,除执行规则外,尚应符合国家及本省现行的有关设计标准和法律规范要求。 2 城市建筑工程停车库(场)的一般规定2.0.1 城市大型建筑工程项目,建设单位在向城市规划行政主管部门报批选址意见书或项目规划设计方案时,应征求公安交通管理部门意见,并提供交通影响评估报告书。 城市大型建筑工程项目指: (1)规划城市中心区内,建筑规模超过 1 万平方米的大型公建 项目及超过 5 万平方米的居住类项目; (2)规划城市副中心区、卫星城中心区内,建筑规模超过 3 万平方米的大型公建项目及超过 10万平方米的 居住类项目; (3)除上述(1)、(2)以外的城市其他地区,建筑规模超过 5 万平方米的大型公建项目及超过 20 万平方下载后可任意编辑 米的居住类项目; (4)交通枢纽、停车泊位在 300 辆以上的城市大型汽车停车库(场)等城市交通设施项目; (5)上述公建、住宅和城市交通设施项目的改建扩展项目。2.0.2 城市公共建筑、居住建筑的配建停车库(场)应与主体建...

1、当您付费下载文档后,您只拥有了使用权限,并不意味着购买了版权,文档只能用于自身使用,不得用于其他商业用途(如 [转卖]进行直接盈利或[编辑后售卖]进行间接盈利)。
2、本站所有内容均由合作方或网友上传,本站不对文档的完整性、权威性及其观点立场正确性做任何保证或承诺!文档内容仅供研究参考,付费前请自行鉴别。
3、如文档内容存在违规,或者侵犯商业秘密、侵犯著作权等,请点击“违规举报”。

碎片内容

浙江省《城市建筑和道路交通工程停车库设计、设置规则》

文森传品+ 关注
实名认证
内容提供者

一家传播文化教育的小店,资料丰富,随意挑选。

确认删除?
VIP
微信客服
  • 扫码咨询
会员Q群
  • 会员专属群点击这里加入QQ群
客服邮箱
回到顶部