电脑桌面
添加小米粒文库到电脑桌面
安装后可以在桌面快捷访问

深基坑防护施工方案VIP免费

深基坑防护施工方案_第1页
1/15
深基坑防护施工方案_第2页
2/15
深基坑防护施工方案_第3页
3/15
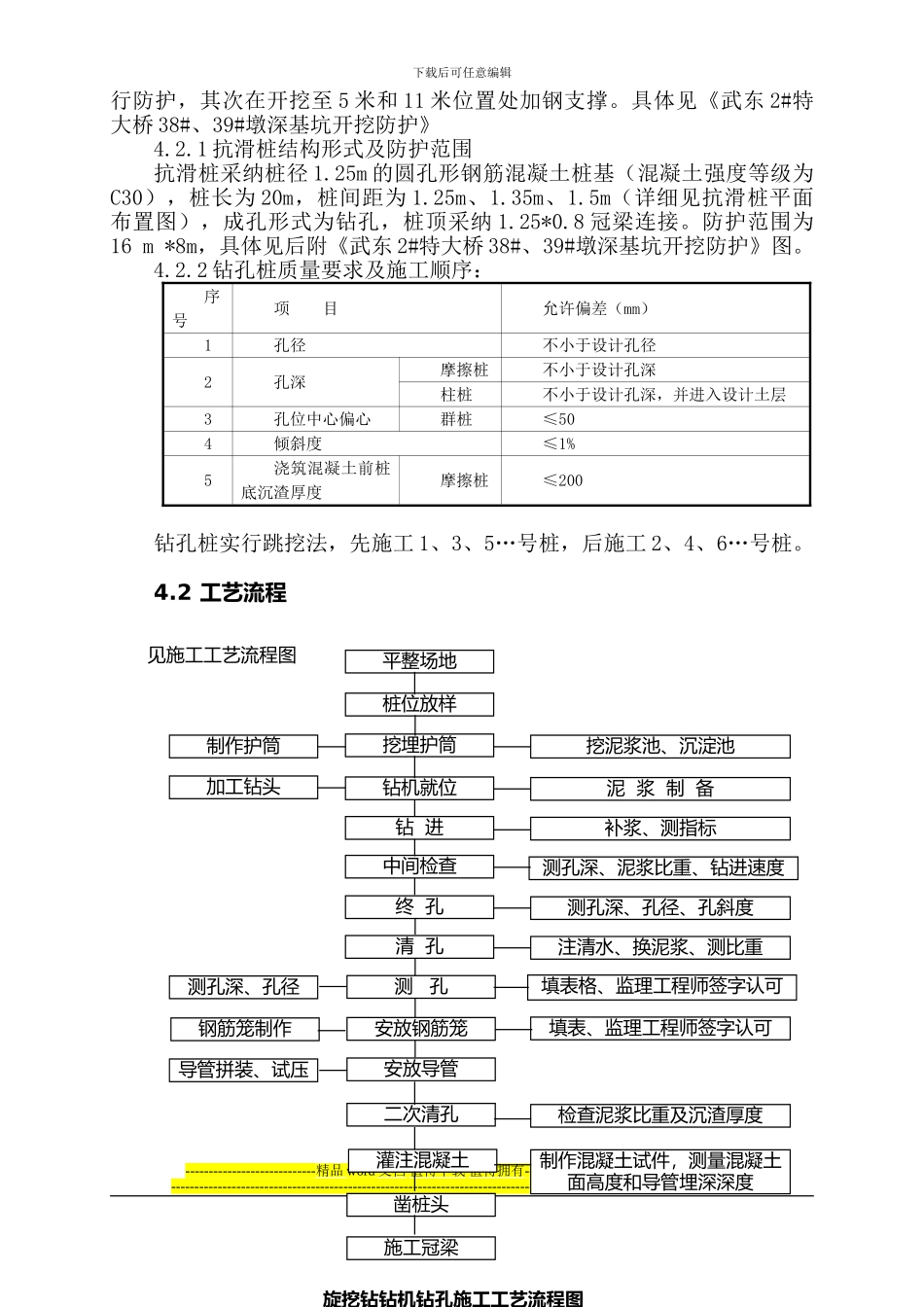
下载后可任意编辑武东 2#特大桥 38#、39#墩深基坑开挖防护方案1 编制说明1.1 编制依据1) 《铁路交通事故应急救援和调查处理条例》(国务院令第 501号)2) 新版《铁路桥工行车安全细规则》自 2006 年 10 月 1 日起实行3) 《铁路技术管理规程》铁道部令第 29 号,2007 年 4 月 1 日起施行4) 《铁路工程施工安全技术规程》(TB10410.0-2024)5) 《铁路施工技术指南体系》6) 铁路质量验收暂行标准体系,如《铁路桥涵工程验收暂行标准》;《铁路混凝土工程施工质量验收补充标准》等标准。1.2 编制原则1)兼顾是改革和运输,确保施工安全。2)根据施工工艺流程,合理安排工序,精心施工;安全第一,经济合理的原则。3)严格遵守合同及设计文件要求,执行现行国家和地方标准。2 工程概况武东 2#特大桥 38#墩承台中心里程 DK004+732.280,39#墩承台中心里程 DK004+765.060,目前桩基已施工完毕,准备进行承台施工。承台位于原地面下 15.6 米,开挖深度达 15.6 米。3 施工总体安排3.1 施工材料 施工机具、设备、材料配备序号设备或材料规格单位数量备注1旋挖钻台12卷扬机台43吊机25t台14挖掘机PC320台15自卸汽车25t台4----------------------------精品 word 文档 值得下载 值得拥有---------------------------------------------------------------------------------------------------------------------------------------------------------------------------下载后可任意编辑6混凝土运输车台37混凝土输送泵台18电焊机台29气割设备氧气乙炔套13.3 主要劳动力组织配备序号劳动力内容人数备 注1指 挥1袁绍献2现场技术人员1任文成3现场安质人员1李 峰4抗滑桩施工85吊 机26挖掘机27混凝土运输车38混凝土输送泵39揽风及捆扎吊点410测 量211电 焊412辅 助8合 计394 施工方案4.1 施工准备4.1.1 平整场地和地面排水开挖基坑前,整平基坑顶面场地,根据现场的地形情况,在基坑四周开挖排水沟,并引流至排水沟,防止降雨积水流入基坑、浸泡基坑。配备抽水泵、小型发电机、防水布,接入临时用电线等。4.1.2 地下水管的保护及迁改,水泥路的改迁为防止开挖破坏各种管线。基坑开挖前,应探明开挖基坑处是否有地下水管。准确推断地下管线的位置,以便进行保护或迁改。乡村水泥路位于承台开挖线内,为了深基坑施工,水泥路进行改迁。4.2 抗滑桩支护方案武东 2#特大桥 38#承台位于原地面下 15.6 米、39#...

1、当您付费下载文档后,您只拥有了使用权限,并不意味着购买了版权,文档只能用于自身使用,不得用于其他商业用途(如 [转卖]进行直接盈利或[编辑后售卖]进行间接盈利)。
2、本站所有内容均由合作方或网友上传,本站不对文档的完整性、权威性及其观点立场正确性做任何保证或承诺!文档内容仅供研究参考,付费前请自行鉴别。
3、如文档内容存在违规,或者侵犯商业秘密、侵犯著作权等,请点击“违规举报”。

碎片内容

深基坑防护施工方案

您可能关注的文档

确认删除?
VIP
微信客服
  • 扫码咨询
会员Q群
  • 会员专属群点击这里加入QQ群
客服邮箱
回到顶部