电脑桌面
添加小米粒文库到电脑桌面
安装后可以在桌面快捷访问

混凝土工程浇筑施工记录VIP免费

混凝土工程浇筑施工记录_第1页
1/12
混凝土工程浇筑施工记录_第2页
2/12
混凝土工程浇筑施工记录_第3页
3/12
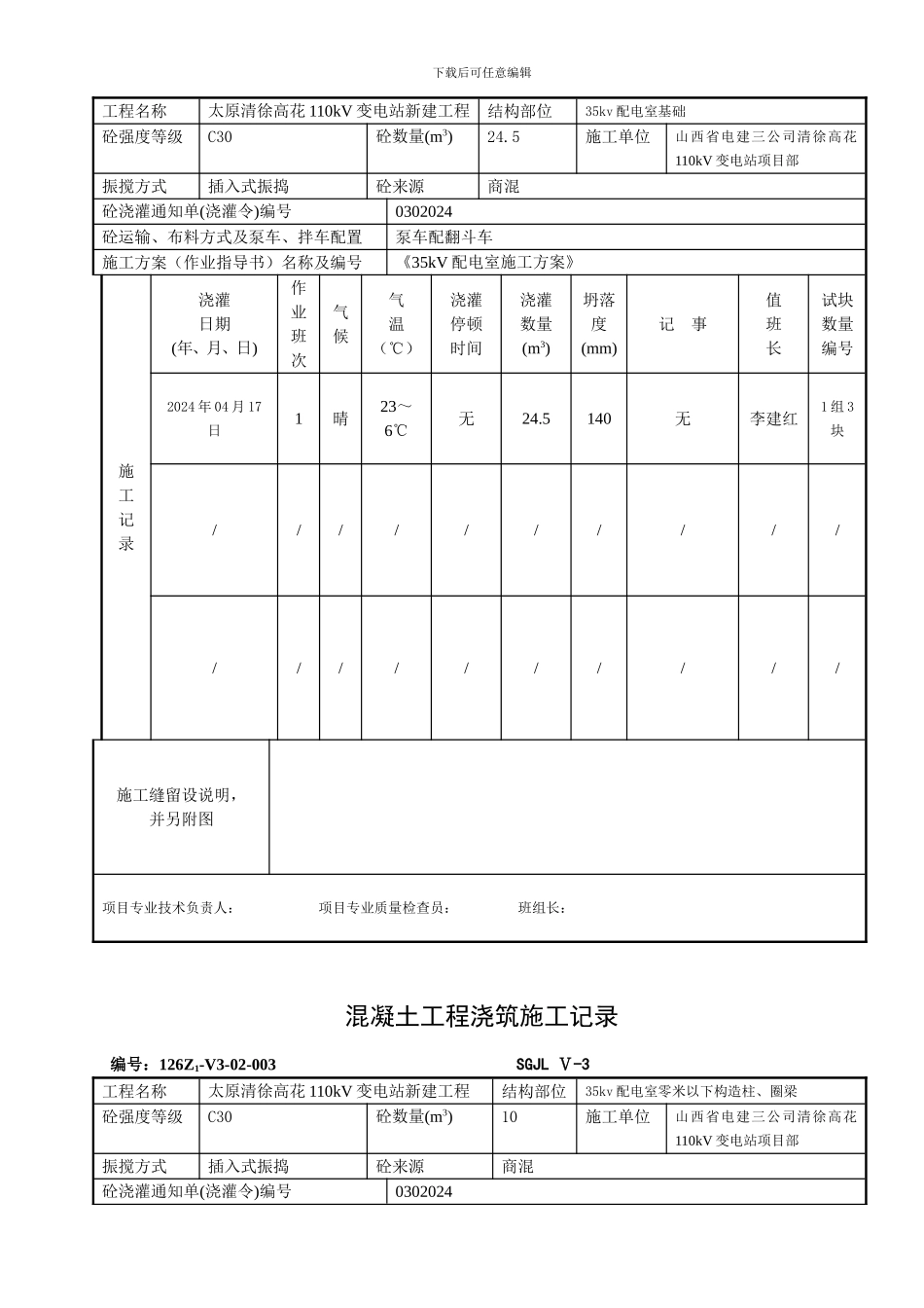
下载后可任意编辑混凝土工程浇筑施工记录编号:126Z1-V3-02-001 SGJL Ⅴ-3工程名称太原清徐高花 110kV 变电站新建工程结构部位35kv 配电室基础垫层砼强度等级C15砼数量(m3)10.5施工单位山西省电建三公司清徐高花110kV 变电站项目部振搅方式插入式振捣砼来源商混砼浇灌通知单(浇灌令)编号0302001砼运输、布料方式及泵车、拌车配置翻斗车施工方案(作业指导书)名称及编号《35kV 配电室施工方案》施工记录浇灌日期(年、月、日)作业班次气候气温(℃)浇灌停顿时间浇灌数量(m3)坍落度(mm)记 事值班长试块数量编号2024 年 04 月 13日1晴22~5℃无10.590无李建红一组三块////////////////////施工缝留设说明,并另附图项目专业技术负责人: 项目专业质量检查员: 班组长:混凝土工程浇筑施工记录编号:126Z1-V3-02-002 SGJL Ⅴ-3下载后可任意编辑工程名称太原清徐高花 110kV 变电站新建工程结构部位35kv 配电室基础砼强度等级C30砼数量(m3)24.5施工单位山西省电建三公司清徐高花110kV 变电站项目部振搅方式插入式振捣砼来源商混砼浇灌通知单(浇灌令)编号0302024砼运输、布料方式及泵车、拌车配置泵车配翻斗车施工方案(作业指导书)名称及编号《35kV 配电室施工方案》施工记录浇灌日期(年、月、日)作业班次气候气温(℃)浇灌停顿时间浇灌数量(m3)坍落度(mm)记 事值班长试块数量编号2024 年 04 月 17日1晴23~6℃无24.5140无李建红1 组 3块////////////////////施工缝留设说明,并另附图项目专业技术负责人: 项目专业质量检查员: 班组长:混凝土工程浇筑施工记录编号:126Z1-V3-02-003 SGJL Ⅴ-3工程名称太原清徐高花 110kV 变电站新建工程结构部位35kv 配电室零米以下构造柱、圈梁砼强度等级C30砼数量(m3)10施工单位山西省电建三公司清徐高花110kV 变电站项目部振搅方式插入式振捣砼来源商混砼浇灌通知单(浇灌令)编号0302024下载后可任意编辑砼运输、布料方式及泵车、拌车配置40 米长泵车施工方案(作业指导书)名称及编号《35kV 配电室施工方案》施工记录浇灌日期(年、月、日)作业班次气候气温(℃)浇灌停顿时间浇灌数量(m3)坍落度(mm)记 事值班长试块数量编号2024 年 4 月 23日1晴26~10℃无10145无李建红1 组 3块////////////////////施工缝留设说明,并另附图项目专业技术负责人: 项目专业质量检查员: 班组长:混凝土工程浇筑施工记录编号:126Z1-V3-02-005 SGJL Ⅴ-3工程名称太原清徐高花...

1、当您付费下载文档后,您只拥有了使用权限,并不意味着购买了版权,文档只能用于自身使用,不得用于其他商业用途(如 [转卖]进行直接盈利或[编辑后售卖]进行间接盈利)。
2、本站所有内容均由合作方或网友上传,本站不对文档的完整性、权威性及其观点立场正确性做任何保证或承诺!文档内容仅供研究参考,付费前请自行鉴别。
3、如文档内容存在违规,或者侵犯商业秘密、侵犯著作权等,请点击“违规举报”。

碎片内容

混凝土工程浇筑施工记录

您可能关注的文档

确认删除?
VIP
微信客服
  • 扫码咨询
会员Q群
  • 会员专属群点击这里加入QQ群
客服邮箱
回到顶部