电脑桌面
添加小米粒文库到电脑桌面
安装后可以在桌面快捷访问

2013年全国电子电子设计大赛第一阶段题目VIP专享VIP免费

2013年全国电子电子设计大赛第一阶段题目_第1页
1/7
2013年全国电子电子设计大赛第一阶段题目_第2页
2/7
2013年全国电子电子设计大赛第一阶段题目_第3页
3/7
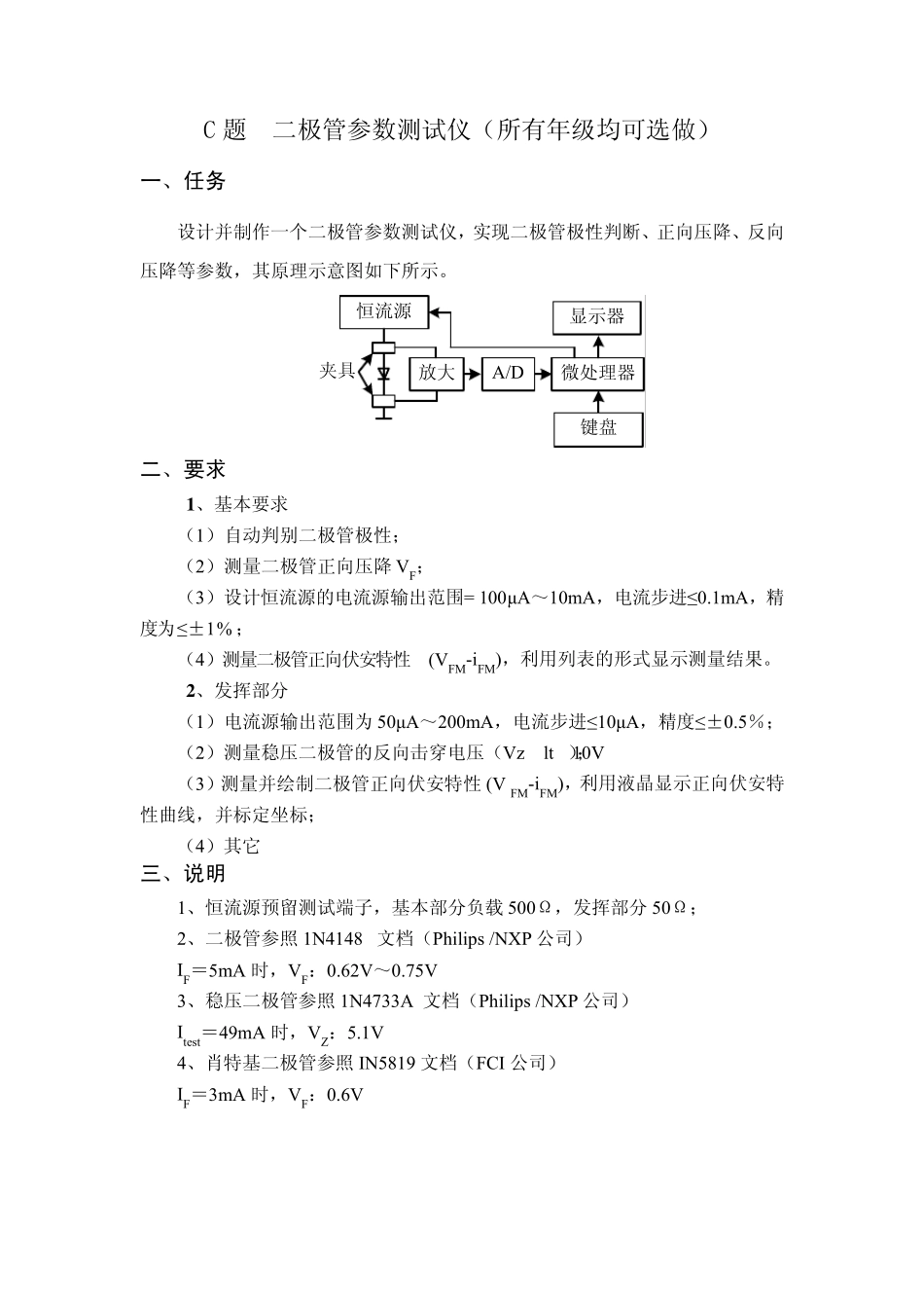
A 题 实用音频放大器(限12 级同学选做) 一、任务 设计并制作低频功率放大器。其原理示意图如下: 、 二、要求 1.基本要求 (1)在放大通道的正弦信号输入电压幅度为(5~700)mVpp,采用双电源供电,不大于±20V;等效负载电阻 RL 为8Ω 下,放大器应满足: ① 最大不失真输出功率POR≥8W;(波形无明显失真) ② 带宽 BW≥(40~20000)Hz;(功放部分) ③ 在POR 下的效率≥50%; ④在前置放大级输入端交流短接到地时,RL=8Ω 上的交流声 VPP≤400mV。 ⑤具有音量调节功能。 (功放部分只能采用分立元件或运放,若采用专用集成功放将酌情扣分) 2.发挥部分 ①制作数字音量控制电路(可以使用专用音响音量控制集成电路,也可用通用数字电路及单片机控制电路实现),用两只轻触开关分别实现音量的加减,控制等级不小于8 级。 ②制作两路音源选择电路,用一只轻触开关实现音源转换。 ③功能显示:音源选择显示,音量等级显示。 ④其它。 B 题 简易绘字系统(限11、12 级同学选做) MCU 光感应阵列板 B 点阵 C 手电筒 A 要求:如图完成自动绘字系统 图中A 为手电筒,光源移动可用X、Y 两个方向的电机控制。B 为光感应器件构成的阵列板,C 为LED 点阵。手电筒A 照射到光感应器阵列板上(B),阵列板将感应信号送至MCU,MCU 将接收到的光感应信号处理后,送至点阵,重现A 所绘字符。 一、 基本部分: 1、C 为4*4 点阵,手电筒在光感应板照射出“一”“│”“□”三种符号,最终在LED 点阵上重现三种符号。 2、光源与光感应器的距离小于 10CM。 3、未被照射到的部分,LED 不得点亮。 4、改变手电筒亮度,对应LED 亮度分两级可调。 5、手电筒绘制一个符号的时间不大于 5 秒。 二、发挥部分: 1、C 增加为8*8 点阵。 2、手电筒在光感应板上照射出“桂”“电”两个字符,最终在LED 点阵上重现两个字符。 3、光源与光感应器距离可增至30 厘米。 4、绘制一个字符的时间不大于 5 秒。 5、改变手电筒亮度,对应LED 亮度分四级可调。。 6、其它。 说明:手电筒可附加聚光装置,改变照射亮度可用增加不同的滤光片或改变 LED工作电流等方式。 C 题 二极管参数测试仪(所有年级均可选做) 一、任务 设计并制作一个二极管参数测试仪,实现二极管极性判断、正向压降、反向压降等参数,其原理示意图如下所示。 显示器微处理器恒流源键盘放大A/D夹具 二、要求 1 、基...

1、当您付费下载文档后,您只拥有了使用权限,并不意味着购买了版权,文档只能用于自身使用,不得用于其他商业用途(如 [转卖]进行直接盈利或[编辑后售卖]进行间接盈利)。
2、本站所有内容均由合作方或网友上传,本站不对文档的完整性、权威性及其观点立场正确性做任何保证或承诺!文档内容仅供研究参考,付费前请自行鉴别。
3、如文档内容存在违规,或者侵犯商业秘密、侵犯著作权等,请点击“违规举报”。

碎片内容

2013年全国电子电子设计大赛第一阶段题目

确认删除?
VIP
微信客服
  • 扫码咨询
会员Q群
  • 会员专属群点击这里加入QQ群
客服邮箱
回到顶部