电脑桌面
添加小米粒文库到电脑桌面
安装后可以在桌面快捷访问

2013隧道劳务单价最新VIP免费

2013隧道劳务单价最新_第1页
1/6
2013隧道劳务单价最新_第2页
2/6
2013隧道劳务单价最新_第3页
3/6
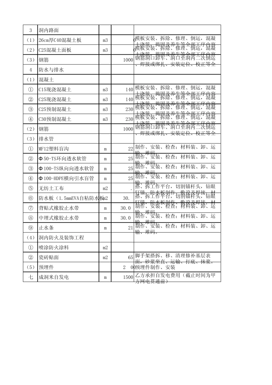
序 号项 目 名 称单 位劳 务 价工 作 内 容一洞 口 工 程1洞 口 、 明 洞 开 挖m310.5 路 基 清 表 , 土 方 挖 及 石 方 打 眼 爆 破 和石 方 解 小 、 装 、 运 输 、 卸 、 空 车 返 回( 1)挖 土 石 方2防 水 及 排 水( 1)M7.5浆 砌 片 石 截 水 沟m3210 挖 基 础 、 选 、 修 、 洗 石 料 , 搭 拆 脚 手架 , 混 凝 土 拌 制 、 浇 筑 、 振 捣 及 养 护3洞 口 坡 面 防 护( 1)M7.5浆 砌 片 石m3210 挖 基 础 、 选 、 修 、 洗 石 料 , 搭 拆 脚 手架 , 配 、 拌 、 运 砂 浆 , 砌 筑 、 勾 缝 、( 2)C20喷 射 混 凝 土m3180冲 洗 岩 面 , 搭 、 拆 脚 手 架 , 安 、 拆 、运 移 机 具 设 备 , 混 凝 土 制 作 、 喷 射 及( 3)钢 筋 网t1750 钢 筋 洞 口 卸 车 、 洞 口 至 洞 内 二 次 倒 运、 挂 网 、 点 焊 、 加 固 , 场 地 清 理 。( 4)Φ 22砂 浆 锚 杆m8钢 筋 洞 口 卸 车 、 洞 口 至 洞 内 二 次 倒 运、 搭 、 拆 脚 手 架 , 钻 孔 , 砂 浆 制 作 ,二洞 门 建 筑1C15混 凝 土m32C20混 凝 土m3180搭 、 拆 脚 手 架 , 模 板 安 、 拆 、 清 洗 ;浇 筑 、 振 捣 及 养 护3C25混 凝 土m34钢 筋t6M10浆 砌 料 ( 块 ) 石m3230 挖 基 础 、 选 、 修 、 洗 石 料 , 搭 拆 脚 手架 , 混 凝 土 拌 制 、 浇 筑 、 振 捣 及 养 护7外 墙 涂 装m235 原 材 料 运 输 、 施 作 、 移 动 脚 手 架 等 全部工 序 内 容 。三明 洞 衬砌1C15混 凝 土 仰拱回 填m358搭 、 拆 脚 手 架 , 模 板 安 、 拆 、 清 洗 ;浇 筑 、 振 捣 及 养 护 。2C25混 凝 土m3150 搭 、 拆 脚 手 架 , 模 板 安 、 拆 、 清 洗 ;浇 筑 、 振 捣 及 养 护 。3C25混 凝 土m3150 搭 、 拆 脚 手 架 , 模 板 安 、 拆 、 清 洗 ;浇 筑 、 振 捣 及 养 护 。4钢 筋t750 搭 、 拆 脚 手 架 , 模 板 安 、 拆 、 清 洗 ;浇 筑 、 振 捣 及 养 护 。四洞 顶回 填1回...

1、当您付费下载文档后,您只拥有了使用权限,并不意味着购买了版权,文档只能用于自身使用,不得用于其他商业用途(如 [转卖]进行直接盈利或[编辑后售卖]进行间接盈利)。
2、本站所有内容均由合作方或网友上传,本站不对文档的完整性、权威性及其观点立场正确性做任何保证或承诺!文档内容仅供研究参考,付费前请自行鉴别。
3、如文档内容存在违规,或者侵犯商业秘密、侵犯著作权等,请点击“违规举报”。

碎片内容

2013隧道劳务单价最新

小辰+ 关注
实名认证
内容提供者

出售各种文档和资料

确认删除?
VIP
微信客服
  • 扫码咨询
会员Q群
  • 会员专属群点击这里加入QQ群
客服邮箱
回到顶部