电脑桌面
添加小米粒文库到电脑桌面
安装后可以在桌面快捷访问

2015年造价工程师执业资格(建设工程造价案例分析)考试试题及答案VIP免费

2015年造价工程师执业资格(建设工程造价案例分析)考试试题及答案_第1页
1/16
2015年造价工程师执业资格(建设工程造价案例分析)考试试题及答案_第2页
2/16
2015年造价工程师执业资格(建设工程造价案例分析)考试试题及答案_第3页
3/16
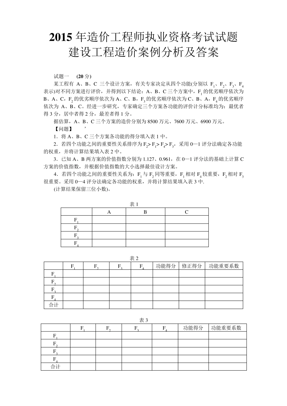
2 0 1 5 年造价工程师执业资格考试试题 建设工程造价案例分析及答案 试题一 (2 0 分) 某工程有A、B、C 三个设计方案,有关专家决定从四个功能(分别以F1、F2、F3、F4表示)对不同方案进行评价,并得到以下结论:A、B、C 三个方案中,F1 的优劣顺序依次为B、A、C,F2 的优劣顺序依次为A、C、B,F3 的优劣顺序依次为C、B、A,F4 的优劣顺序依次为A、B、C。经进一步研究,专家确定三个方案各功能的评价计分标准均为:最优者得3 分,居中者得2 分,最差者得1 分。 据估算,A、B、C 三个方案的造价分别为8500 万元、7600 万元、6900 万元。 【问题】 ’ 1.将A、B、C 三个方案各功能的得分填入表1 中。 2.若四个功能之间的重要性关系排序为F2> F1> F4> F3,采用0—1 评分法确定各功能 的权重,并将计算结果填入表2 中。 3.已知 A、B 两方案的价值指数分别为1.127、0.961,在 0—1 评分法的基础上计算C方案的价值指数,并根据价值指数的大小选择最佳设计方案。 4.若四个功能之间的重要性关系为:F1 与 F2 同等重要,F1 相对F4 较重要,F2 相对F3很重要。采用0—4 评分法确定各功能的权重,并将计算结果填入表3 中. (计算结果保留三位小数)。 表1 A B C F1 F2 F3 F4 表2 F1 F2 F3 F4 功能得分 修正得分 功能重要系数 F1 F2 F3 F4 合计 表3 F1 F2 F3 F4 功能得分 功能重要系数 F1 F2 F3 F4 合计 试题二 (2 0 分) 某生产建设项目基础数据如下: (1)按当地现行价格计算,项目的设备购置费为 2800 万元。已建类似项目的建筑工程费、安装工程费占设备购置费的比例分别为 45%、25%,由于时间、地点因素引起上述两项费用变化的综合调整系数为 1.1,项目的工程建设其他费用按 800 万元估算。 (2)项目建设期为 1 年,运营期为 10 年。 (3)项目建设投资来源为资本金和贷款,贷款总额 2000 万元,贷款年利率为 6%(按年计息),贷款合同约定的还款方式为运营期前 5 年等额还本、利息照付方式。 (4)项目建设投资全部形成固定资产,固定资产使用年限 10 年,残值率 5%,直线法折旧。 (5)项目流动资金 500 万元为自有资金,在运营期第 1 年投入。 (6)项目运营期第 1 年营业收入、经营成本、营业税金及附加分别为 1650 万元、880万元、99 万元。 (7)项目所得税税率 25%。 (8)项目计算时,不考虑预备费。 【问题】 1....

1、当您付费下载文档后,您只拥有了使用权限,并不意味着购买了版权,文档只能用于自身使用,不得用于其他商业用途(如 [转卖]进行直接盈利或[编辑后售卖]进行间接盈利)。
2、本站所有内容均由合作方或网友上传,本站不对文档的完整性、权威性及其观点立场正确性做任何保证或承诺!文档内容仅供研究参考,付费前请自行鉴别。
3、如文档内容存在违规,或者侵犯商业秘密、侵犯著作权等,请点击“违规举报”。

碎片内容

2015年造价工程师执业资格(建设工程造价案例分析)考试试题及答案

您可能关注的文档

确认删除?
VIP
微信客服
  • 扫码咨询
会员Q群
  • 会员专属群点击这里加入QQ群
客服邮箱
回到顶部