电脑桌面
添加小米粒文库到电脑桌面
安装后可以在桌面快捷访问

2015新版三体系内审检查表VIP免费

2015新版三体系内审检查表_第1页
1/27
2015新版三体系内审检查表_第2页
2/27
2015新版三体系内审检查表_第3页
3/27
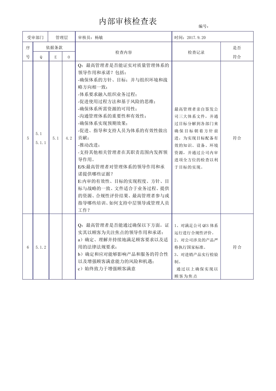
内部审核检查表 编号: 受审部门 管理层 审核员:杨敏 时间:2017.9.20 序号 依据条款 检查内容 检查记录 是否 符合 Q E O 1 4.1 4.1 4.1 Q:1、公司是否有企业简介,并能充分反应公司内部情况,如:背景、经营范围、财务表现、规模及设施、人力资源能力、技术优势、知识等(内部因素)及涉及法律法规和专利技术、市场占有率、主要合作伙伴及同行的影响、物理边界、信息渠道(外部因素)? 2、在工作例会或管理评审会上,公司是否对公司的内部和外部因素的相关信息进行监视、评价和更新? E:企业有无对这些内外部因素的相关信息进行监视和评审? E/S:有无文审组织的相关文件?行业地方的新的法规要求? E:组织的内部外部环境状况?有哪些需要应对和管理的风险和机遇?相关的会议纪要? 1.公司具有企业简介,并 能 充 分 反 应 公 司 背景、经营范围、规模和设施等内部情况。 2.公司已识别影响公司发展的内外部相关方,并定期评价。 3.公司建立了评审计划并按计划实施内审及评审,分析 了内外部的带来 的各 类 风险。 符合 2 4.2 4.2 Q:公司是否收 集 相关方需求及期望 (上级 及主要供 方及客 户 ) 包 括 : •顾 客 对事 物的要求,如符合性 ,价格 ,安 全性 •已与 顾 客 或外部供 应商 达 成 的合同 •行业规范及标 准 •和社 区 团 体 或非 政 府 组织的协 议 •法规法案 •备 忘 录 •许 可 ,执 照 或其 他 授 权 形 式 •监管机构 发布 的制 度 •条约 ,公约 及草 案 •和公共 机构 及顾 客 的协 议 •组织要求 •自 愿 原 则 或行为 规范 •自 愿 标 示 或环境承 诺 •组织契 约 合同的承 担 义 务 E:与 QEOH 有关的相关方是谁 ? 这些相关方的有关需求和期望 有哪些? 这些需求和期望 中 哪些是合规义 务?是否具备 相关的知识严 格 执 行? 有无对这些相关方及其 要求的相关信息进行监视和评审? 1.收 集 了顾 客 、供 方、员工和政 府 机构 相关方的需。 2.顾 客 的要求在合同中有记录。 3.有纸 质 版 合同。 4.相关方的要求满 足 。 5.符合国 家 相关标 准 及其 规 定的 义 务 和 我 责任 ,相关人员已经过 培训 。 6. 符合 内部审核检查表 编号: 受审部门 管理层 审核员:杨敏 时间:2017.9.20 序号 依据条款 检查内容 检查记...

1、当您付费下载文档后,您只拥有了使用权限,并不意味着购买了版权,文档只能用于自身使用,不得用于其他商业用途(如 [转卖]进行直接盈利或[编辑后售卖]进行间接盈利)。
2、本站所有内容均由合作方或网友上传,本站不对文档的完整性、权威性及其观点立场正确性做任何保证或承诺!文档内容仅供研究参考,付费前请自行鉴别。
3、如文档内容存在违规,或者侵犯商业秘密、侵犯著作权等,请点击“违规举报”。

碎片内容

2015新版三体系内审检查表

您可能关注的文档

小辰6+ 关注
实名认证
内容提供者

出售各种资料和文档

相关文档

确认删除?
VIP
微信客服
  • 扫码咨询
会员Q群
  • 会员专属群点击这里加入QQ群
客服邮箱
回到顶部