电脑桌面
添加小米粒文库到电脑桌面
安装后可以在桌面快捷访问

钢筋搭接长度要求一览表VIP免费

钢筋搭接长度要求一览表_第1页
1/4
钢筋搭接长度要求一览表_第2页
2/4
钢筋搭接长度要求一览表_第3页
3/4
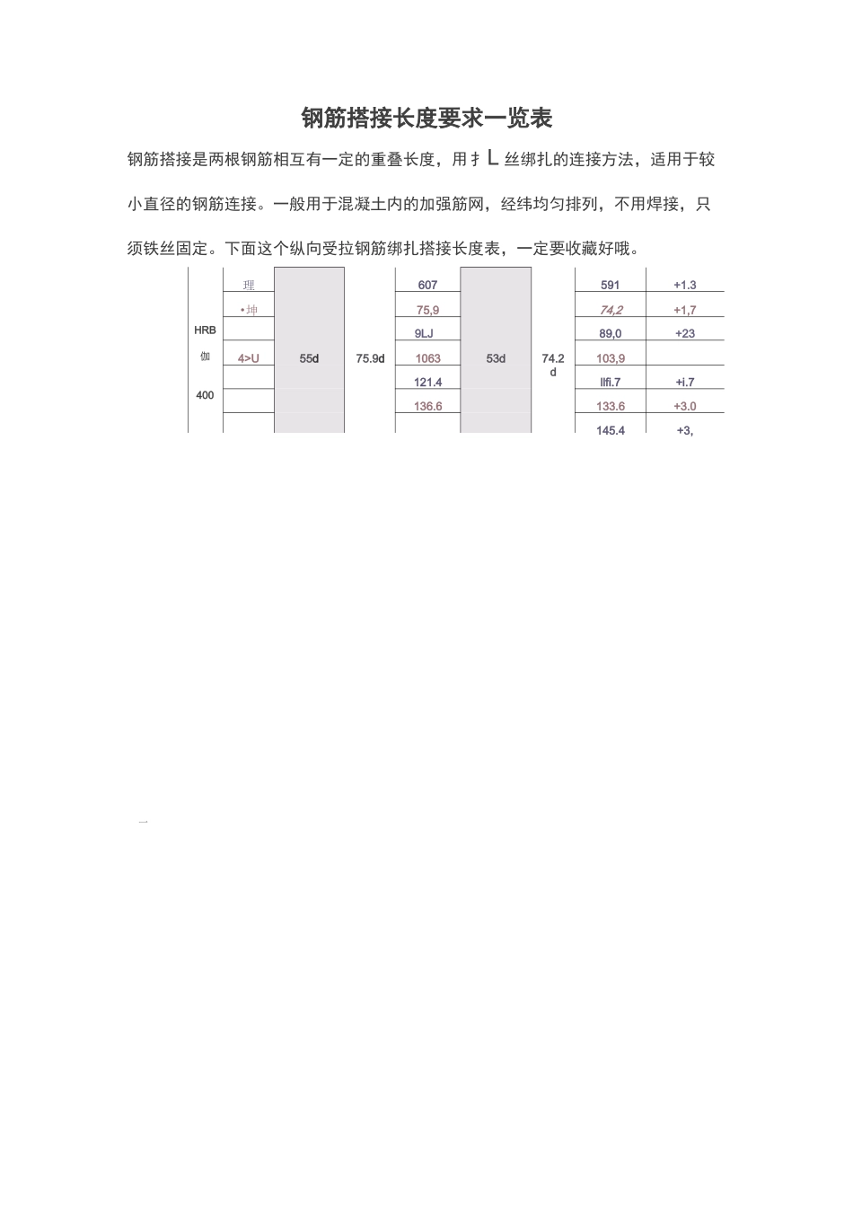
二HRB伽理55d75.9d60753d74.2591+1.3•坤75,974,2+1,79LJ89,0+234>U1063103,9121.4dllfi.7+i.7400136.6133.6+3.0145.4+3,钢筋搭接长度要求一览表钢筋搭接是两根钢筋相互有一定的重叠长度,用扌L 丝绑扎的连接方法,适用于较小直径的钢筋连接。一般用于混凝土内的加强筋网,经纬均匀排列,不用焊接,只须铁丝固定。下面这个纵向受拉钢筋绑扎搭接长度表,一定要收藏好哦。HPB33i37.830.2+2423530dAlAd41.427dd37.0+3L6■ftc5B.057.1+0.93HRB4>1J67.647.SG6.6+1.0二5104*1635d48.3d77.334d76.2+E13354>JS蚯 9dS5.7+k24*2046.6^5.2+L4-ffcIIPB23530d41.4d33J25d35d2S.0+5.]申 1041.435.0+6.43HRB01258.043.452.1+5.9二羅S3Sd48.3d67,631d60.&+6.833577.3de?.4+7.V*1S86.97B.19&6昭 8旳.8HRB400RKB40Q*s40rl5S.2d44.237d5L.8d4L4+2.B4>1055.251.5+3,4012込殳62.2+4.04>llT7.372.5+4.8<&16B8.332.9+5,499,493.2+6.2*20110.4103.6+6.8一厘23525d3<5d37.623d32.2d25.8+1 厨01034.532.3+5.349.74B.7+1.0HRBS8.040.656.8+1.2ee3Gd66.229d65.0+1.233S4>1$7<.5d73.1+1.482.86L2+k6帶38,638.1+0.S40047.6+0.712sa.oS7.i+0.0eu3Sd48.3d67.634d47.fi66.6+L.0RRBew77.3d76.2+1.1400a£.985.7+1.295,2+1.4说明:1、钢筋搭接接头面积百分率全部按大于 25%,但不大于 50%考虑。2、表中按 GB50204-2002 规定,搭接长度的计算公式为 lle=1.2x1.1Sx 纵向受拉钢筋最小搭接长度。其中 1.2 为钢筋搭接接头面积百分率修正系数,1.15 为抗震系数;纵向受拉钢筋最小搭接长度可查阅 GB50204-2002 附录 B 表 BQ.1。3、表中按 03G101-1 规定,搭接长度的计算公式为:lle=1.4xlae。其中 1.4 为纵向受拉钢筋搭接接头面积百分率修正系数,lae 为纵向受拉钢筋抗震锚固长度,可查阅03G101-1。4、普通工程的搭接长度按照设计指定的做法,可以依据图集,也可以依据规范。5、两根直径不同的钢筋搭接长度,以较细钢筋的直径计算。6、表中搭接长度(cm)的取值计算后,按“四舍五入”原则保留一位小数。

1、当您付费下载文档后,您只拥有了使用权限,并不意味着购买了版权,文档只能用于自身使用,不得用于其他商业用途(如 [转卖]进行直接盈利或[编辑后售卖]进行间接盈利)。
2、本站所有内容均由合作方或网友上传,本站不对文档的完整性、权威性及其观点立场正确性做任何保证或承诺!文档内容仅供研究参考,付费前请自行鉴别。
3、如文档内容存在违规,或者侵犯商业秘密、侵犯著作权等,请点击“违规举报”。

碎片内容

钢筋搭接长度要求一览表

确认删除?
VIP
微信客服
  • 扫码咨询
会员Q群
  • 会员专属群点击这里加入QQ群
客服邮箱
回到顶部