电脑桌面
添加小米粒文库到电脑桌面
安装后可以在桌面快捷访问

机电一体化设备组装与调试样题VIP免费

机电一体化设备组装与调试样题_第1页
1/7
机电一体化设备组装与调试样题_第2页
2/7
机电一体化设备组装与调试样题_第3页
3/7
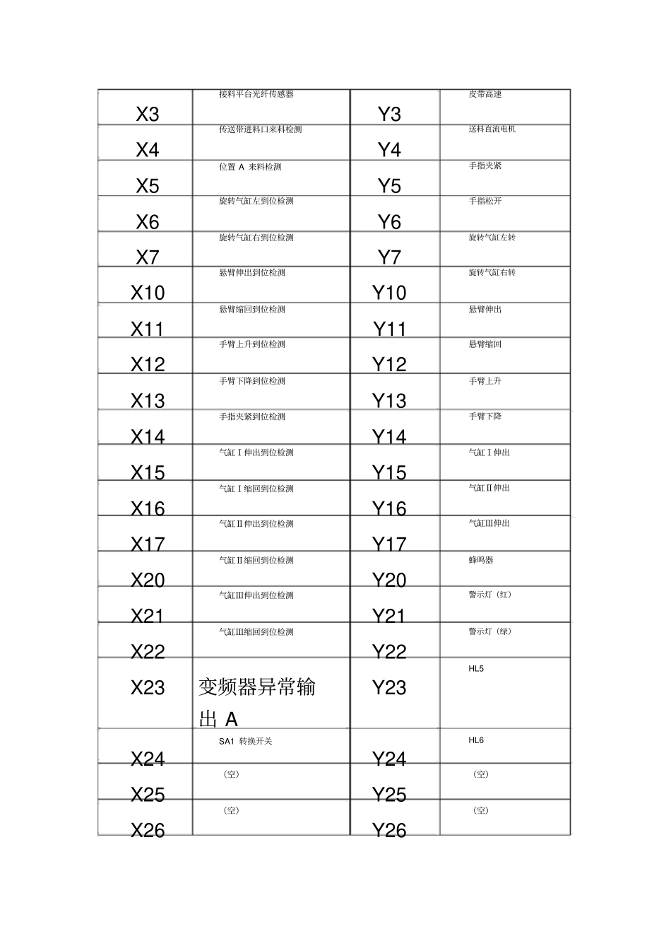
机电一体化设备组装与调试样题2016 年全国职业院校技能大赛选拔赛(中职组)机电一体化设备组装与调试赛项样题请你仔细阅读配料装置的工作说明,在240min 内,按要求完成下面的工作任务。在完成工作任务的过程中,请你遵守安全操作规程。工作任务与要求一、按《警示灯与接料平台组装图》组装警示灯和接料平台。二、按《配料装置组装图》组装配料装置,并满足图纸提出的技术要求,其中触摸屏的安装位置自定,要求安装合理方便操作。三、请你按《配料装置气动系统图》连接连接配料装置的气路。气管与接头的连接必须可靠,不漏气;气路的走向合理,符合安全要求;气管与信号线、导线等不能绑扎在一起。四、根据 PLC 输入输出端子( I/O )分配表,如表1 所示,在赛场提供的图纸上画出配料装置电气控制原理图并连接电路。你连接的电路应符合下列要求:1. 凡是你连接的导线,必须套上写有编号的编号管。交流电机金属外壳与变频器的接地极必须可靠接地。2. 工作台上各传感器、电磁阀控制线圈、送料直流电机、警示灯、触摸屏的连接线,必须放入线槽内;为减小对控制信号的干扰,工作台上交流电机的连接线不能放入线槽。表 1 PLC 输入输出端子( I/O )分配表输入端功能说输出端功能说子明子明X0 急停按钮Y0 皮带正转X1 接料平台光电传感器Y1 皮带低速接料平台电感式传感器皮带中速X2Y2 X3 接料平台光纤传感器Y3 X4 传送带进料口来料检测Y4 X5 位置 A 来料检测Y5 X6 旋转气缸左到位检测Y6 X7 旋转气缸右到位检测Y7 X10 悬臂伸出到位检测Y10 X11 悬臂缩回到位检测Y11 X12 手臂上升到位检测Y12 X13 手臂下降到位检测Y13 X14 手指夹紧到位检测Y14 X15 气缸Ⅰ伸出到位检测Y15 X16 气缸Ⅰ缩回到位检测Y16 X17 气缸Ⅱ伸出到位检测Y17 X20 气缸Ⅱ缩回到位检测Y20 X21 气缸Ⅲ伸出到位检测Y21 X22 气缸Ⅲ缩回到位检测Y22 X23 变频器异常输Y23 出 A X24 SA1 转换开关Y24 X25 (空)Y25 X26 (空)Y26 皮带高速送料直流电机手指夹紧手指松开旋转气缸左转旋转气缸右转悬臂伸出悬臂缩回手臂上升手臂下降气缸Ⅰ伸出气缸Ⅱ伸出气缸Ⅲ伸出蜂鸣器警示灯(红)警示灯(绿)HL5 HL6 (空)(空)(空)(空)X27Y27 五、请你正确理解配料装置的调试、配料要求以及触摸屏画面要求、正常工作过程和故障状态的处理等,编写配料装置的 PLC 控制程序、制作触摸屏画面和设置通讯参数、设置变频器的参数,其中...

1、当您付费下载文档后,您只拥有了使用权限,并不意味着购买了版权,文档只能用于自身使用,不得用于其他商业用途(如 [转卖]进行直接盈利或[编辑后售卖]进行间接盈利)。
2、本站所有内容均由合作方或网友上传,本站不对文档的完整性、权威性及其观点立场正确性做任何保证或承诺!文档内容仅供研究参考,付费前请自行鉴别。
3、如文档内容存在违规,或者侵犯商业秘密、侵犯著作权等,请点击“违规举报”。

碎片内容

机电一体化设备组装与调试样题

您可能关注的文档

确认删除?
VIP
微信客服
  • 扫码咨询
会员Q群
  • 会员专属群点击这里加入QQ群
客服邮箱
回到顶部