电脑桌面
添加小米粒文库到电脑桌面
安装后可以在桌面快捷访问

某地产维保管理制度范本VIP免费

某地产维保管理制度范本_第1页
1/37
某地产维保管理制度范本_第2页
2/37
某地产维保管理制度范本_第3页
3/37
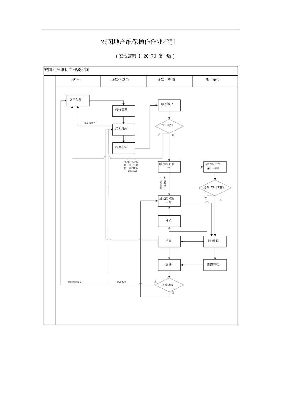
宏图地产维保操作作业指引( 宏地营销【 2017】第一版 )宏图地产维保工作流程图施工单位维保工程师维保信息员客户客户报修接待受理录入系统指派任务联系客户责任判定否不属于报修范围,向业主反馈;属物业问题转物业是联系施工单位确定施工方案、时间是否 24 小时内启动维保第三方相互推诿,不服从管理否发函是上门维修反馈跟进维修完成是否合格是否客户签字确认维护系统信息员回访1、目的为保证项目交付后磨合期维保工作的顺利进行,规范交付后工程返修,确保快速、 高效地处理项目保修期内的维修事务,提高磨合期业主维保满意度, 编制本操作指引以规范客服、物业条线的维保工作。2、磨合期(交付后1-4 个月)维保配置及管理架构2.1 城市公司客服部下设维保中心,维保中心基础配置为2 人,其中一人为维保工程师(负责责任判定、任务派单、维保监督),一人为信息员(宜为女性,负责报修系统日常维护及指派、结单、回访)。2.2 客服部维保中心维保工程师因编制有限,在交付后维保体量较大时,维保工程师由城市公司工程部工作人员担任,工程部维保工程师由客服部部长指定选择并上报平台战略运营、总工室、市场营销中心,经过平台决定后确定维保工程师人选;负责维保区域亦由客服部部长安排, 工程部维保工程师维保工作接受客服部部长管理,客服部部长对其拥有维保加扣分权力;工程部维保工程师选择为非资料管理员,宜为男性,职级为P3-P9 不等,工作经验为 5 年以上。维保工程师配置标准(含工程部维保工程师分摊人员):物业类型每 1 人负责维保标准(套)毛坯房精装房总体入住率≥ 50%总体入住率< 50%总体入住率≥ 50%总体入住率< 50%别墅50-70 70-150 30-50 60-100商业、住宅 80-100 100-150 50-70 90-1202.2 信息员和维保工程师事假、年假、休息时的人员调配由客服部部长调配;工程部维保工程师请假需向客服部部长报备并经过客服部部长同意。2.3 交付 4 个月后,物业公司下设维保工程师和信息员。2.4 维保管理架构3、磨合期维保阶段设置4、维保移交物业公司的前提条件及要求4.1 维保移交物业公司的条件4.1.1 满足磨合期总体交付率大于90%、无客户质量群诉(不包含设计等其他原因引起的群诉)、磨合期客户维保完工率大于90%,维保在项目交付后4 个月内按照程序办理维保交接;4.1.2 满足项目交付后4 个月,维保在项目交付后4 个月前启动办理交接物业公司;4.1.3 以上维保移交物业公司条件二者选其一,具...

1、当您付费下载文档后,您只拥有了使用权限,并不意味着购买了版权,文档只能用于自身使用,不得用于其他商业用途(如 [转卖]进行直接盈利或[编辑后售卖]进行间接盈利)。
2、本站所有内容均由合作方或网友上传,本站不对文档的完整性、权威性及其观点立场正确性做任何保证或承诺!文档内容仅供研究参考,付费前请自行鉴别。
3、如文档内容存在违规,或者侵犯商业秘密、侵犯著作权等,请点击“违规举报”。

碎片内容

某地产维保管理制度范本

您可能关注的文档

确认删除?
VIP
微信客服
  • 扫码咨询
会员Q群
  • 会员专属群点击这里加入QQ群
客服邮箱
回到顶部