电脑桌面
添加小米粒文库到电脑桌面
安装后可以在桌面快捷访问

潍坊市施工企业安全评价细则VIP免费

潍坊市施工企业安全评价细则_第1页
1/12
潍坊市施工企业安全评价细则_第2页
2/12
潍坊市施工企业安全评价细则_第3页
3/12
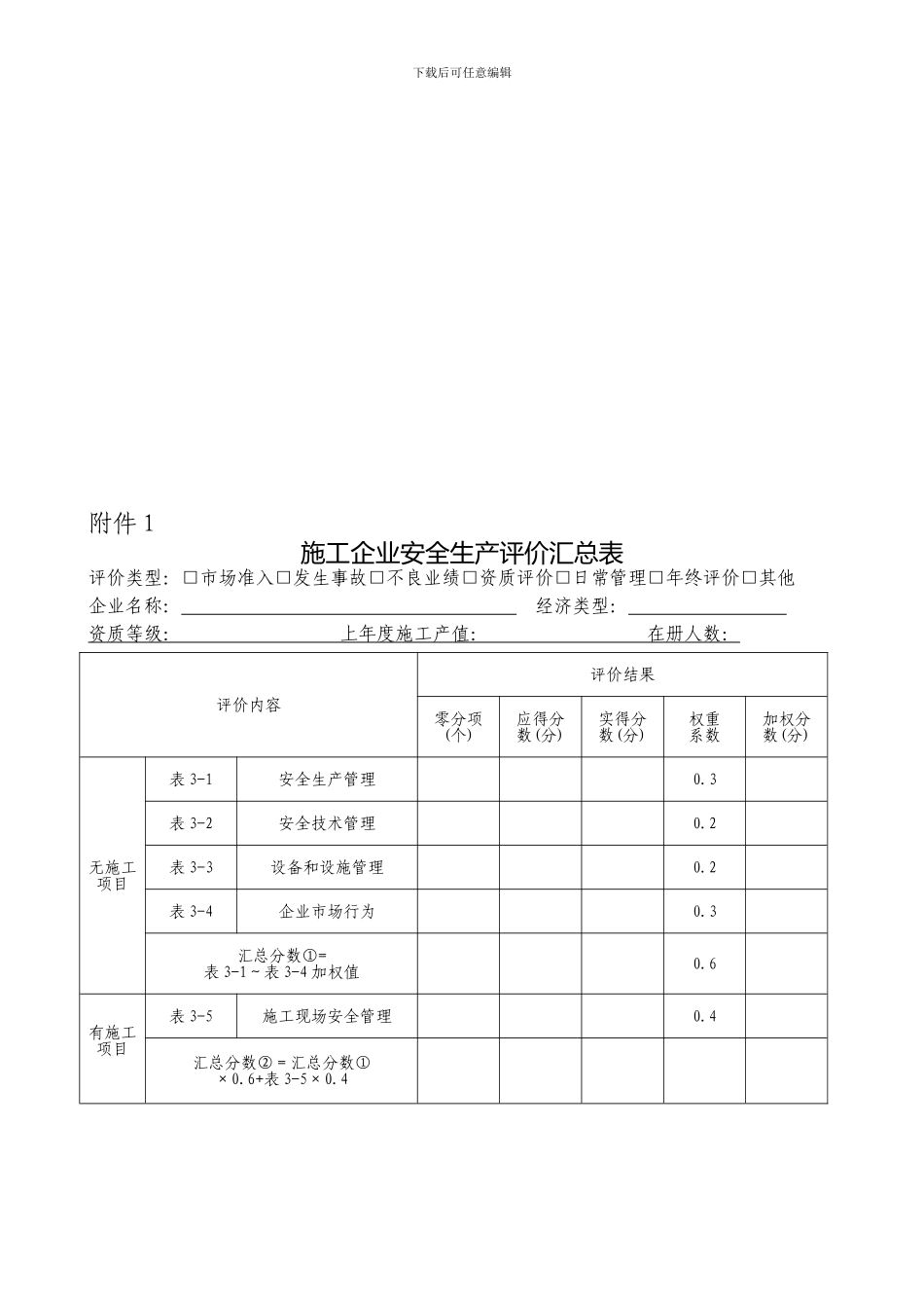
下载后可任意编辑本页为作品封面,下载后可以自由编辑删除,欢迎下载!!! 精 品文档1【精品 word 文档、可以自由编辑!】 潍坊市建筑施工企业安全生产评价实施细则(试行)第一条 为加强建筑施工安全生产监督管理,完善建筑施工企业安全生产条件,防止和减少安全生产事故,根据《安全生产法》、《建设工程安全生产管理条例》、《安全生产许可证条例》、《施工企业安全生产评价标准》(JGJ/T77—2024)等法律法规,结合我市实际,制定本细则。第二条 在潍坊市行政区域内从事建筑施工活动的建筑施工企业,应当遵守本细则。本细则所称建筑施工企业,是指从事土木工程、建筑工程、线路管道和设备安装工程、装修工程的企业。第三条 市监督站负责全市建筑施工企业安全生产评价的监督管理工作,县市区建筑施工安全监督管理部门负责本行政区域内的建筑施工企业安全生产评价工作。 建筑施工企业安全生产评价实行年度评价制度,实行企业自评和各县市区建筑施工安全监督管理部门检查复核,市监督站抽查复核的办法进行。第四条 建筑施工企业应当建立安全生产评价制度,依据《施工企业安全生产评价标准》JGJ/T77-2024(以下简称《评价标准》)开展自我评价,确保达到规定的安全生产条件。下载后可任意编辑第五条 施工企业安全生产条件应按安全生产管理、安全技术管理、设备和设施管理、企业市场行为和施工现场安全管理 5 项内容进行考核,并应按本细则附件 3 中的内容具体实施考核评价。第六条 施工企业自评应由企业负责人组织,评价人员应具备企业安全管理及相关专业能力,各相关管理部门均应参加。第七条 建筑施工企业自我评价后,在每年 1 月 1 日前将评价情况和结论报当地建筑施工安全监督管理部门申请复核,并提交下列资料: 1、建筑施工企业安全生产评价汇总表(附件 1);2、建筑施工企业安全生产自评情况报告及安全生产评价表(附件 3);3、建筑企业法人营业执照、企业资质证书、企业安全生产许可证;4、企业安全生产管理机构设置及安全管理人员配备情况;5、企业安全生产责任制以及安全生产管理资金保障、安全教育培训、安全检查、事故报告处理、事故应急救援预案等安全生产规章制度及落实情况;6、企业主要负责人、项目负责人和专职安全管理人员安全生产考核合格证书、企业特种作业人员操作资格证书;7、工程项目安全生产检查台台帐;8、各类安全生产奖励和处罚证明资料;9、其他有关安全生产资料。建筑施工企业应当对自我...

1、当您付费下载文档后,您只拥有了使用权限,并不意味着购买了版权,文档只能用于自身使用,不得用于其他商业用途(如 [转卖]进行直接盈利或[编辑后售卖]进行间接盈利)。
2、本站所有内容均由合作方或网友上传,本站不对文档的完整性、权威性及其观点立场正确性做任何保证或承诺!文档内容仅供研究参考,付费前请自行鉴别。
3、如文档内容存在违规,或者侵犯商业秘密、侵犯著作权等,请点击“违规举报”。

碎片内容

潍坊市施工企业安全评价细则

范哲铺+ 关注
实名认证
内容提供者

想你所想,急你所急,你需要的都在店铺里可以找到。

确认删除?
VIP
微信客服
  • 扫码咨询
会员Q群
  • 会员专属群点击这里加入QQ群
客服邮箱
回到顶部