电脑桌面
添加小米粒文库到电脑桌面
安装后可以在桌面快捷访问

电梯施工自检报告书VIP免费

电梯施工自检报告书_第1页
1/15
电梯施工自检报告书_第2页
2/15
电梯施工自检报告书_第3页
3/15
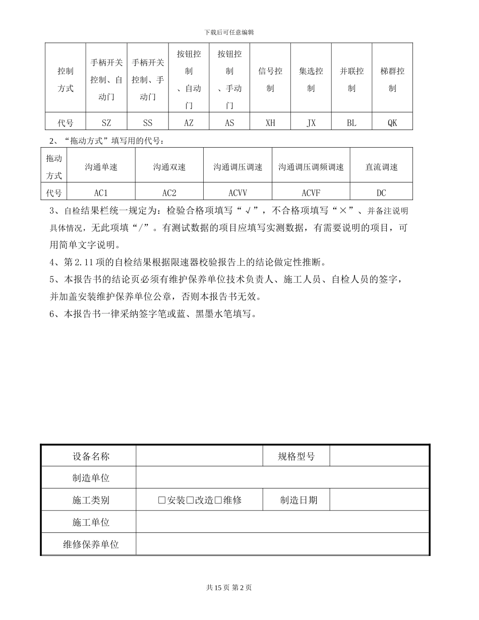
下载后可任意编辑电梯施工自检报告—有机房曳引驱动电梯使用单位 设备编号 出厂编号 工程地点 开工告知书编号 填写说明及要点1、“控制方式” 填写用的代号:共 15 页 第 1 页下载后可任意编辑控制方式手柄开关控制、自动门手柄开关控制、手动门按钮控制、自动门按钮控制、手动门信号控制集选控制并联控制梯群控制代号SZSSAZASXHJXBLQK2、“拖动方式”填写用的代号:拖动方式沟通单速沟通双速沟通调压调速沟通调压调频调速直流调速代号AC1AC2ACVVACVFDC3、自检结果栏统一规定为:检验合格项填写“√”,不合格项填写“×”、并备注说明具体情况,无此项填“/”。有测试数据的项目应填写实测数据,有需要说明的项目,可用简单文字说明。4、第 2.11 项的自检结果根据限速器校验报告上的结论做定性推断。5、本报告书的结论页必须有维护保养单位技术负责人、施工人员、自检人员的签字,并加盖安装维护保养单位公章,否则本报告书无效。6、本报告书一律采纳签字笔或蓝、黑墨水笔填写。 设备名称规格型号制造单位施工类别□安装□改造□维修制造日期施工单位维修保养单位共 15 页 第 2 页下载后可任意编辑设备技术参数额定载重量kg额定速度m/s层站数 层 站控制方式拖动方式曳引机型号曳引机编号自 检 结 论自检人员(签字):检查日期: 年 月 日施工单位(盖章):(公章或检验合格章) 技术负责人(签字):备注序号检验项目及类别检验内容与要求自检结果11技术资料1.1制造资料电梯制造单位提供了以下用中文描述的出厂随机文件:(1)制造许可证明文件,其范围能够覆盖所提供电梯的相应参数;(2)电梯整机型式试验合格证书或者报告书,其内容能够覆盖所提供电梯的相应参数;(3)产品质量证明文件,注有制造许可证明文件编号、该电梯的产品出厂编号、主要技术参数,以及门锁装置、限速器、安全钳、缓冲器、含有电子元件的安全电路(假如有)、轿厢上行超速保护装置、驱动主机、控制柜等安全保护装置和主要部件的型号和编号等内容,并且有电梯整机制造单位的公章或者检验合格章以及出厂日期;(4)门锁装置、限速器、安全钳、缓冲器、含有电子元件的安全电路(假如有)、轿厢上行超速保护装置、驱动主机、控制柜等安全保护装置和主要部件的型式试验合格证,以及限速器和渐进式安全钳的调试证书; 共 15 页 第 3 页下载后可任意编辑序号检验项目及类别检验内容与要求自检结果(5)机房或者机器设备间及井道布置图,其顶层高度、...

1、当您付费下载文档后,您只拥有了使用权限,并不意味着购买了版权,文档只能用于自身使用,不得用于其他商业用途(如 [转卖]进行直接盈利或[编辑后售卖]进行间接盈利)。
2、本站所有内容均由合作方或网友上传,本站不对文档的完整性、权威性及其观点立场正确性做任何保证或承诺!文档内容仅供研究参考,付费前请自行鉴别。
3、如文档内容存在违规,或者侵犯商业秘密、侵犯著作权等,请点击“违规举报”。

碎片内容

电梯施工自检报告书

确认删除?
VIP
微信客服
  • 扫码咨询
会员Q群
  • 会员专属群点击这里加入QQ群
客服邮箱
回到顶部