电脑桌面
添加小米粒文库到电脑桌面
安装后可以在桌面快捷访问

电站厂房土建工程帷幕灌浆施工方案VIP免费

电站厂房土建工程帷幕灌浆施工方案_第1页
1/11
电站厂房土建工程帷幕灌浆施工方案_第2页
2/11
电站厂房土建工程帷幕灌浆施工方案_第3页
3/11
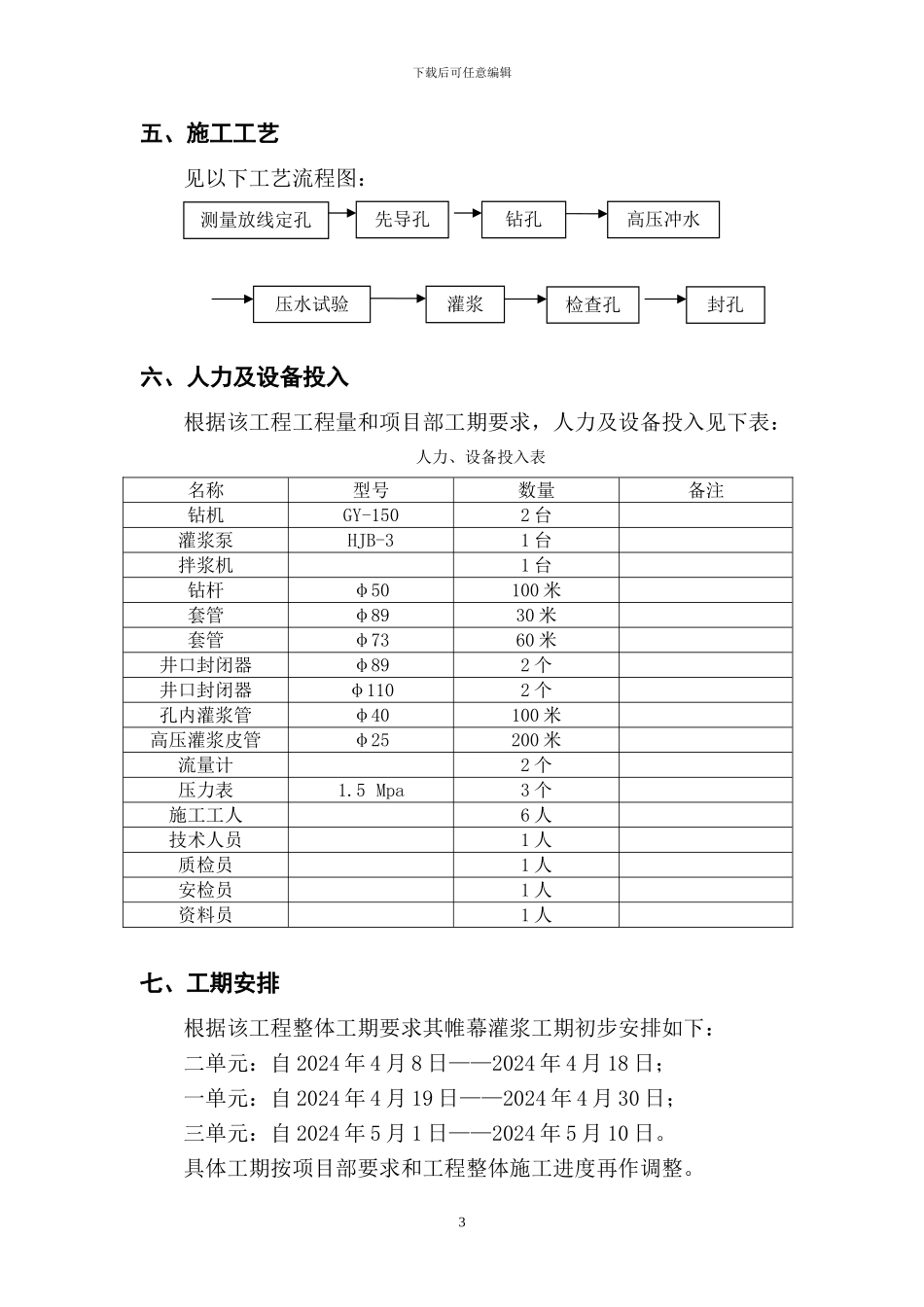
下载后可任意编辑目 录一、工程概况................................................................................................................3二、工程地质条件及技术要求....................................................................................3三、灌区及灌浆单元的划分........................................................................................31、灌区的划分.......................................................................................................32、灌浆单元的划分...............................................................................................4四、帷幕灌浆试验的确定............................................................................................4五、施工工艺................................................................................................................4六、人力及设备投入....................................................................................................4七、工期安排................................................................................................................5八、质量控制措施........................................................................................................51、测量放线布孔...................................................................................................52、灌浆段的划分...................................................................................................53、帷幕下线的确定原则.......................................................................................54、钻孔...................................................................................................................65、冲洗...................................................................................................................66、压水试验...........................................................................................................67、灌浆材料和浆液的配制...................................................................

1、当您付费下载文档后,您只拥有了使用权限,并不意味着购买了版权,文档只能用于自身使用,不得用于其他商业用途(如 [转卖]进行直接盈利或[编辑后售卖]进行间接盈利)。
2、本站所有内容均由合作方或网友上传,本站不对文档的完整性、权威性及其观点立场正确性做任何保证或承诺!文档内容仅供研究参考,付费前请自行鉴别。
3、如文档内容存在违规,或者侵犯商业秘密、侵犯著作权等,请点击“违规举报”。

碎片内容

电站厂房土建工程帷幕灌浆施工方案

您可能关注的文档

确认删除?
VIP
微信客服
  • 扫码咨询
会员Q群
  • 会员专属群点击这里加入QQ群
客服邮箱
回到顶部