电脑桌面
添加小米粒文库到电脑桌面
安装后可以在桌面快捷访问

竣工文件编制实施细则VIP免费

竣工文件编制实施细则_第1页
1/51
竣工文件编制实施细则_第2页
2/51
竣工文件编制实施细则_第3页
3/51
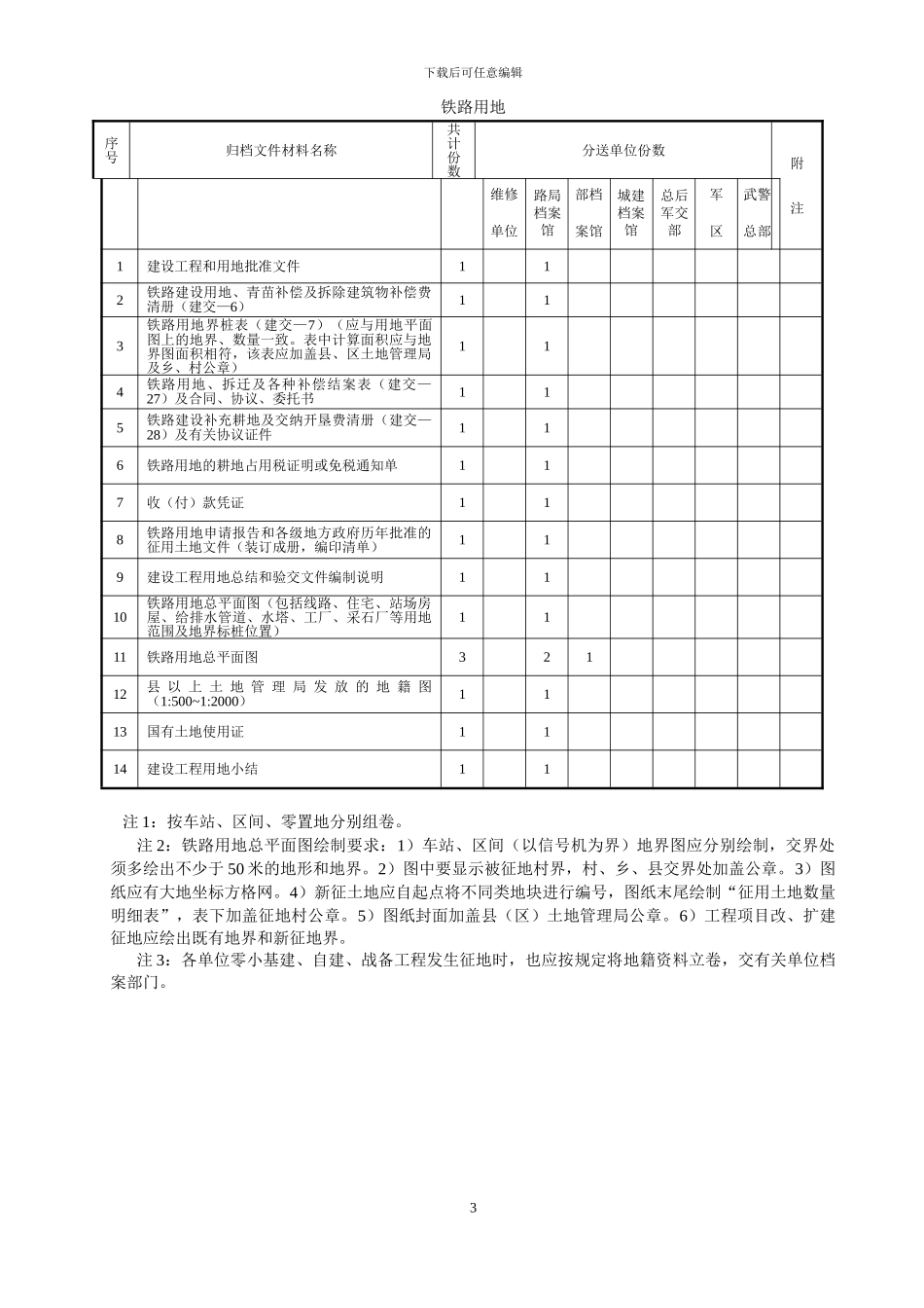
下载后可任意编辑附件 2:各类归档文件的组成内容各类归档文件的组成内容各专业归档文件文件内容主要参考铁道部办档[2024]8 号文件,同时结合工程技术特点和要求。本项目 100 米以上(含 100 米)的大桥、3 公里以上(含 3 公里)隧道、站场、1000 平方米房屋其竣工文件必须加施工组织设计。新建铁路建设项目的归档文件由综合、线路、路基、桥梁、涵洞、隧道、站场、动车、给水排水、通信、信号、电力、电气化、房建、环境保护与水土保持、铁路用地、消防工程等专业组成。各专业归档文件的组成见下表。 建设前期、工程管理文件序号归档文件材料名称共计份数分送单位份数附 注维修单位路局档案馆部档案馆城建档案馆总后军交部军区武警总部1项目建议书及批复文件112可行性讨论报告及批复文件113计划任务书及批复文件114设计任务书115有关职能部门(人防、环保、消防、防疫、节水、抗震、劳动、卫生等)的审批文件116勘察、测绘及初步设计文件117技术设计文件118施工设计文件(含变更设计单)11全套9勘察、设计招投标文件及合同1110施工招标文件及合同111下载后可任意编辑11工程监理招标文件及合同1112水、暖、电、气供应协议书、外协合同1113工程停、复工、延期文件1114质量事故报告及处理材料1115工程质量检验报告(以整个项目或区段的所有单位工程质量评定结果为依据,列表计算出合格庇和优良率,对存在的质量问题提出检验数据)1116其他与建设项目有关的协议、纪要及公文1117工程开工、施工、竣工的音像资料、照片11 注 1:按文件种类组卷。2下载后可任意编辑铁路用地序号归档文件材料名称共计份数分送单位份数附 注维修单位路局档案馆部档案馆城建档案馆总后军交部军区武警总部1建设工程和用地批准文件112铁路建设用地、青苗补偿及拆除建筑物补偿费清册(建交—6)113铁路用地界桩表(建交—7)(应与用地平面图上的地界、数量一致。表中计算面积应与地界图面积相符,该表应加盖县、区土地管理局及乡、村公章)114铁路用地、拆迁及各种补偿结案表(建交—27)及合同、协议、委托书115铁路建设补充耕地及交纳开垦费清册(建交—28)及有关协议证件116铁路用地的耕地占用税证明或免税通知单117收(付)款凭证118铁路用地申请报告和各级地方政府历年批准的征用土地文件(装订成册,编印清单)119建设工程用地总结和验交文件编制说明1110铁路用地总平面图(包括线路、住宅、站场房屋、给排水管道、水塔、工厂、采石厂等用地范围及地界...

1、当您付费下载文档后,您只拥有了使用权限,并不意味着购买了版权,文档只能用于自身使用,不得用于其他商业用途(如 [转卖]进行直接盈利或[编辑后售卖]进行间接盈利)。
2、本站所有内容均由合作方或网友上传,本站不对文档的完整性、权威性及其观点立场正确性做任何保证或承诺!文档内容仅供研究参考,付费前请自行鉴别。
3、如文档内容存在违规,或者侵犯商业秘密、侵犯著作权等,请点击“违规举报”。

碎片内容

竣工文件编制实施细则

雏圣文化+ 关注
实名认证
内容提供者

欢迎光临,大量办公文档供您挑选。

确认删除?
VIP
微信客服
  • 扫码咨询
会员Q群
  • 会员专属群点击这里加入QQ群
客服邮箱
回到顶部