电脑桌面
添加小米粒文库到电脑桌面
安装后可以在桌面快捷访问

第一次工地会议纪要VIP免费

第一次工地会议纪要_第1页
1/5
第一次工地会议纪要_第2页
2/5
第一次工地会议纪要_第3页
3/5
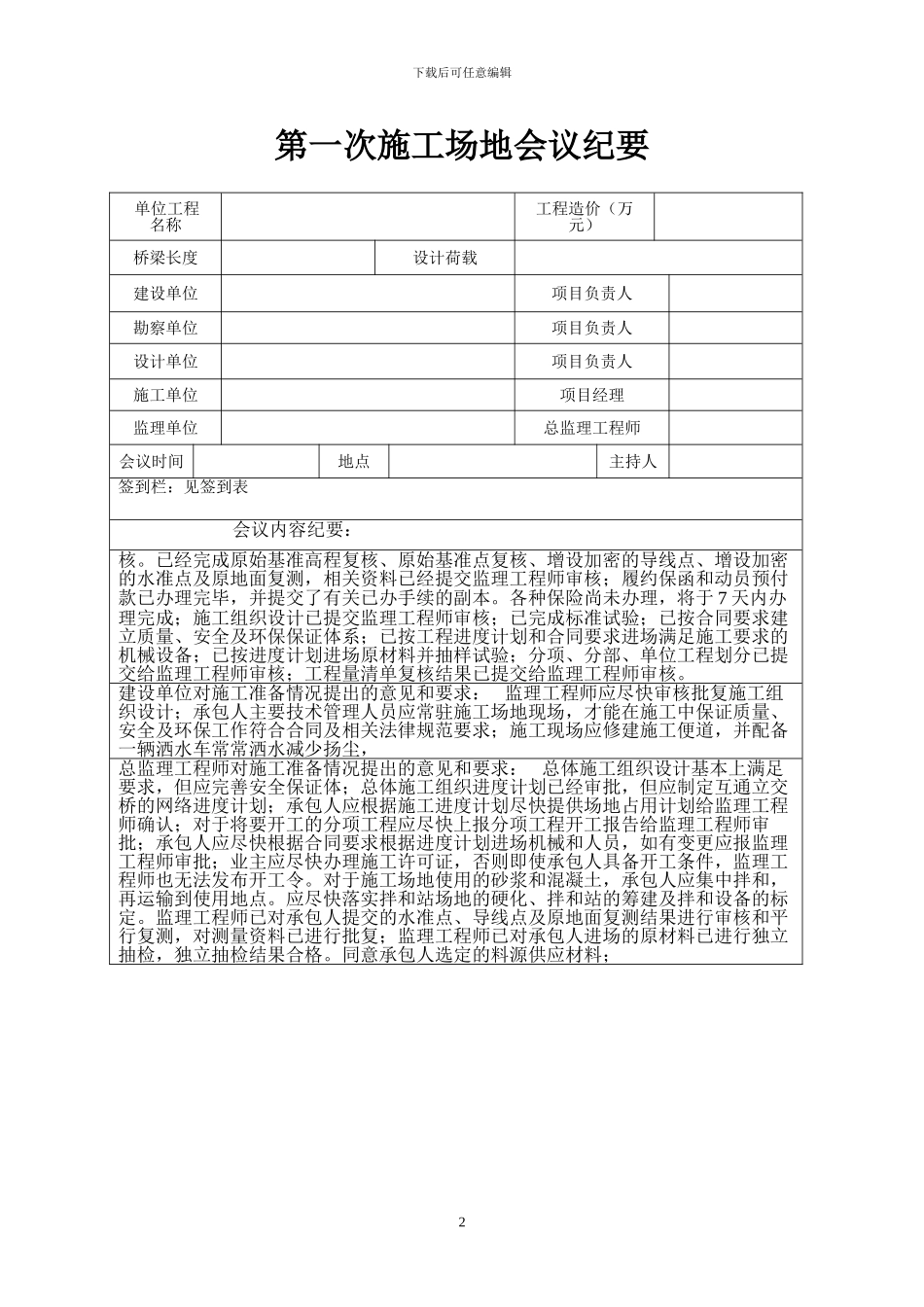
下载后可任意编辑第一次施工场地会议纪要单位工程名称工程造价(万元)万元桥梁长度设计荷载建设单位项目负责人勘察单位项目负责人设计单位项目负责人施工单位项目经理监理单位总监理工程师会议时间地点主持人签到栏:见签到表 会议内容纪要:建设单位驻现场的组织机构、人员及分工情况: ***担任指挥长;***担任工程部部长及本项目负责人施工单位驻现场的组织机构、人员及分工情况: ***担任项目经理;***担任项目副经理;***担任项目总工程师;***担任项目副总工;***担任安全员;***担任施工员;***担任质检员;***担任测量员;***担任预算员;***担任资料员。监理单位驻现场的组织机构、人员及分工情况: ***担任总监理工程师;***担任专业监理工程师;***担任见证员兼监理员;***担任监理员。建设单位根据委托单位监理合同宣布对总监理工程师的授权: 同意陈敏担任本项目的总监理工程师,授权陈敏根据监理合同的有关条款全面负责委托监理合同的履行、主持项目监理机构工作。承包单位应接受陈敏总监的监督和管理。建设单位介绍工程开工准备情况: 目前征地拆迁可以满足开工需要,只有道路工程有部分地段尚未拆迁,承包单位应根据征地拆迁情况安排施工。施工许可证尚未办理,估量六天内可办理施工许可证。施工时,本工程范围以外可利用旧路作为便道,施工场地周围已经通水、通电及通信等满足开工条件。施工单位介绍工程开工准备情况: 主要施工人员(含项目负责人、主要技术人员及主要机械手)已经进场,并已提交进场人员名单;用于工程的本地材料来源已经落实,并已提交料源分布图及供料计划清单;施工驻地及临时工程建设已经完成,并已提交驻地及临时工程建设布置图;本项目的试验工作已委托有资质的试验检测机构;施工测量的基础资料已经落实并经过复1下载后可任意编辑第一次施工场地会议纪要单位工程名称工程造价(万元)桥梁长度设计荷载建设单位项目负责人勘察单位项目负责人设计单位项目负责人施工单位项目经理监理单位总监理工程师会议时间地点主持人签到栏:见签到表 会议内容纪要:核。已经完成原始基准高程复核、原始基准点复核、增设加密的导线点、增设加密的水准点及原地面复测,相关资料已经提交监理工程师审核;履约保函和动员预付款已办理完毕,并提交了有关已办手续的副本。各种保险尚未办理,将于 7 天内办理完成;施工组织设计已提交监理工程师审核;已完成标准试验;已按合同要求建立质量、安全及环保保证体系;...

1、当您付费下载文档后,您只拥有了使用权限,并不意味着购买了版权,文档只能用于自身使用,不得用于其他商业用途(如 [转卖]进行直接盈利或[编辑后售卖]进行间接盈利)。
2、本站所有内容均由合作方或网友上传,本站不对文档的完整性、权威性及其观点立场正确性做任何保证或承诺!文档内容仅供研究参考,付费前请自行鉴别。
3、如文档内容存在违规,或者侵犯商业秘密、侵犯著作权等,请点击“违规举报”。

碎片内容

第一次工地会议纪要

确认删除?
VIP
微信客服
  • 扫码咨询
会员Q群
  • 会员专属群点击这里加入QQ群
客服邮箱
回到顶部