电脑桌面
添加小米粒文库到电脑桌面
安装后可以在桌面快捷访问

联美国贸天域SCD200电梯施工方案VIP免费

联美国贸天域SCD200电梯施工方案_第1页
1/14
联美国贸天域SCD200电梯施工方案_第2页
2/14
联美国贸天域SCD200电梯施工方案_第3页
3/14
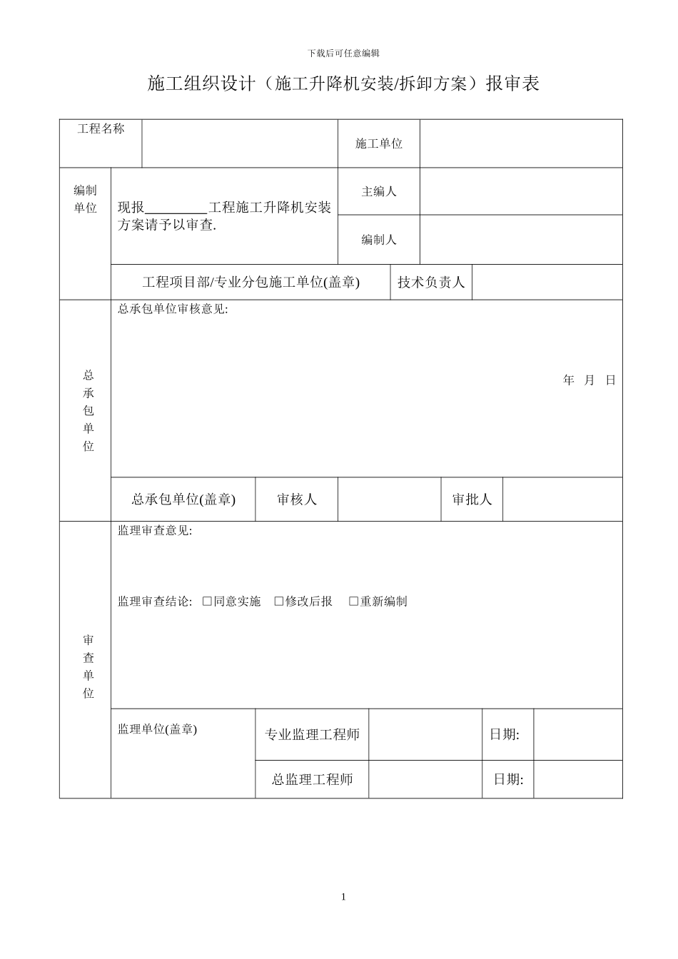
下载后可任意编辑施工组织设计(施工升降机安装/拆卸方案)报审表工程名称施工单位 编制单位现报 工程施工升降机安装方案请予以审查.主编人 编制人 工程项目部/专业分包施工单位(盖章)技术负责人 总承包单位总承包单位审核意见:年 月 日总承包单位(盖章)审核人审批人审查单位监理审查意见:监理审查结论: □同意实施 □修改后报 □重新编制监理单位(盖章)专业监理工程师日期:总监理工程师日期:1下载后可任意编辑生产厂家:厦门天一重工机械设备有限公司 设备名称:施工升降机 型号规格:SCD200/200施 工 升 降 机安装拆卸方案工程名称: 编制单位: 编制日期: 2024 年 月 日 施工升降机安装施工方案一、 工程概况:2下载后可任意编辑1、本工程位于 ,由 设计,由 监理, 施工。现需安装 贰 台厦门天一重工机械设备有限公司生产的SC D 200/20 0 型施工升降机。2、结构设计概况厦门国贸天域工程,总建筑面积为 平方米,建筑层数为 层,建筑高度总高度 米。电梯安装首次高度为 米。最终高度为 米。二、编制依据1、依据 SCD200/200 型电梯使用说明书编制2、《福建省建筑施工安全管理资料编写指南》3、《建筑机械使用安全技术规程》(JGJ33-2001)4、《施工电梯安全技术规则》(JB10055)5、《建筑施工起重机械安全检测规程》(DBJ13-67-2024)三、施工升降机型号选择1、选择福建建涌机械设备有限公司生产的施工升降机 型号规格 :SCD200/200 型。2、主要性能参数:额定载重量 2000/2000kg、额定提升速度 33m/min、最大提升高度 150m、工作电流 100A、电机功率 44KW、安全器型号 SAJ30-1.23、构造原理简介:本机主要由导轨架、驱动体、驱动单元、电气系统、安全器座板、防坠安全器、限位装置、上电箱、吊笼、下电箱、底架护栏、电缆导架、附着装置、电缆臂架、手动起重机、滑车系统、天轮对重系统等组成。四、装装/拆卸实施要求1、对安装人员的要求(1)安装人员必须经过专业培训,考核合格并取得国家技术质量监督部门颁发的“特种设备作业人员操作证”后才能上岗;并熟悉本机的主要性能和特点,具备熟练的机械操作技能和排除一般故障的能力。(2)安装人员需要身体健康,无恐高症,无高血压,心脏等疾病。(3)安装人员必须配戴必要的安全用品,如安全帽,安全带等,并正确使用。(4)安装人员应听从指挥,各守其职,不得擅自离开或互相调换岗位;严禁酒后作业。(5)风速 5 级以上或雨雪天气禁止安装作业。(6...

1、当您付费下载文档后,您只拥有了使用权限,并不意味着购买了版权,文档只能用于自身使用,不得用于其他商业用途(如 [转卖]进行直接盈利或[编辑后售卖]进行间接盈利)。
2、本站所有内容均由合作方或网友上传,本站不对文档的完整性、权威性及其观点立场正确性做任何保证或承诺!文档内容仅供研究参考,付费前请自行鉴别。
3、如文档内容存在违规,或者侵犯商业秘密、侵犯著作权等,请点击“违规举报”。

碎片内容

联美国贸天域SCD200电梯施工方案

确认删除?
VIP
微信客服
  • 扫码咨询
会员Q群
  • 会员专属群点击这里加入QQ群
客服邮箱
回到顶部