电脑桌面
添加小米粒文库到电脑桌面
安装后可以在桌面快捷访问

西冲特大桥防撞栏施工方案VIP免费

西冲特大桥防撞栏施工方案_第1页
1/12
西冲特大桥防撞栏施工方案_第2页
2/12
西冲特大桥防撞栏施工方案_第3页
3/12
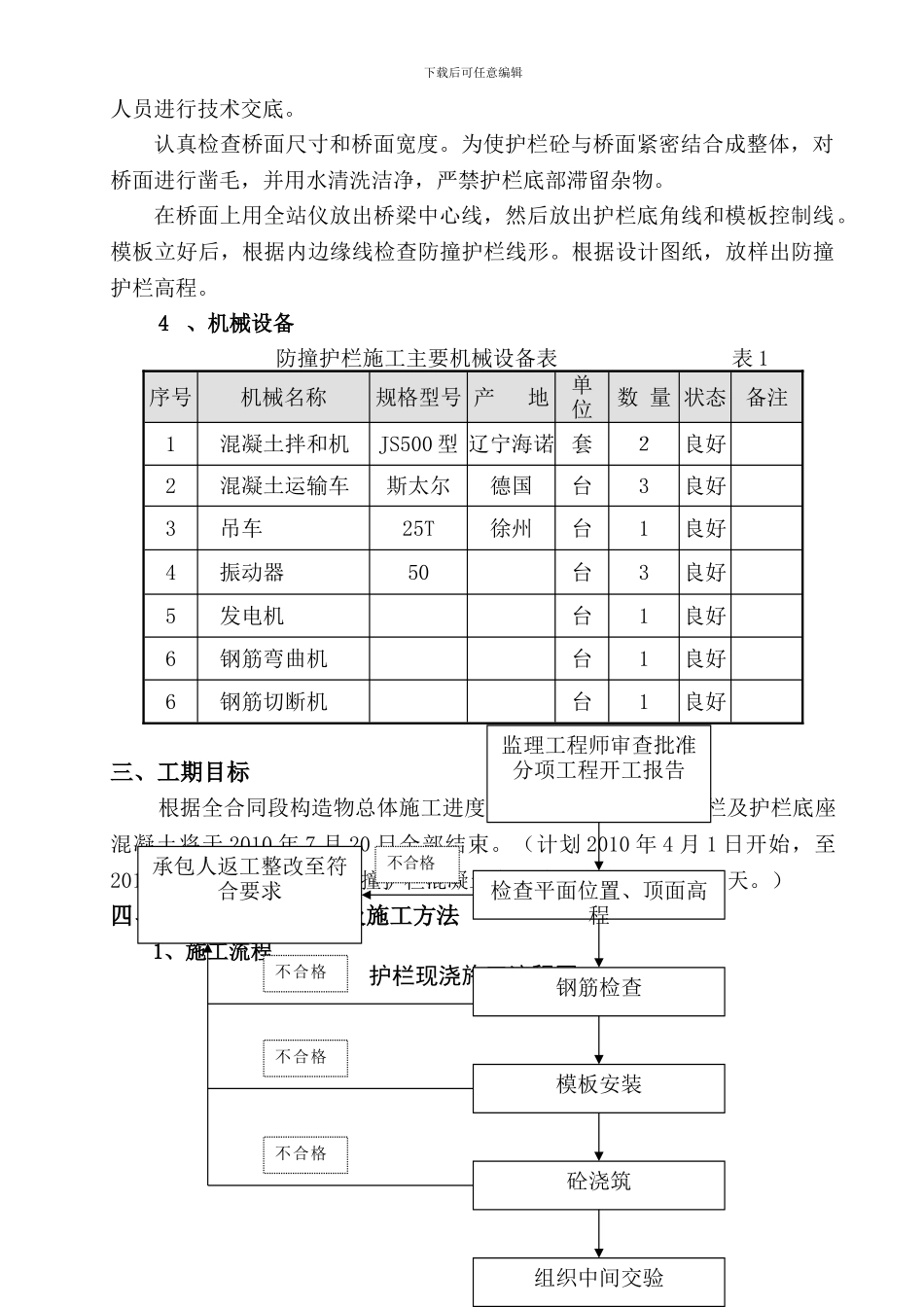
下载后可任意编辑西冲特大桥及磨房沟桥防撞护栏施工方案一、工程概况1、概况根据雅西公司【2024】130 号文件《关于实施雅泸路结构物上护栏修改设计的通知》,西冲特大桥左幅行车方向左侧防撞护栏采纳 SA 级机构形式,其余左右幅各侧防撞护栏采纳 SB 级结构形式。护栏采纳 C30 混凝土浇筑 ,护栏内外侧模各 60m 模板采纳 2.0m 一块的定型钢模,由专业厂家生产。2、工程量西冲特大桥防撞栏施工主要工程量:C30 混凝土 1530.69 m3。I 级钢筋:31.68 t;II 级钢筋:202.002 t。护栏总长 4112 m。磨房沟大桥防撞栏施工主要工程量:C30 混凝土 389 m3。I 级钢筋:8.05 t;II 级钢筋:51.34 t。护栏总长 1045 m。二、现场组织机构及劳动力计划1、组织机构项目经理部设副经理 1 名主管西冲特大桥上部结构的施工管理,下辖一个施工队,同时配齐技术、测量及试验检测人员,设专职安全员,所有人员均具有相关专业丰富的工作经验。2、劳动力计划根据西冲特大桥防撞栏工程数量及工程特点,根据突出重点、兼顾一般、均衡生产、确保工期的原则,施工过程中根据工程进展情况,随时增调技术人员和技术工人,以确保按期优质安全圆满的完成施工任务。3 、施工现场准备防撞护栏施工前材料准备和机械设备进场调试。现场技术员认真批阅图纸,了解施工程序,熟悉现场文明施工、安全操作法律规范。并对现场施工下载后可任意编辑人员进行技术交底。认真检查桥面尺寸和桥面宽度。为使护栏砼与桥面紧密结合成整体,对桥面进行凿毛,并用水清洗洁净,严禁护栏底部滞留杂物。在桥面上用全站仪放出桥梁中心线,然后放出护栏底角线和模板控制线。模板立好后,根据内边缘线检查防撞护栏线形。根据设计图纸,放样出防撞护栏高程。4 、机械设备防撞护栏施工主要机械设备表 表 1序号机械名称规格型号 产 地单 位数 量 状态备注1混凝土拌和机JS500 型 辽宁海诺 套2良好2混凝土运输车斯太尔德国台3良好3吊车25T徐州台1良好4振动器50台3良好5发电机台1良好6钢筋弯曲机台1良好6钢筋切断机台1良好三、工期目标根据全合同段构造物总体施工进度计划要求,本桥防撞护栏及护栏底座混凝土将于 2010 年 7 月 20 日全部结束。(计划 2010 年 4 月 1 日开始,至2010 年 7 月 19 日,本桥防撞护栏混凝土全部施工完毕,工期 120 天。)四、防撞护栏施工方案及施工方法1、施工流程护栏现浇施工流程图监理工程师审查批准分项工程开工报...

1、当您付费下载文档后,您只拥有了使用权限,并不意味着购买了版权,文档只能用于自身使用,不得用于其他商业用途(如 [转卖]进行直接盈利或[编辑后售卖]进行间接盈利)。
2、本站所有内容均由合作方或网友上传,本站不对文档的完整性、权威性及其观点立场正确性做任何保证或承诺!文档内容仅供研究参考,付费前请自行鉴别。
3、如文档内容存在违规,或者侵犯商业秘密、侵犯著作权等,请点击“违规举报”。

碎片内容

西冲特大桥防撞栏施工方案

您可能关注的文档

确认删除?
VIP
微信客服
  • 扫码咨询
会员Q群
  • 会员专属群点击这里加入QQ群
客服邮箱
回到顶部