电脑桌面
添加小米粒文库到电脑桌面
安装后可以在桌面快捷访问

起重机械施工检查记录表VIP专享VIP免费

起重机械施工检查记录表_第1页
1/16
起重机械施工检查记录表_第2页
2/16
起重机械施工检查记录表_第3页
3/16
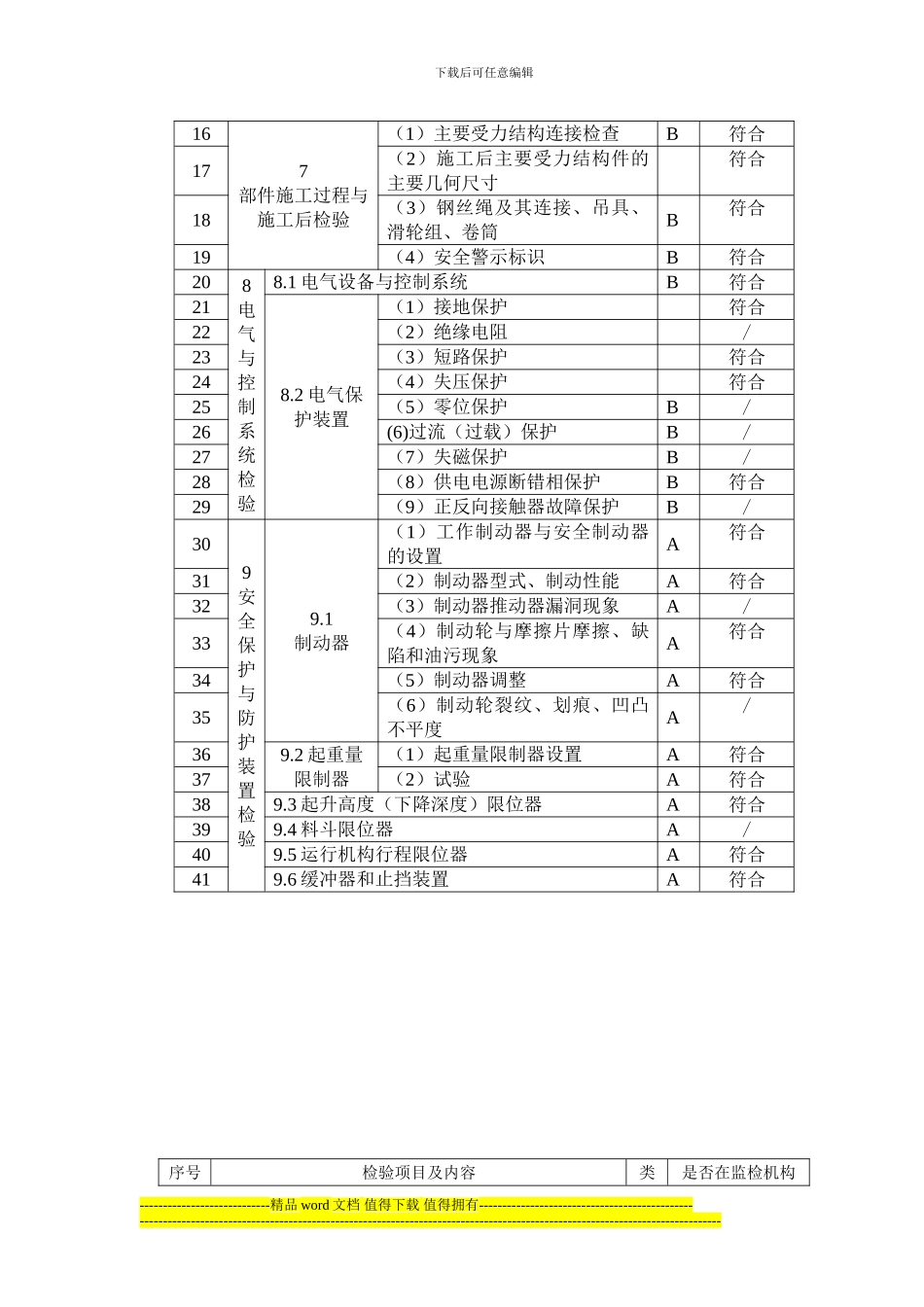
下载后可任意编辑 起重机械施工检查记录表施工类别:□ 新装 □ 移装 □ 改造 □ 重大维修 设备品种: LD 电动单梁起重机 型号规格: 16T-17.61M 产品编号: 410040249 使用单位:邬化夫 施工单位: 河南重工起重机集团有限公司 施工日期: 2024 年 05 月 21 日 河南重工起重机集团有限公司序号检验项目及其内容类别是否在监检机构备案11 设备选型对比产品文件、合同,检查机械的选型与使用工况匹A符合----------------------------精品 word 文档 值得下载 值得拥有---------------------------------------------------------------------------------------------------------------------------------------------------------------------------下载后可任意编辑配情况是否符合法规和合同要求,防爆起重机上的安全保护装置、电气元件、照明器材等需要采纳防爆要求的,是否采纳防爆型22 产品技术文件(1)产品设计文件(包括总图、主要受力结构件图、机械传动图和电气、液压系统原理图)A符合3(2)产品质量合格证明、安装及其他使用维护说明A符合4(3)型式试验合格说明(按覆盖原则)A符合5(4)制造监督检验证书(纳入监检范围的)A /6安装改造维修资格(1)安装改造维修许可证A符合7(2)安装改造重大维修告知书A符合8(3)现场安装改造维修作业人员B符合94 施工作业(工艺)文件,包括作业程序、技术要求、方法和措施等B符合105 现场施工条件(1)基础验收证明B符合11(2)安全距离和红色障碍灯B符合12(3)大车轨道安装检查B符合136 部件施工前检验(1)主要零部件合格证、铭牌B符合14(2)安全保护装置合格证、铭牌、型式试验证明B符合15(3)主要受力结构件主要几何尺寸B符合序号检验项目及其内容类别是否在监检机构备案----------------------------精品 word 文档 值得下载 值得拥有---------------------------------------------------------------------------------------------------------------------------------------------------------------------------下载后可任意编辑167部件施工过程与施工后检验(1)主要受力结构连接检查B符合17(2)施工后主要受力结构件的主要几何尺寸符合18(3)钢丝绳及其连接、吊具、滑轮组、卷筒B符合19(4)安全警示标识B符合208电气与控制系统检验8.1 电气设备与控制系统B符合218.2 电气保护装置(1)接地保护符合22(2)绝缘电阻/23(3)短路保...

1、当您付费下载文档后,您只拥有了使用权限,并不意味着购买了版权,文档只能用于自身使用,不得用于其他商业用途(如 [转卖]进行直接盈利或[编辑后售卖]进行间接盈利)。
2、本站所有内容均由合作方或网友上传,本站不对文档的完整性、权威性及其观点立场正确性做任何保证或承诺!文档内容仅供研究参考,付费前请自行鉴别。
3、如文档内容存在违规,或者侵犯商业秘密、侵犯著作权等,请点击“违规举报”。

碎片内容

起重机械施工检查记录表

确认删除?
VIP
微信客服
  • 扫码咨询
会员Q群
  • 会员专属群点击这里加入QQ群
客服邮箱
回到顶部