电脑桌面
添加小米粒文库到电脑桌面
安装后可以在桌面快捷访问

软基处理换填石方施工方案-secretVIP免费

软基处理换填石方施工方案-secret_第1页
1/8
软基处理换填石方施工方案-secret_第2页
2/8
软基处理换填石方施工方案-secret_第3页
3/8
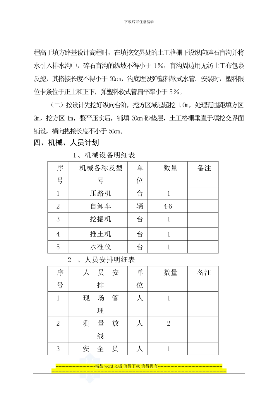
下载后可任意编辑Xxxx 项目地基软弱层换填方案一、编制原则及依据1、编制依据⑴ 本工程基础复勘的报告(2)国家房建施工法律规范、验收标准。32024 年 9 月 29 日下午建设方组织的有地勘、设计、监理、施工总包方参加的本工程基础处理专项研讨会议确定的处理原则。2、编制原则⑴ 确保周边 7、9 号楼安全和本工程基土达到设计提出的承载力,的原则。⑵ 施工过程坚持安全第一,预防为主和保护环境的原则。⑶ 遵循机械施工,人工配合的原则。二、主要工程数量:7 至 10 交 B 至 F 轴、3 至 6 轴交 B 至,估计换填面积约 750 平方米;挖除软弱砂土约 1500 立方米;换填 C15 砼 1500 立方米,平均换填深度 2 米左右三、施工技术方案: 1、软软弱层采纳全部挖除,利用 C15 砼压顺序为先两侧后中央;碾压过程中采纳人工添加石料找平填缝,直到压层顶面稳定,无下沉,无明显轮迹为止,达到石块紧密、平整、无弹簧现象。确保压实质量,换填至原地面标高时,在其表面填筑 50cm 厚透水性良好的砂垫层,压实度由压实遍数控制,压实遍数、填筑厚度、合理的施工机具组合参数由现场试验确定,工程师批准。2、填挖交界处治:(一)挖填交接及半填半挖路段除按《路基施工法律规范》挖纵向台阶外,为改善路基不均匀沉降,在路槽下铺设三层双向土工格栅,挖方区路基设计高----------------------------精品 word 文档 值得下载 值得拥有---------------------------------------------------------------------------------------------------------------------------------------------------------------------------下载后可任意编辑程高于填方路基设计高程时,在填挖交界处的土工格栅下设纵向碎石盲沟并将水引入排水沟中,碎石盲沟的纵坡不得小于 1%,盲沟周边用无纺土工布包裹反滤,其搭接长度不得小于 20cm,沟底埋设弹塑料软式水管。安装时,塑料限位卡条位于正上和正下,弹塑料软式管扁平率小于 5%。(二)按设计先挖好纵向台阶,挖方区域起超挖 1.0m,处理范围距填方区2m,挖方区 1m,整平压实后,铺填 30cm 砂垫层,土工格栅垂直于填挖交界面铺设,横向搭接长度不小于 50cm。四、机械、人员计划 1、机械设备明细表序号机械各称及型号单位数量备注1压路机台12自卸车辆4-63挖掘机台14推土机台15水准仪台1 2、人员安排明细表序号人 员 安 排单位数量备注1现 场 管 理人12测 量 放 线人23安 ...

1、当您付费下载文档后,您只拥有了使用权限,并不意味着购买了版权,文档只能用于自身使用,不得用于其他商业用途(如 [转卖]进行直接盈利或[编辑后售卖]进行间接盈利)。
2、本站所有内容均由合作方或网友上传,本站不对文档的完整性、权威性及其观点立场正确性做任何保证或承诺!文档内容仅供研究参考,付费前请自行鉴别。
3、如文档内容存在违规,或者侵犯商业秘密、侵犯著作权等,请点击“违规举报”。

碎片内容

软基处理换填石方施工方案-secret

您可能关注的文档

确认删除?
VIP
微信客服
  • 扫码咨询
会员Q群
  • 会员专属群点击这里加入QQ群
客服邮箱
回到顶部