电脑桌面
添加小米粒文库到电脑桌面
安装后可以在桌面快捷访问

雨、污水管道施工方案VIP免费

雨、污水管道施工方案_第1页
1/16
雨、污水管道施工方案_第2页
2/16
雨、污水管道施工方案_第3页
3/16
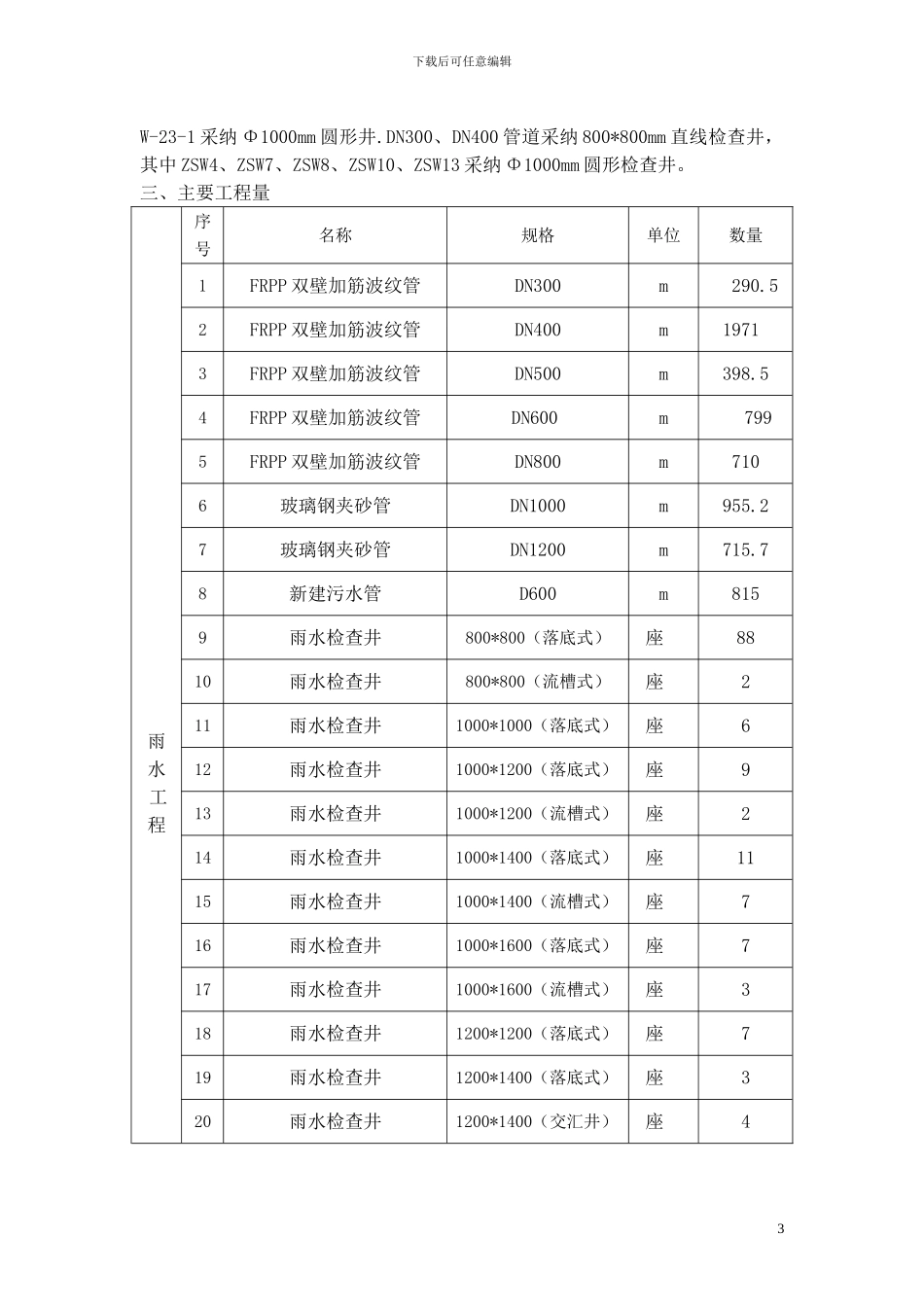
下载后可任意编辑第一节 工程概况一、编制依据 编制本工程施工组织设计方案得依据: 1.GB 50026-93 《工程测量法律规范》 2.GB 50164-92 《混凝土强度质量控制标准》 3.GBJ 107-87 《混凝土强度检验评定标准》 4.GB 50203-2024 《砌体工程施工质量验收法律规范》5.JGJ 33-2001 《建筑机械使用安全技术规程》 6.CJJ 3-90 《市政排水管渠工程质量检验评定标准》7.CJJ 685 《排水管道维护安全技术规程》8.CJJ/T 68-96 《城镇排水管渠与泵站维护技术规程》9.CJJ 92-2024 《城市供水管网漏损控制及评定标准》 10GB 50268-97 《 给水排水管道工程施工及验收法律规范》二、工程概况 行船河路(云龙路复线-南刘路)、支路三(云龙路复线-五方路)道路工程是位于吴江市南部新城二条南北向城市支路。行船河路工程起点为云龙路复线(K0+000),工程终点为南刘路(桩号 K2+447.9)。工程范围内路线全长2.45km,道路沿线有支河一、南刘河及支河三共三条规划河道,其中支河一已经开挖,南刘河及支河二尚未施工;支路三路工程起点为云龙路复线(桩号K0+000),工程终点为五方路(桩号 K0+614.285)。工程范围内路线全长0.614km。道路终点处有规划河道支河一。本项目收集后雨水均排放入该河道中。本项目排水体制为雨、污分流制。 1.工程位置: 工程位于吴江市南部新城二条南北向城市支路。2.工程内容: 排水工程包括雨水、污水管道施工、雨水检查井、污水检查井及雨水口。 本项目雨水干管敷设于道路两侧人行道下,距道路中线两侧各 5.5m。根据1下载后可任意编辑地块情况,沿线布置雨水支管,预留接口。雨水管具体布置详见 SIV-06《排水平面图》。雨水干管管径为 DN400、DN600、DN800、DN1000、DN1200。街坊预留支管管径为 DN600,雨水口连接管 DN300,坡度不小于 0.01。污水干管敷设于道路西侧人行道下,距离中心线以西 7m,本道路污水管分两个系统,支河一以北污水管排至云龙路复线污水管,支河一以南污水排至南刘河南侧至规划泵站的污水进水总管。其中工程起点至纬一路污水管道已建,友谊路交叉口污水管道已设计,即将建设。根据地块情况,沿线布置街坊污水支管及相交道路预留管。污水管布置详见 SIV-06《排水平面图》.污水干管管径为 DN400、DN1000,街坊污水预留支管管径为 DN300.雨水主管 DN400-DN800 管采纳 FRPP 双壁加筋波纹管,T 形橡胶圈接口,接口邵氏硬度:50±5;DN1000-DN1200 管采纳玻璃钢夹砂管...

1、当您付费下载文档后,您只拥有了使用权限,并不意味着购买了版权,文档只能用于自身使用,不得用于其他商业用途(如 [转卖]进行直接盈利或[编辑后售卖]进行间接盈利)。
2、本站所有内容均由合作方或网友上传,本站不对文档的完整性、权威性及其观点立场正确性做任何保证或承诺!文档内容仅供研究参考,付费前请自行鉴别。
3、如文档内容存在违规,或者侵犯商业秘密、侵犯著作权等,请点击“违规举报”。

碎片内容

雨、污水管道施工方案

人从众+ 关注
实名认证
内容提供者

欢迎光临小店,本店以公文和教育为主,希望符合您的需求。

确认删除?
VIP
微信客服
  • 扫码咨询
会员Q群
  • 会员专属群点击这里加入QQ群
客服邮箱
回到顶部