电脑桌面
添加小米粒文库到电脑桌面
安装后可以在桌面快捷访问

预制箱梁专项安全施工方案VIP免费

预制箱梁专项安全施工方案_第1页
1/19
预制箱梁专项安全施工方案_第2页
2/19
预制箱梁专项安全施工方案_第3页
3/19
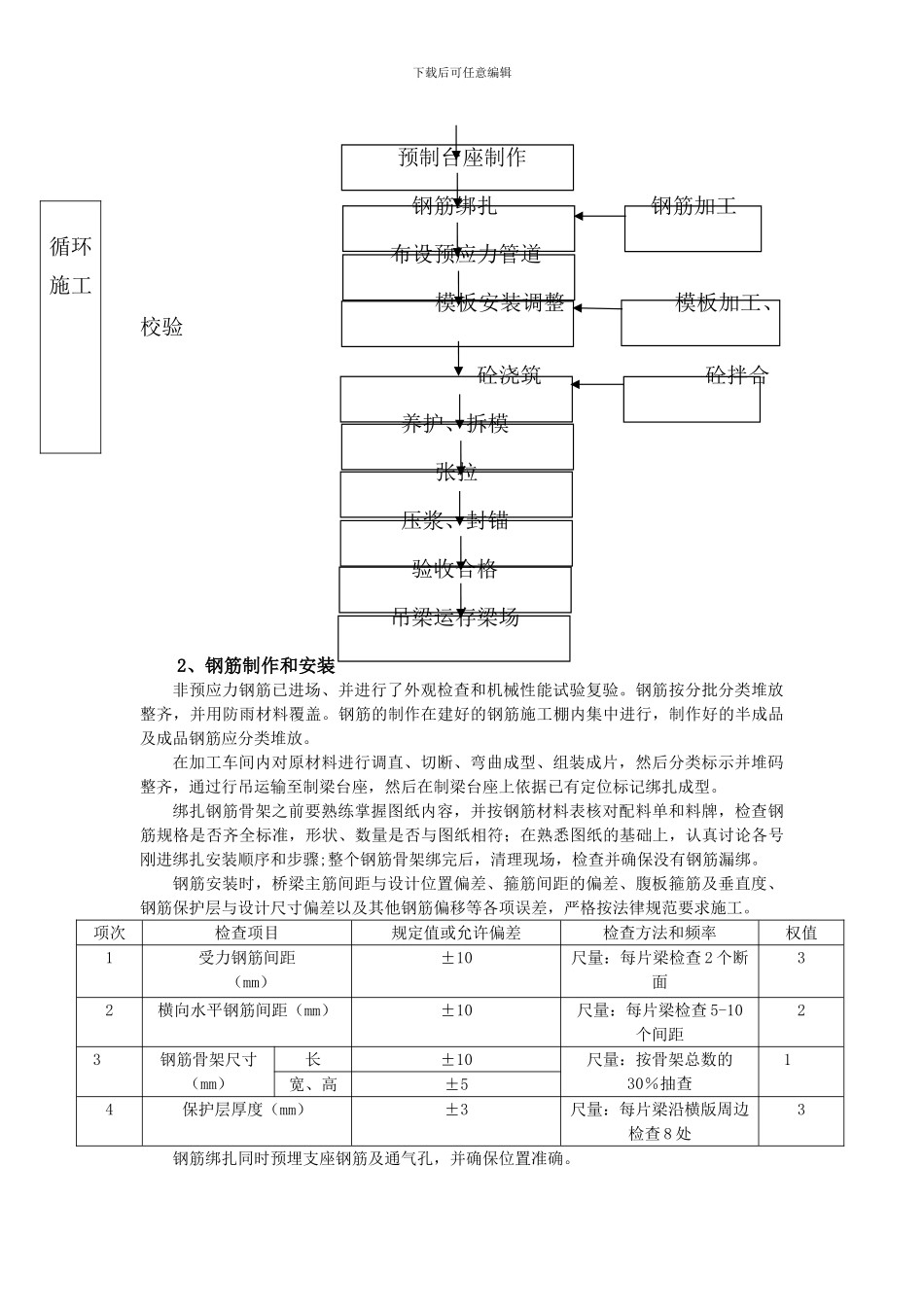
下载后可任意编辑光谷三路跨沪渝高速立交工程预制箱梁专项安全施工方案武汉市市政建设集团有限公司二零一三年十月下载后可任意编辑一、编制目的为了法律规范作业人员在箱梁预制施工过程中的作业行为,防止各类安全事故的发生,有效的保障箱梁施工作业人员的职业安全健康,以及相关机具设备的完好,特制本安全施工方案。二、编制依据1、《中华人民共和国安全生产法》2、公路工程施工安全操作流程3、光谷三路跨沪渝高速立交工程施工图4、光谷三路跨沪渝高速立交工程施工组织设计5、《公路工程施工安全技术规程》(JTJ076-95)6、《建设工程安全生产管理条例》中华人民共和国国务院令 393 号7、《公路桥涵施工技术法律规范》(JTJ041-2000)8、国家及相关部委颁布的法律、法规和现行相关规定、公路工程质量验收标准及其他有关文件资料。三、工程概况本工程为光谷三路跨沪渝高速立交工程,桥跨承重结构分项工程,采纳后张法预应力小箱梁结构。分左、右两幅,左、右幅桥宽 12.75m,29.4m 空心板 10 跨共 80 片,其中边板 40 片、中板 40 片,26.4m 空心板 3 跨共 24 片,其中边板 12 片、中板 12 片,空心板底宽 1150mm、高 1682mm~1722mm、底板厚 180~270mm、顶板厚 180mm、腹板厚 177~275mm。小箱梁采纳后张法工艺制作,有砼料制备,非预应力钢筋加工制作与安装、孔道成型(波纹管锚具安装)、穿束、砼成型、养护、预应力工程施工(张拉、灌浆),封锚堵头小箱梁位移、装车、安装等过程,预应力筋采纳符合标准的 φs15.2 高强度低松弛预应力筋混凝土用钢绞线,标准强度为 1860Mpa,锚下张拉控制应力为 1395 Mpa,预制砼强度等级为 C50,该工程砼强度等级要求高,小箱梁外观尺寸必须美观准确、严格控制。施工难度较大,从预制底座、场地布置、轨道铺设、原材料进场,到模板机具、机械的准备,直到成品出场,从试验、检验到监理、现场管理人员、组织安排都必须层层把关,精心组织、精心管理、精心施工确保工程质量。四、施工工艺1、施工流程更具以往同类工程的制梁经验以及所拥有的机械设备,后张法预应力混凝土箱梁预制工艺流程设计如下:箱梁预制场建设下载后可任意编辑 预制台座制作 钢筋绑扎 钢筋加工 布设预应力管道 模板安装调整 模板加工、校验 砼浇筑 砼拌合 养护、拆模 张拉 压浆、封锚 验收合格 吊梁运存梁场 2、钢筋制作和安装非预应力钢筋已进场、并进行了外观检查和机械性能试验复验。钢筋按...

1、当您付费下载文档后,您只拥有了使用权限,并不意味着购买了版权,文档只能用于自身使用,不得用于其他商业用途(如 [转卖]进行直接盈利或[编辑后售卖]进行间接盈利)。
2、本站所有内容均由合作方或网友上传,本站不对文档的完整性、权威性及其观点立场正确性做任何保证或承诺!文档内容仅供研究参考,付费前请自行鉴别。
3、如文档内容存在违规,或者侵犯商业秘密、侵犯著作权等,请点击“违规举报”。

碎片内容

预制箱梁专项安全施工方案

您可能关注的文档

确认删除?
VIP
微信客服
  • 扫码咨询
会员Q群
  • 会员专属群点击这里加入QQ群
客服邮箱
回到顶部