电脑桌面
添加小米粒文库到电脑桌面
安装后可以在桌面快捷访问

预制箱梁厂的施工方案-secretVIP免费

预制箱梁厂的施工方案-secret_第1页
1/11
预制箱梁厂的施工方案-secret_第2页
2/11
预制箱梁厂的施工方案-secret_第3页
3/11
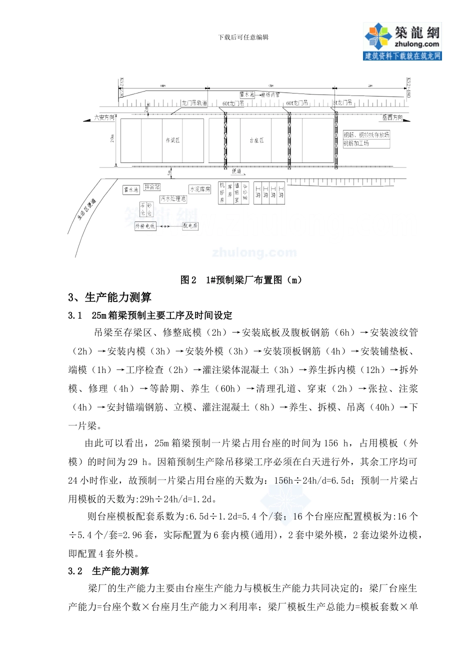
下载后可任意编辑预制箱梁厂的施工方案1、工程概述XX高 速 公 路XX标 施 工 里 程 为YK45+800 ( ZK45+800 ) ~YK52+780(ZK52+800),路线全长 6.98km,包含 13 座大桥、6 座中桥,总长1745.02m(整幅),占线路总长 25%。桥梁上部结构包括预应力砼空心板 120 片、预应力砼装配式组合箱梁 496 片,预制梁片共 616 片,均采纳后张法预应力技术,并且要求混凝土强度达到设计强度的 90%后才能张拉,导致生产周期长,生产能力受限制,梁片预制生产至关重要。为方便架梁及保证工期,全线拟设置 2 个预制梁厂。其中,1#预制箱梁厂主要负责 496 片 25m 预应力砼装配式组合箱梁的预制。具体梁片类型及数量、技术参数及尺寸见《预制箱梁梁片类型及数量》(表 1)、《预制箱梁梁片主要技术参数》(表 2)、《预应力砼装配式组合箱梁一般横断面图》(图 1)。表 1 预制箱梁梁片类型及数量表梁型及部位转步园 1~11 号桥扫帚河 1~2 号桥备注25m 箱梁边跨边梁448 中梁448 中跨边梁18016 中梁18016 合计496 表 2 预制箱梁梁片主要技术参数跨径与类型25m 箱梁边跨中跨边梁中梁边梁中梁预制梁长/m25252525预制梁高/m1.41.41.41.4梁端距吊点距离/m0.80.80.80.8吊装重量/t71.75764.84771.14564.796预制梁体混凝土量/m328.1425.4327.925.41预制梁体钢筋重量/t4.0463.9284.1994.06预应力钢绞线重量/t0.80.80.630.63下载后可任意编辑图 1 预应力砼装配式组合箱梁一般横断面图(cm)2、场地布置本着因地制宜的原则,综合考虑桥址和地形条件、水电供应、材料运输等关键因素,预制梁厂布置在 K52+230~K52+480 路基上,该段地势总体平坦,在试验路段验收合格后,通过临时征地和场地改造,增大预制厂宽度,宽度可达 30m,长度为250m,满足制梁和存梁的场地需求。预制梁厂按存梁区、台座区、材料加工区、拌合站、办公区和后勤住宿区进行分区布置,存梁区在前期为架桥机拼装场地。其中,制梁区的布置是重点,结合总体制梁和铺架施工组织, 1#预制厂规划 16 个 25m 预应力砼箱梁台座。1#预制厂预制生产梁片的型式及断面尺寸最大宽度为 2.75m,考虑拆装模板空间,方便操作减少干扰,台座中心线的距离定为 4.1m。龙门吊轨道轨距为 20m,最大纵坡 2%,钢轨采纳 43kg/m 轨,大龙门吊高度为 10m,用来移梁,加工小龙门吊跨度为 20m,高度为 5m,用来吊装钢筋等。存梁区每个临时枕木支座存放两层,最多时存梁为 ...

1、当您付费下载文档后,您只拥有了使用权限,并不意味着购买了版权,文档只能用于自身使用,不得用于其他商业用途(如 [转卖]进行直接盈利或[编辑后售卖]进行间接盈利)。
2、本站所有内容均由合作方或网友上传,本站不对文档的完整性、权威性及其观点立场正确性做任何保证或承诺!文档内容仅供研究参考,付费前请自行鉴别。
3、如文档内容存在违规,或者侵犯商业秘密、侵犯著作权等,请点击“违规举报”。

碎片内容

预制箱梁厂的施工方案-secret

确认删除?
VIP
微信客服
  • 扫码咨询
会员Q群
  • 会员专属群点击这里加入QQ群
客服邮箱
回到顶部