电脑桌面
添加小米粒文库到电脑桌面
安装后可以在桌面快捷访问

高大模板工程施工质量安全检查表VIP免费

高大模板工程施工质量安全检查表_第1页
1/3
高大模板工程施工质量安全检查表_第2页
2/3
高大模板工程施工质量安全检查表_第3页
3/3
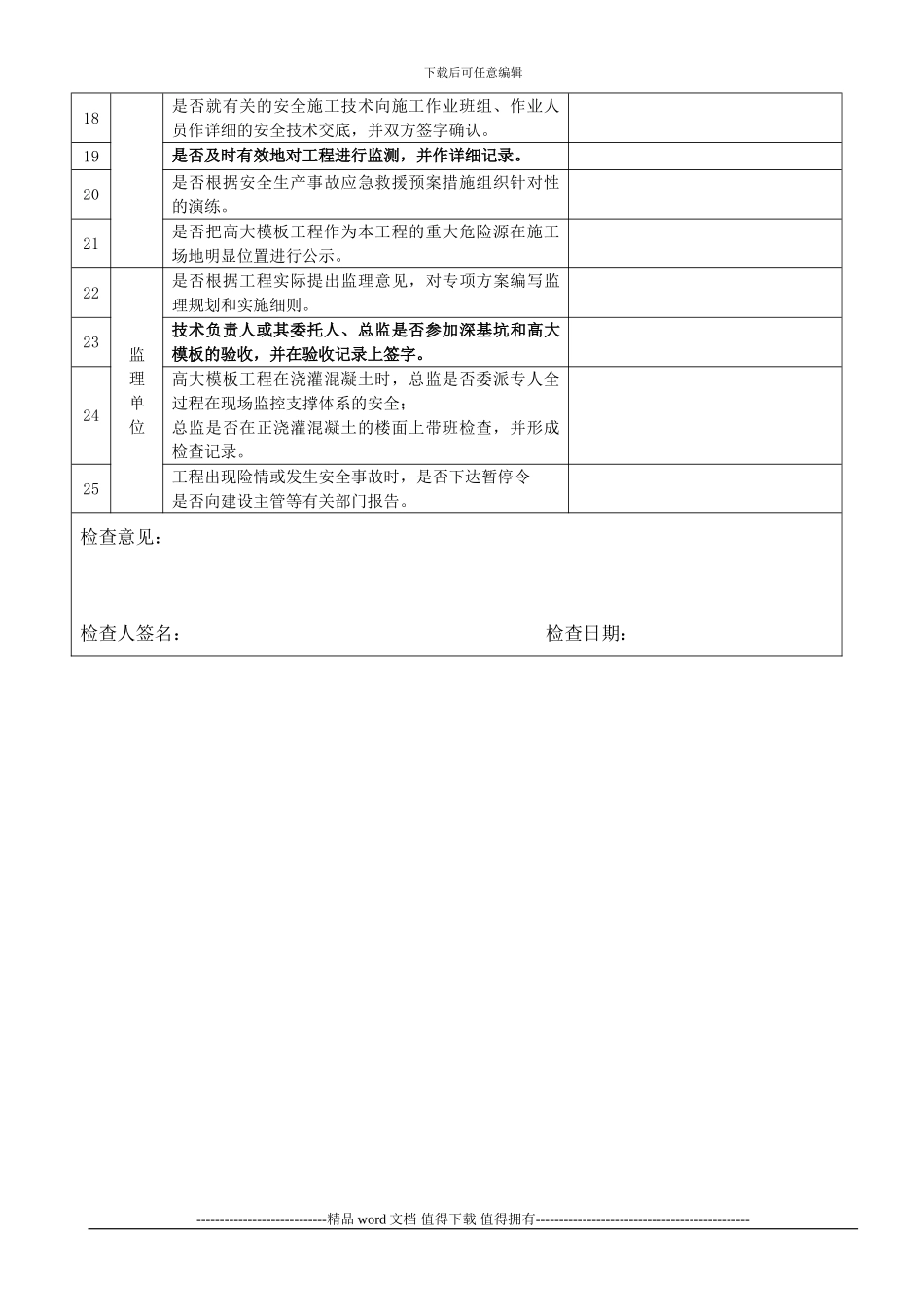
下载后可任意编辑高大模板工程施工质量安全检查表工程名称: 施工单位: 项目经理: 监理单位: 项目总监: 序号项目检查内容检查情况1专项施工方案编制与审 查是否编制专项施工方案。2是否包括支护、支撑系统的结构设计(包括结构选型及其计算依据;结构变形、位移和沉降观测的允许值以及临界状态报警值;结构设计的安全有效使用期)。3是否包括施工工艺要求,施工程序和施工进度安排。4是否包括对设计要求及施工现场情况的监测控制措施。5是否包括各阶段施工安全措施及安全生产事故应急救援预案措施。6施工单位技术负责人、总监理工程师是否审核签字。7专项施工方案专家论证审查是否已组织专家对方案进行论证审查。8专家是否从市专家库中选取。9检查论证审查表,论证程序是否符合要求。10施工单位技术负责人、总监理工程师是否签字批准。11建 设单 位编制工程概算时,是否确定单项工程安全作业环境及安全施工措施所需费用。12是否任意压缩合理工期。是否明示或暗示设计单位或施工单位违反技术标准,降低工程质量。是否指定或随意减少监测项目。13施 工单 位是否严格依照经批准的专项施工方案和国家(省)有关规定进行组织施工。14施工单位技术负责人及安全负责人或其委托人、项目经理是否参加验收,并在验收记录上签字。15混凝土浇灌前,是否将验收记录送达质量和安全监督站的项目监督负责人,并告知浇灌时间。16高大模板工程在浇灌混凝土时,是否委派专人全过程在现场监控支撑体系的安全。17项目经理是否在正浇灌混凝土的楼面上带班检查,并形成检查记录。----------------------------精品 word 文档 值得下载 值得拥有----------------------------------------------下载后可任意编辑18是否就有关的安全施工技术向施工作业班组、作业人员作详细的安全技术交底,并双方签字确认。19是否及时有效地对工程进行监测,并作详细记录。20是否根据安全生产事故应急救援预案措施组织针对性的演练。21是否把高大模板工程作为本工程的重大危险源在施工场地明显位置进行公示。22监 理单 位是否根据工程实际提出监理意见,对专项方案编写监理规划和实施细则。23技术负责人或其委托人、总监是否参加深基坑和高大模板的验收,并在验收记录上签字。24高大模板工程在浇灌混凝土时,总监是否委派专人全过程在现场监控支撑体系的安全;总监是否在正浇灌混凝土的楼面上带班检查,并形成检查记录。25工程出现险情或发生安全事故时,是否下达暂停令...

1、当您付费下载文档后,您只拥有了使用权限,并不意味着购买了版权,文档只能用于自身使用,不得用于其他商业用途(如 [转卖]进行直接盈利或[编辑后售卖]进行间接盈利)。
2、本站所有内容均由合作方或网友上传,本站不对文档的完整性、权威性及其观点立场正确性做任何保证或承诺!文档内容仅供研究参考,付费前请自行鉴别。
3、如文档内容存在违规,或者侵犯商业秘密、侵犯著作权等,请点击“违规举报”。

碎片内容

高大模板工程施工质量安全检查表

确认删除?
VIP
微信客服
  • 扫码咨询
会员Q群
  • 会员专属群点击这里加入QQ群
客服邮箱
回到顶部