电脑桌面
添加小米粒文库到电脑桌面
安装后可以在桌面快捷访问

高聚物改性沥青卷材屋面防水层施工工艺标准VIP免费

高聚物改性沥青卷材屋面防水层施工工艺标准_第1页
1/7
高聚物改性沥青卷材屋面防水层施工工艺标准_第2页
2/7
高聚物改性沥青卷材屋面防水层施工工艺标准_第3页
3/7
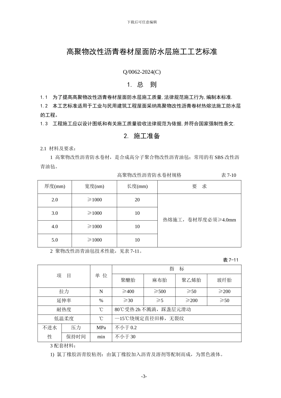
下载后可任意编辑 精品文档下载 -1-最新资料,word 文档,可以自由编辑!!下载后可任意编辑【本页是封面,下载后可以删除!】-2-下载后可任意编辑高聚物改性沥青卷材屋面防水层施工工艺标准Q/0062-2024(C)1. 总 则1.1 为了提高高聚物改性沥青卷材屋面防水层施工质量,法律规范施工行为,编制本标准.1.2 本工艺标准适用于工业与民用建筑工程屋面采纳高聚物改性沥青卷材热熔法施工防水层的工程。1.3 工程施工应以设计图纸和有关施工质量验收法律规范为依据,并符合国家强制性条文.2. 施工准备2.1 材料及要求:1 高聚物改性沥青防水卷材,是合成高分子聚合物改性沥青油毡;常用的有 SBS 改性沥青油毡。高聚物改性沥青防水卷材规格 表 7-10厚度(mm)宽度(nm)长度(mm)要 求2.0≥100020热熔施工,卷材厚度必须≥4.0mm3.0≥1000104.0≥1000105.0≥1000102 聚物改性沥青油毡技术性能,见表 7-11。表 7-11项 目单 位指 标聚醣胎麻布胎聚乙烯胎玻纤胎拉力N≥400≥500≥50≥200延伸率%≥30≥5≥200≥50耐热度℃80℃受热 2h 不溅淌,踩盏层元滑动低温柔度℃—15℃绕规定直径田棒,无裂纹不进水性压力MPa不小于 0.2保持时间min不小于 303 配套材料:1) 氯丁橡胶沥青胶粘剂:由氯丁橡胶加入沥青及溶剂等配制而成,为黑色液体。-3-下载后可任意编辑2) 橡胶沥青嵌缝膏:即密封膏,用于细部嵌固边缝。3) 保护层料:石片、各色保护涂料。4) 70 号汽油、二甲苯,用于清洗受污染的部位。2.2 主要机具:1) 电动搅拌器、高压吹风机、自动热风焊接机。2) 喷灯或可燃气体焰炬、铁抹子、滚动刷、长把滚动刷、钢卷尺、剪刀、笤帚、小线等。2.3 作业条件: 1) 施工前审核图纸,编制防水工程施工方案,并进行技术交底,屋面防水必须由专业队施工,持证上岗。 2) 铺贴防水层的基层表面,应将尘土、杂物彻底清除洁净。 3) 基层坡度应符合设计要求,表面应顺平,阴阳角处应做成圆孤形,其层表面必须干燥,含水率应不大于 9%。 4) 卷材及配套材料必须验收合格、规格、技术性能必须符合设计要求及标准的规定,存放易燃料应避开火源。3. 操作工艺3.1 工艺流程(热熔法施工)清理基层→涂刷基层处理剂→铺贴卷材附加层→铺贴卷材→热熔封边→蓄水试验→保护层3.2 清理基层:施工前将验收合格的基层表面尘土,杂物清理洁净。3.3 涂刷基层处理剂:高聚物改性沥青卷材施工,按产品说明书配套使用,基层处理剂是将氯丁橡胶沥青胶剂加入工业汽油...

1、当您付费下载文档后,您只拥有了使用权限,并不意味着购买了版权,文档只能用于自身使用,不得用于其他商业用途(如 [转卖]进行直接盈利或[编辑后售卖]进行间接盈利)。
2、本站所有内容均由合作方或网友上传,本站不对文档的完整性、权威性及其观点立场正确性做任何保证或承诺!文档内容仅供研究参考,付费前请自行鉴别。
3、如文档内容存在违规,或者侵犯商业秘密、侵犯著作权等,请点击“违规举报”。

碎片内容

高聚物改性沥青卷材屋面防水层施工工艺标准

确认删除?
VIP
微信客服
  • 扫码咨询
会员Q群
  • 会员专属群点击这里加入QQ群
客服邮箱
回到顶部