电脑桌面
添加小米粒文库到电脑桌面
安装后可以在桌面快捷访问

2025年磁粉探伤报告VIP专享VIP免费

2025年磁粉探伤报告_第1页
1/3
2025年磁粉探伤报告_第2页
2/3
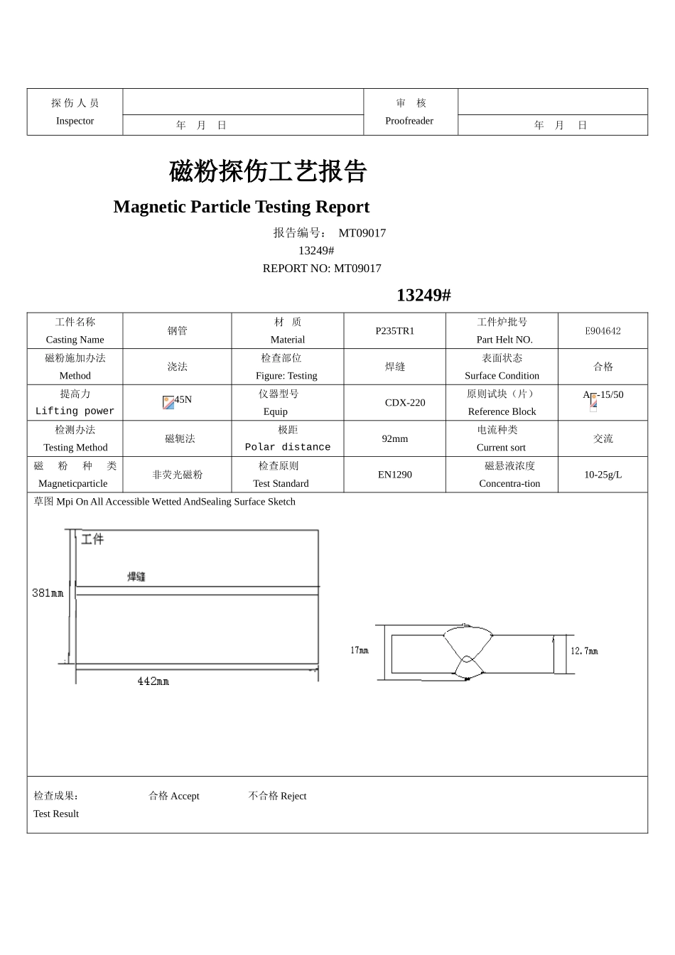
磁粉探伤工艺报告 Magnetic Particle Testing Report 报告编号: WD131224 REPORT NO: WD131224 工件名称Casting Name后从板座材 质MaterialQ450工件炉批号Part Helt NO.磁粉施加办法Method浇法检查部位 Figure: Testing 焊缝表面状态Surface Condition合格提高力Lifting power45N仪器型号EquipCDX-220原则试块(片)Reference BlockA -15/50检测办法Testing Method 磁轭法极距Polar distance92mm电流种类Current sort交流磁粉种类Magneticparticle非荧光磁粉检查原则Test StandardEN1290 磁悬液浓度Concentra-tion10-25g/L草图 Mpi On All Accessible Wetted AndSealing Surface Sketch 检查成果: 合格 Accept 不合格 Reject Test Result 备注 Remarks 探 伤 人 员Inspector审 核Proofreader 年 月 日 年 月 日磁粉探伤工艺报告 Magnetic Particle Testing Report 报告编号: MT09017 13249# REPORT NO: MT09017 13249#工件名称Casting Name钢管材 质MaterialP235TR1工件炉批号Part Helt NO.E904642磁粉施加办法Method浇法检查部位 Figure: Testing 焊缝表面状态Surface Condition合格提高力Lifting power45N仪器型号EquipCDX-220原则试块(片)Reference BlockA -15/50检测办法Testing Method 磁轭法极距Polar distance92mm电流种类Current sort交流磁粉种类Magneticparticle非荧光磁粉检查原则Test StandardEN1290 磁悬液浓度Concentra-tion10-25g/L草图 Mpi On All Accessible Wetted AndSealing Surface Sketch 检查成果: 合格 Accept 不合格 Reject Test Result 备注 Remarks 探 伤 人 员Inspector审 核Proofreader 年 月 日 年 月 日

1、当您付费下载文档后,您只拥有了使用权限,并不意味着购买了版权,文档只能用于自身使用,不得用于其他商业用途(如 [转卖]进行直接盈利或[编辑后售卖]进行间接盈利)。
2、本站所有内容均由合作方或网友上传,本站不对文档的完整性、权威性及其观点立场正确性做任何保证或承诺!文档内容仅供研究参考,付费前请自行鉴别。
3、如文档内容存在违规,或者侵犯商业秘密、侵犯著作权等,请点击“违规举报”。

碎片内容

2025年磁粉探伤报告

您可能关注的文档

确认删除?
VIP
微信客服
  • 扫码咨询
会员Q群
  • 会员专属群点击这里加入QQ群
客服邮箱
回到顶部