电脑桌面
添加小米粒文库到电脑桌面
安装后可以在桌面快捷访问

2025年检修规程风机电机VIP专享VIP免费

2025年检修规程风机电机_第1页
1/6
2025年检修规程风机电机_第2页
2/6
2025年检修规程风机电机_第3页
3/6
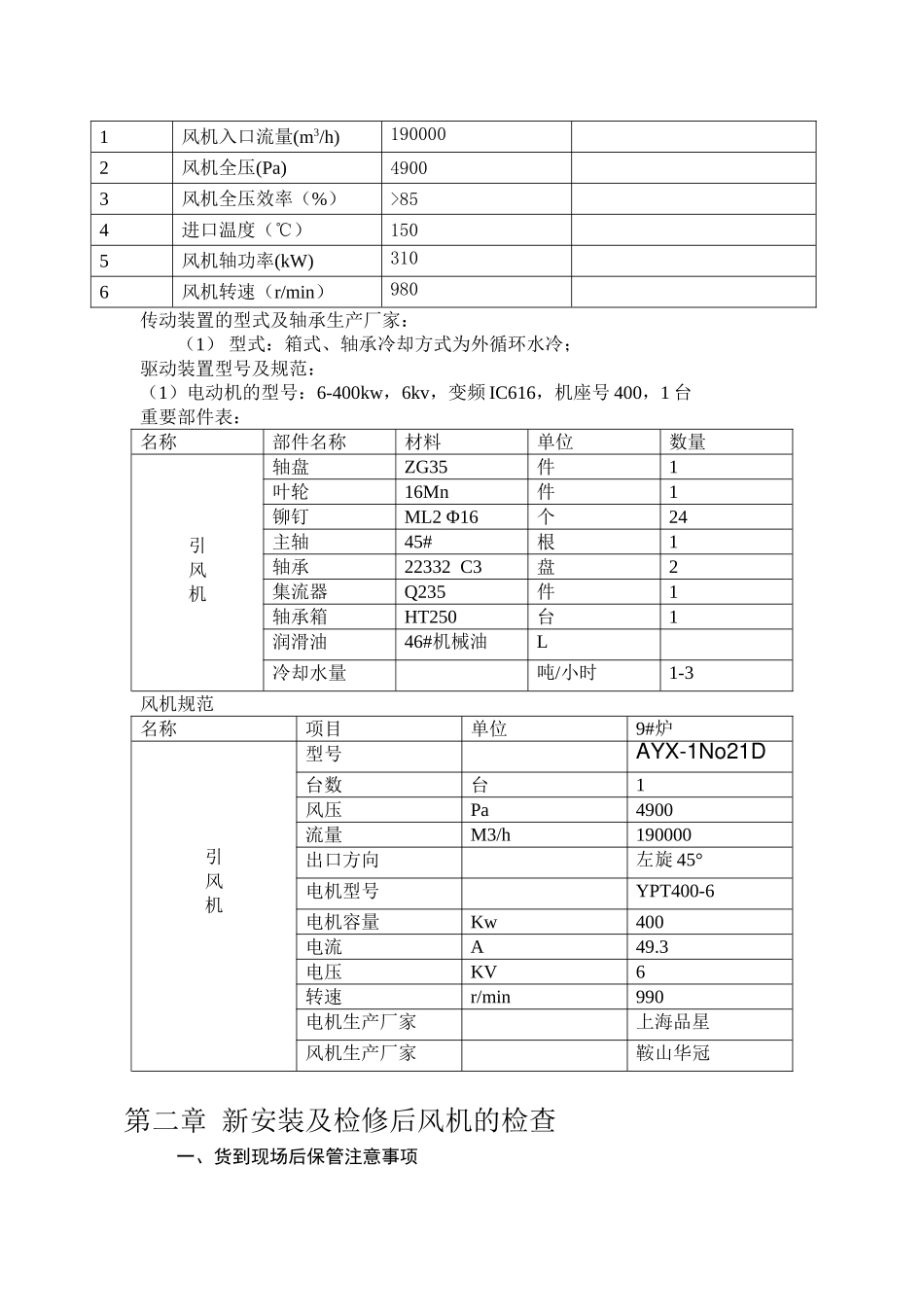
目录第一章设备重要参数第二章 新安装及检修后风机的检查第三章 设备的操作规程第一章 设备重要参数设备名称:引风机 风机型式及型号:(1)型式:单吸;离心;D 式; (2)型号:AYX-1No21D。每台锅炉配备引风机 1 台,本工程共需引风机改造 1 台; 风机旋转方向: 左旋风机进口角度:轴向;风机出口角度:左 45,1 台布置方式:卧式。风机参数:序号项目名称数 值备 注1风机入口流量(m3/h)1900002风机全压(Pa)49003风机全压效率(%)>854进口温度(℃)1505风机轴功率(kW)3106风机转速(r/min)980传动装置的型式及轴承生产厂家:(1) 型式:箱式、轴承冷却方式为外循环水冷; 驱动装置型号及规范:(1)电动机的型号:6-400kw,6kv,变频 IC616,机座号 400,1 台重要部件表:名称部件名称材料单位数量引风机轴盘ZG35件1叶轮16Mn件1铆钉ML2 Φ16个24主轴45#根1轴承22332 C3盘2集流器Q235件1轴承箱HT250台1润滑油46#机械油L冷却水量吨/小时1-3风机规范名称项目单位9#炉引风机型号AYX-1No21D台数台1风压Pa4900流量M3/h190000出口方向左旋 45°电机型号YPT400-6电机容量Kw400电流A49.3电压KV6转速r/min990电机生产厂家上海品星风机生产厂家鞍山华冠第二章 新安装及检修后风机的检查一、货到现场后保管注意事项1、移动各件时应轻拿轻放,避免碰撞而造成损坏或变形。2、电机、电动执行器、测振仪、传动组不能漏天置放,以防雨淋、阳光直射、生锈而遭到损坏。3、叶轮与调节门最佳也置放室内。如果条件不含有,应采用无生锈方法。即把调节门转动部分和叶轮轴盘里孔处涂防锈油,并搭建防雨蓬避免雨淋日晒。4、如果置放时间超出 2 个月,则应定时检查。重点部位应重新涂油,特别是轴承部位,一旦锈蚀将无法使用,造成不必要的损失。二、风机的安装与使用1、风机的安装安装前,应对风机各部件进行全方面检查,机件与否完整;叶轮与机壳的旋转方向与否一致,各部联接与否紧密;叶轮、主轴、轴承等重要机件有无损伤。D 式风机安装环节:(1) 将风机机壳下半部置于基础上,进行粗调节。(2) 将主轴上的圆螺母和止动垫圈卸下,把叶轮轴盘内孔清洗干净,然后将叶轮竖直放置,用两盘枪同时加热轴盘前后外侧(严禁加热轴盘内孔,避免轴盘变形)。加热到 300℃左右时,将叶轮进风侧向下放于地面,吊起传动组,将主轴穿入叶轮(严谨将主轴打磨),用圆螺母和止动垫圈将叶轮固定。(3) 将联轴器加热后装入主轴,然后把传动组置...

1、当您付费下载文档后,您只拥有了使用权限,并不意味着购买了版权,文档只能用于自身使用,不得用于其他商业用途(如 [转卖]进行直接盈利或[编辑后售卖]进行间接盈利)。
2、本站所有内容均由合作方或网友上传,本站不对文档的完整性、权威性及其观点立场正确性做任何保证或承诺!文档内容仅供研究参考,付费前请自行鉴别。
3、如文档内容存在违规,或者侵犯商业秘密、侵犯著作权等,请点击“违规举报”。

碎片内容

2025年检修规程风机电机

您可能关注的文档

确认删除?
VIP
微信客服
  • 扫码咨询
会员Q群
  • 会员专属群点击这里加入QQ群
客服邮箱
回到顶部