电脑桌面
添加小米粒文库到电脑桌面
安装后可以在桌面快捷访问

2025年悬挑外架转角处大样图VIP免费

2025年悬挑外架转角处大样图_第1页
1/1
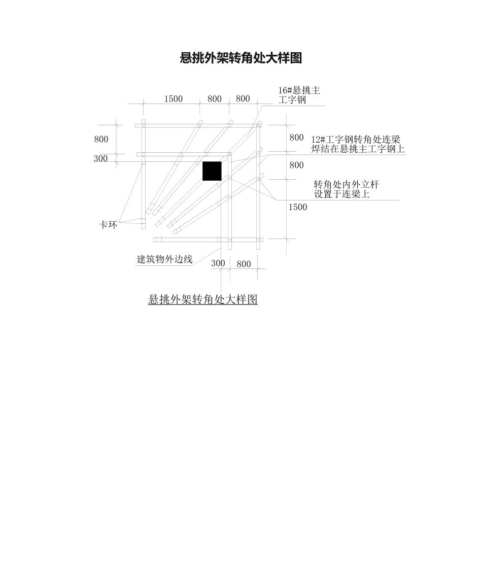
悬挑外架转角处大样图8008001500150080080030080030080016#悬挑主工字钢12#工字钢转角处连梁焊结在悬挑主工字钢上转角处内外立杆设置于连梁上卡环建筑物外边线悬挑外架转角处大样图

1、当您付费下载文档后,您只拥有了使用权限,并不意味着购买了版权,文档只能用于自身使用,不得用于其他商业用途(如 [转卖]进行直接盈利或[编辑后售卖]进行间接盈利)。
2、本站所有内容均由合作方或网友上传,本站不对文档的完整性、权威性及其观点立场正确性做任何保证或承诺!文档内容仅供研究参考,付费前请自行鉴别。
3、如文档内容存在违规,或者侵犯商业秘密、侵犯著作权等,请点击“违规举报”。

碎片内容

2025年悬挑外架转角处大样图

您可能关注的文档

确认删除?
VIP
微信客服
  • 扫码咨询
会员Q群
  • 会员专属群点击这里加入QQ群
客服邮箱
回到顶部