电脑桌面
添加小米粒文库到电脑桌面
安装后可以在桌面快捷访问

2025年均压环安装技术交底VIP专享VIP免费

2025年均压环安装技术交底_第1页
1/7
2025年均压环安装技术交底_第2页
2/7
2025年均压环安装技术交底_第3页
3/7
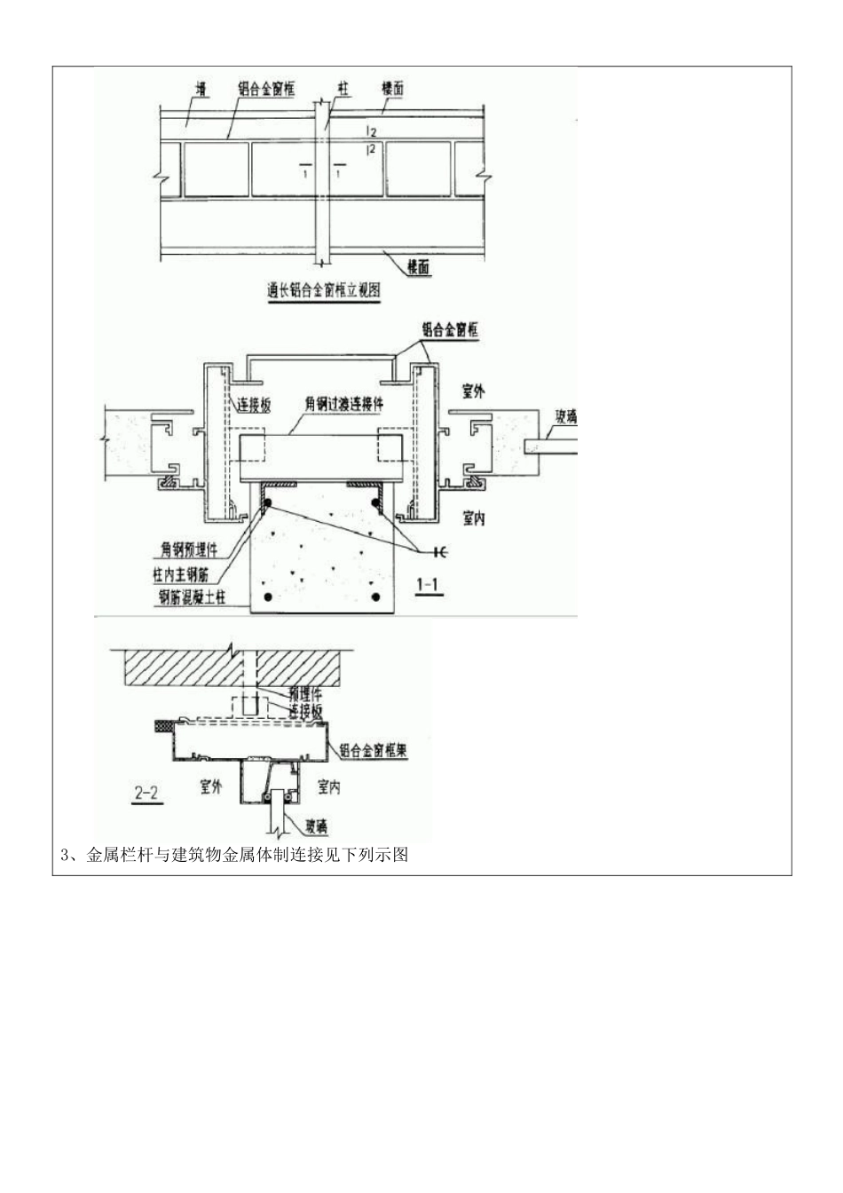
施工质量验收技术资料通用表施工技术交底统计工程名称翰骊˙国际交底日期年 月 日交底项目均压环安装工程部位十四层到三十一层电气交底提纲1、 施工准备2、 操作工艺3、 质量原则4、 成品保护5、 应注意的质量问题6、 安全方法交底内容:(一)图纸设计按本工程设计阐明高层住宅楼防雷等级分别为二类保护,高层住宅楼在 45 米以上每层设立均压环,即 14~31 层、屋顶层将建筑物外侧圈梁上部两条主筋通长焊接,并与所经的引下线连通形成闭合通路(即均压环)。每层外墙上的栏杆、金属门窗、幕墙支架等较大的金属物与均压环连接(第一构件不少于两处)。(二)规范规定建筑电气工程施工质量验收规范 GB50303-需等电位联接的可靠近裸露导体或其它金属部件、构件与支线连接应可靠,熔焊、钎焊或机械结实应导通正常。(三)施工办法1、铝合金门窗与建筑物金属体连接见下图(1)端子板预埋及连接导体在窗框定位后,墙面装饰层或抹灰层施工之前暗敷。(2)连接导体应紧贴墙面敷设;需要时,采用粘贴剂粘贴于墙上。(3)在进行将连接导体焊接到固定铁板上时,应用耐火材料局部盖住铝合金窗框,以免焊弧损伤窗框。(4)当柱体采用钢柱时,将连接导体的一端直接焊于钢柱上。2、通长铝合金窗与建筑物金属体制连接见下列示图(1)将角钢预埋件与柱内钢筋焊接牢固(当不允许焊接时,用卡夹器连接方案);铝合金窗框则通过连接板、角钢过镀连接件、角钢预埋件与主钢筋连通,铝合金窗框通过连接板、角钢过渡连接件、角钢预埋件与主钢筋连通。(2)本图角钢预埋件为安装铝合金窗所需,其尺寸、位置和件数由土建设计制造厂决定,角钢过渡连接件和连接板由厂方供应。(3)当柱体采用钢柱时,奖角钢过渡连接件直接焊于钢柱上。3、金属栏杆与建筑物金属体制连接见下列示图1、圈梁内水平均压环使用的钢筋之间连接以及钢筋分别与防雷引下线、金属门、窗等之间的连接采用直径不不大于 Φ18 镀锌圆钢或不不大于 24mm×4mm 的镀锌扁钢。2、均压环可暗敷在建筑物表面抹灰层内,或直接运用构造钢筋贯穿,并应与防雷引下线或楼板的钢筋焊接。3、每层沿金属物四周敷设一道均压环,并与各引下线相焊接牢固。4、外檐金属门、窗、栏杆,扶手等金属部件的预埋件焊点不少于 2 处,与均压环预留的圆钢焊接成一种整体。5、铝制门窗与避雷装置连接。在加工订货铝制门窗时应按规定甩出 30cm 的铝带或扁钢 2处,如超出 3m 时,就需 3 处连接,方便进行压接或焊接。...

1、当您付费下载文档后,您只拥有了使用权限,并不意味着购买了版权,文档只能用于自身使用,不得用于其他商业用途(如 [转卖]进行直接盈利或[编辑后售卖]进行间接盈利)。
2、本站所有内容均由合作方或网友上传,本站不对文档的完整性、权威性及其观点立场正确性做任何保证或承诺!文档内容仅供研究参考,付费前请自行鉴别。
3、如文档内容存在违规,或者侵犯商业秘密、侵犯著作权等,请点击“违规举报”。

碎片内容

2025年均压环安装技术交底

您可能关注的文档

确认删除?
VIP
微信客服
  • 扫码咨询
会员Q群
  • 会员专属群点击这里加入QQ群
客服邮箱
回到顶部