电脑桌面
添加小米粒文库到电脑桌面
安装后可以在桌面快捷访问

2025年钳工岗位说明书VIP免费

2025年钳工岗位说明书_第1页
1/2
2025年钳工岗位说明书_第2页
2/2
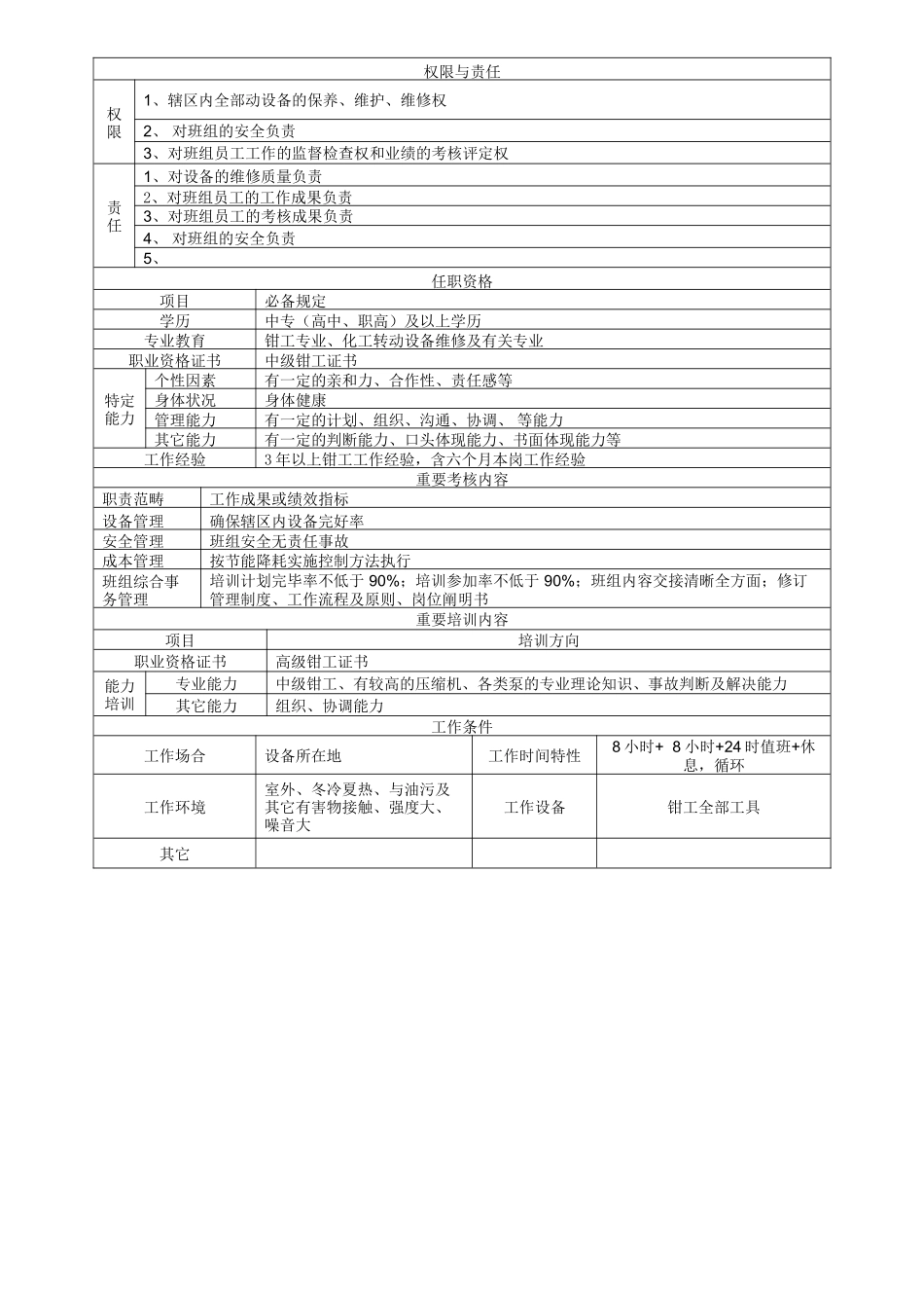
岗位阐明书 岗位名称钳工班长岗位编码 所在部门机修车间现任者 等级范畴 现任职人数8 人职位性质专职可兼职岗位 岗位性质基层管理岗现任者签字 上级签字 制表日期.10.20组织中的位置直接上级车间主任直接下级班组内的钳工外部关系 内部关系车间内班组、设备所属单位晋升岗位技术员、副主任、车间主任轮换岗位 工作概要组织并带领班构组员对辖区设备进行维修、保养,确保设备正常使用,进行班组管理、绩效考核工作。工作内容岗位职责 工作清单重要工作流程和原则 1、设备管理1、辖区内对大型设备定时,8 小时,巡检、普通设备 1 天/次 巡检制度钳工工作流程与原则机修车间维修原则气压缩机维修细则2、对设备的日常维护、维修工作;突发事故的抢修工作3、根据生产需要初步提报备品备件及检修计划4、根据生产需要组织班构组员进行大检修5、对本班组检修内容具体统计,更新设备台帐,新上设备的学习及维修2、安全工作1、及时发现安全隐患并彻底整治车间有关安全制度2、检查监督本班组员工劳动防护用品的使用状况3、节能降耗1、废旧物品分类保管,尽量做到修废利旧,机修车间费用控制原则 低值易耗品管理方法2、配件使用做到能修不换,用多少领多少的原则4、临时性工作准时完毕公司与车间交给的临时性工作 5、班组事务管理1、班组员工培训、考核等管理培训制度、交接班管理规定、劳动纪律管理制度。考核制度2、交接班管理3、劳动纪律管理4、监督执行工作原则及流程、制度等5、协调有关部门解决工作中的有关问题。 权限与责任权限1、辖区内全部动设备的保养、维护、维修权2、 对班组的安全负责3、对班组员工工作的监督检查权和业绩的考核评定权责任1、对设备的维修质量负责2、对班组员工的工作成果负责3、对班组员工的考核成果负责4、 对班组的安全负责5、任职资格项目必备规定学历中专(高中、职高)及以上学历专业教育钳工专业、化工转动设备维修及有关专业职业资格证书中级钳工证书特定能力个性因素有一定的亲和力、合作性、责任感等身体状况身体健康管理能力有一定的计划、组织、沟通、协调、 等能力其它能力有一定的判断能力、口头体现能力、书面体现能力等工作经验3 年以上钳工工作经验,含六个月本岗工作经验重要考核内容职责范畴工作成果或绩效指标设备管理确保辖区内设备完好率安全管理班组安全无责任事故成本管理按节能降耗实施控制方法执行班组综合事务管理培训计划完毕率不低于 90%;培训参加率不低于 90%;班组内...

1、当您付费下载文档后,您只拥有了使用权限,并不意味着购买了版权,文档只能用于自身使用,不得用于其他商业用途(如 [转卖]进行直接盈利或[编辑后售卖]进行间接盈利)。
2、本站所有内容均由合作方或网友上传,本站不对文档的完整性、权威性及其观点立场正确性做任何保证或承诺!文档内容仅供研究参考,付费前请自行鉴别。
3、如文档内容存在违规,或者侵犯商业秘密、侵犯著作权等,请点击“违规举报”。

碎片内容

2025年钳工岗位说明书

您可能关注的文档

确认删除?
VIP
微信客服
  • 扫码咨询
会员Q群
  • 会员专属群点击这里加入QQ群
客服邮箱
回到顶部