电脑桌面
添加小米粒文库到电脑桌面
安装后可以在桌面快捷访问

2025年公司产能分析报告VIP免费

2025年公司产能分析报告_第1页
1/2
2025年公司产能分析报告_第2页
2/2
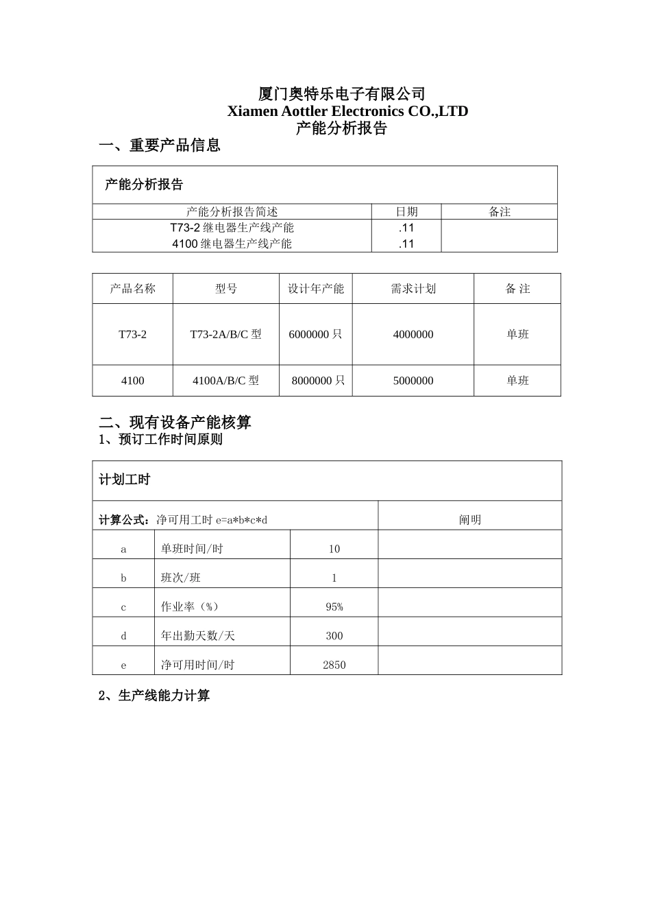
厦门奥特乐电子有限公司Xiamen Aottler Electronics CO.,LTD产能分析报告一、重要产品信息产品名称型号设计年产能需求计划备 注T73-2T73-2A/B/C 型6000000 只4000000单班41004100A/B/C 型8000000 只5000000单班二、现有设备产能核算1、预订工作时间原则2、生产线能力计算 产能分析报告产能分析报告简述日期备注T73-2 继电器生产线产能.114100 继电器生产线产能.11计划工时计算公式:净可用工时 e=a*b*c*d阐明a单班时间/时10b班次/班1c作业率(%)95%d年出勤天数/天300e净可用时间/时28503、毛产能核算3、有效产能三、产能提高方略1)人力资源:A)增加班次,采用两班制或三班制(1 小时-1 星期)B)加班,适宜延长工作时间(1 小时-1 星期)C)内部增援,其它线临时借调(1 小时-1 星期);2)设备资源内部调配或快速购置(<1 个月); 机器增加设备台数、开机时间(<1 个月)。工序名称设备名称设备编号设备台数生产产品只/总加工时间日加工能力人员配备备注T73 组装T73 组 装线T73-2SCX 131800 10 18000 7 动簧构成型动簧带料T73-2DHDL-014 1 10 0 无 铆动点铆动点机T73-2MDD-015 1 1600 10 16000 1 铆静点 A铆静触机T73-2MJD-016A 1 10 0 1 铆静点 B铆静触机T73-2MJD-017B 1 10 0 轭铁整形轭铁整形机T73-2EZX-018 1 10 0 插引线脚插引线脚T73-2CYXJ-019 1 2500 10 25000 绕磁路 饶线机T73-2RXJ-020 1 100016 16000 12 班产品系列产品名称工时定额型号比例线产能实际产能 备 注T73-2A 型10 小时65%1800011700B 型10%180001800C 型 25%180004500合 计10 小时18000产品/生产线毛产能设备可用性稼动率合格率作业率人员配备现有人员净产能T73-218000100%95%99.5%95%101016100

1、当您付费下载文档后,您只拥有了使用权限,并不意味着购买了版权,文档只能用于自身使用,不得用于其他商业用途(如 [转卖]进行直接盈利或[编辑后售卖]进行间接盈利)。
2、本站所有内容均由合作方或网友上传,本站不对文档的完整性、权威性及其观点立场正确性做任何保证或承诺!文档内容仅供研究参考,付费前请自行鉴别。
3、如文档内容存在违规,或者侵犯商业秘密、侵犯著作权等,请点击“违规举报”。

碎片内容

2025年公司产能分析报告

您可能关注的文档

确认删除?
VIP
微信客服
  • 扫码咨询
会员Q群
  • 会员专属群点击这里加入QQ群
客服邮箱
回到顶部