电脑桌面
添加小米粒文库到电脑桌面
安装后可以在桌面快捷访问

2025年实体检测施工方案VIP免费

2025年实体检测施工方案_第1页
1/8
2025年实体检测施工方案_第2页
2/8
2025年实体检测施工方案_第3页
3/8
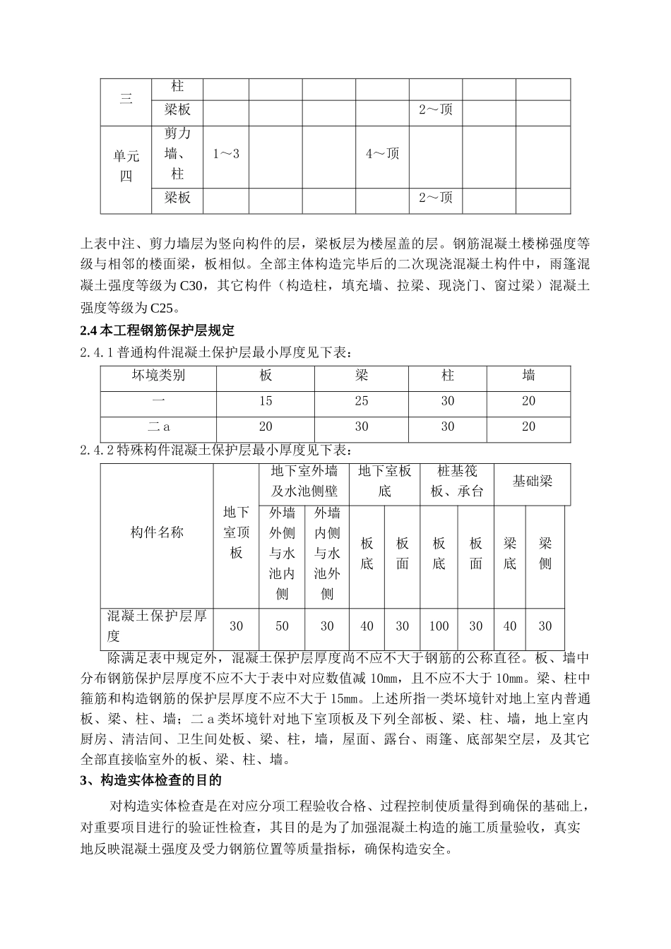
1、 编制根据1.1 泛海都市广场一期工程施工图纸1.2 泛海都市广场一期工程施工组织设计1.3《混凝土构造施工质量验收规范》GB50204- 1.4《建筑工程检测实验技术管理规范》J973-2、工程概况2.1 总体概况本工程由整体大地下室、一幢高层酒店、一幢高层办公楼和商业裙房构成。基地总面积 40224.74 平方米,总建筑面积 301642 平方米。根据构造防震缝的布置,被划分为四个单元。单元一:酒店,地上 36 层,B 级高度高层建筑,现浇钢筋混凝土框架-剪力墙构造。单元二:办公楼,地上 22 层,A 级高度高层建筑,现浇钢筋混凝土框架-剪力墙构造。局部转换层构件采用钢骨混凝土构件。单元三:商业裙房,地上 6 层,A级高度高层建筑,现浇钢筋混凝土框架构造。单元四:商业裙房,地上 6 层,A 级高度高层建筑,现浇钢筋混凝土框架构造。2.2 地下室部分各构件混凝土强度规定项目地下为整体大地下室,地下三层,作为商业、停车、设备用房;地下二、三层局部为防空地下室,现浇钢筋混凝土框架构造。地下室底板采用 C40 混凝土,抗渗等级 p8;顶板、外墙及水池侧壁采用 C35 混凝土,抗渗等级 p8;地下室内的上部构造剪力墙及框架柱采用 C60 混凝土;地下室楼梯及车道构造采用 C35 混凝土。2.3 地上部分各构件混凝土强度规定混凝土强度等级C60C55C50C45C40C35C30单元一剪力墙、柱1~78~1314~1920~2526~3031~顶梁板2~1415~2627~顶单元二剪力墙、柱1~56~910~1314~1718~顶梁板2~1011~1617~顶单元剪力墙、1~34~顶三柱梁板2~顶单元四剪力墙、柱1~34~顶梁板2~顶上表中注、剪力墙层为竖向构件的层,梁板层为楼屋盖的层。钢筋混凝土楼梯强度等级与相邻的楼面梁,板相似。全部主体构造完毕后的二次现浇混凝土构件中,雨篷混凝土强度等级为 C30,其它构件(构造柱,填充墙、拉梁、现浇门、窗过梁)混凝土强度等级为 C25。2.4 本工程钢筋保护层规定2.4.1 普通构件混凝土保护层最小厚度见下表:坏境类别板梁柱墙一15253020二 a203030202.4.2 特殊构件混凝土保护层最小厚度见下表:构件名称地下室顶板地下室外墙及水池侧壁地下室板底桩基筏板、承台基础梁外墙外侧与水池内侧外墙内侧与水池外侧板底板面板底板面梁底梁侧混凝土保护层厚度3050304030100304030除满足表中规定外,混凝土保护层厚度尚不应不大于钢筋的公称直径。板、墙中分布钢筋保护层厚度不应不大于表中对应数值减 10mm,且不应不大于 10mm。梁、柱中...

1、当您付费下载文档后,您只拥有了使用权限,并不意味着购买了版权,文档只能用于自身使用,不得用于其他商业用途(如 [转卖]进行直接盈利或[编辑后售卖]进行间接盈利)。
2、本站所有内容均由合作方或网友上传,本站不对文档的完整性、权威性及其观点立场正确性做任何保证或承诺!文档内容仅供研究参考,付费前请自行鉴别。
3、如文档内容存在违规,或者侵犯商业秘密、侵犯著作权等,请点击“违规举报”。

碎片内容

2025年实体检测施工方案

您可能关注的文档

确认删除?
VIP
微信客服
  • 扫码咨询
会员Q群
  • 会员专属群点击这里加入QQ群
客服邮箱
回到顶部