电脑桌面
添加小米粒文库到电脑桌面
安装后可以在桌面快捷访问

某肉联厂屠宰废水设计方案VIP免费

某肉联厂屠宰废水设计方案_第1页
1/8
某肉联厂屠宰废水设计方案_第2页
2/8
某肉联厂屠宰废水设计方案_第3页
3/8
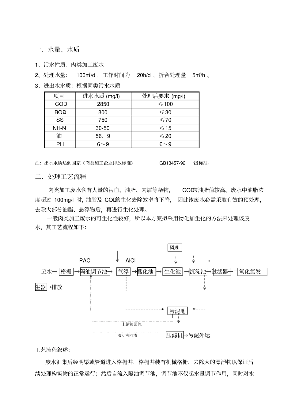
某肉联厂100T/D 屠宰废水处理工程设计方案某环保设备有限公司目录一、水量、水质二、处理工艺流程三、工艺说明四、工程投资估算一、水量、水质1、污水性质:肉类加工废水2、处理水量:100m3/d ,工作时间为20h/d ,折合处理量5m3/h 。3、进出水水质:根据同类污水水质项目进水水质 (mg/l) 处理后要求 (mg/l) COD 2850 ≤100 BOD5800 ≤30 SS 750 ≤70 NH3-N 30-50 ≤15 油56.9 ≤20 PH 6~9 6~9 注:出水水质达到国家《肉类加工企业排放标准》GB13457-92一级标准。二、处理工艺流程肉类加工废水含有大量的污血、油脂、肉屑等杂物,COD与油脂值较高。废水中油脂浓度超过 100mg/l 时,油脂及 COD的生化去除效率将下降, 因此该废水必需采取有效的预处理,去除大部分油脂、悬浮物后,再进行生化处理。一般肉类加工废水的可生化性较好,所以本方案拟采用物化加生化的方法来处理该废水,其工艺流程如下:风机 PAC AlCl3 废水→ 格栅 →隔油调节池→气浮 →酸化池 → 生化池 →沉淀池→过滤器→二氧化氯发生器→排放污泥池上清液回流渗沥液回流压滤机→污泥外运工艺流程叙述:废水汇集后经明渠或管道进入格栅井,格栅井装有机械格栅,去除大的漂浮物以保证后续处理构筑物的正常运行;然后自流入隔油调节池,调节池不仅起水量调节作用,同时对水质起均化作用。设置提升泵,将废水提升至气浮池,在泵后投加混凝剂,利用管道混合器混和。废水经混凝反应后自流进入气浮池分离室分离,气浮可以去除绝大部分SS、色度、油脂及一部分 COD。经处理后废水自流进入水解酸化池中进行生化处理。通过水解酸化工艺后废水中溶解的有机物比例显著增加,BOD/COD值提高,有利于难降解有机物的去除。废水经水解酸化后自流进入接触氧化池,经接触氧化处理可去除绝大部分溶解性有机物,使废水COD达标。接触氧化池出水自流至沉淀池,在生化池未端投加三氯化铝,以达到除磷目的。废水混凝反应后经沉淀分离脱落生物膜,降低SS后达标后排放。三、工艺说明1、 格 栅为防止废水中大量固体悬浮物堵塞管道及水泵,保证系统的正常运行, 特设置一台机械细格栅,用以拦截污水中悬浮物。另设一简易粗格栅,以备机械格栅检修时使用。分离的栅渣作垃圾处理。2、 隔 油 沉 淀 池该池的设置主要是强化预处理的作用,其功能有以下三个方面:①、沉淀比重较大的无机颗粒杂质,有效保证潜污泵不堵塞卡死等,大大延长了潜污泵的使用寿命,同时便于...

1、当您付费下载文档后,您只拥有了使用权限,并不意味着购买了版权,文档只能用于自身使用,不得用于其他商业用途(如 [转卖]进行直接盈利或[编辑后售卖]进行间接盈利)。
2、本站所有内容均由合作方或网友上传,本站不对文档的完整性、权威性及其观点立场正确性做任何保证或承诺!文档内容仅供研究参考,付费前请自行鉴别。
3、如文档内容存在违规,或者侵犯商业秘密、侵犯著作权等,请点击“违规举报”。

碎片内容

某肉联厂屠宰废水设计方案

您可能关注的文档

确认删除?
VIP
微信客服
  • 扫码咨询
会员Q群
  • 会员专属群点击这里加入QQ群
客服邮箱
回到顶部