电脑桌面
添加小米粒文库到电脑桌面
安装后可以在桌面快捷访问

桥梁分项工程质量检验评定表VIP免费

桥梁分项工程质量检验评定表_第1页
1/40
桥梁分项工程质量检验评定表_第2页
2/40
桥梁分项工程质量检验评定表_第3页
3/40
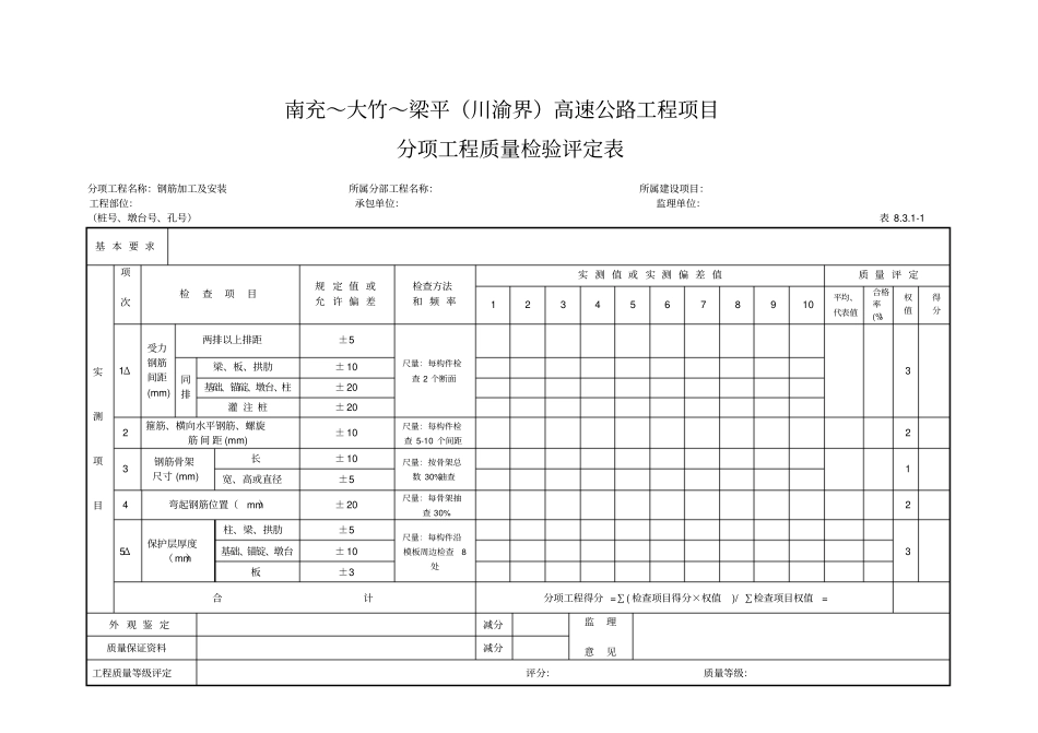
桥梁分项工程质量检验评定表南充~大竹~梁平(川渝界)高速公路工程项目分项工程质量检验评定表分项工程名称:桥梁总体所属分部工程名称:总体、桥面系和附属工程所属建设项目:南充~大竹~梁平(川渝界)高速公路工程项目工程部位: K80+818 郑家湾大桥承包单位:四川公路桥梁建设集团有限公司监理单位:四川省亚通公路工程监理所(桩号、墩台号、孔号)表 8.2.2 基 本 要 求填写基本要求, (将应符合规范要求及应满足设计要求等改为符合要求及满足设计要求)实测项目项次检查项目规定值或允许偏差检查方法和 频 率实 测 值 或 实 测 偏 差 值质 量 评 定1 2 3 4 5 6 7 8 9 10 平均、代表值合 格率(%)权值得分1 桥面中线偏位 (mm) 20 全站仪或经纬仪;检查3~ 8 处数据填写相应报告单数据并结合填表说明中的检验评定表填写注意事项有代表值的填写代表值,否则填写平均值(正、负分开平均)100 2 100 2 桥宽( mm)车行道± 10 尺量:每孔3~ 5 处100 2 100 人行道± 10 3 桥长( mm)+300,-100 全站仪或经纬仪、钢尺:检查中心线100 1 100 4 引道中心线与桥梁中心线的衔接 (mm) 20 尺量 : 分别将引道中心线和桥梁中心线延长至两岸桥长端部, 比较其平面位置100 2 100 5 桥头高程衔接 (mm) ±3 水准仪 : 在桥头搭板范围内顺延桥面纵坡,每米1 点测量标高100 2 100 9 100 合计分项工程得分 =∑( 检查项目得分×权值)/ ∑检查项目权值 =100 外 观 鉴 定桥梁的外轮廓线条不清晰(外观鉴定扣分一定写明扣分地方)减分3 监理意见符合设计及规范要求,同意所评等级质量保证资料资料齐全、完整、真实。减分0 工程质量等级评定评 分: 97 质量等级:合格监 理 员 :专 业 监 理 工 程 师 :驻地监理工程师:检查日期:年月日南充~大竹~梁平(川渝界)高速公路工程项目分项工程质量检验评定表分项工程名称:钢筋加工及安装所属分部工程名称:所属建设项目:工程部位:承包单位:监理单位:(桩号、墩台号、孔号)表 8.3.1-1 基 本 要 求实测项目项次检查项目规 定 值 或允 许 偏 差检查方法和 频 率实 测 值 或 实 测 偏 差 值质 量 评 定1 2 3 4 5 6 7 8 9 10 平均、代表值合格率(%)权值得分1Δ受力钢筋间距(mm) 两排以上排距±5 尺量:每构件检查 2 个断面3 同排梁、板、拱肋± 10 基础、锚碇、...

1、当您付费下载文档后,您只拥有了使用权限,并不意味着购买了版权,文档只能用于自身使用,不得用于其他商业用途(如 [转卖]进行直接盈利或[编辑后售卖]进行间接盈利)。
2、本站所有内容均由合作方或网友上传,本站不对文档的完整性、权威性及其观点立场正确性做任何保证或承诺!文档内容仅供研究参考,付费前请自行鉴别。
3、如文档内容存在违规,或者侵犯商业秘密、侵犯著作权等,请点击“违规举报”。

碎片内容

桥梁分项工程质量检验评定表

您可能关注的文档

确认删除?
VIP
微信客服
  • 扫码咨询
会员Q群
  • 会员专属群点击这里加入QQ群
客服邮箱
回到顶部