电脑桌面
添加小米粒文库到电脑桌面
安装后可以在桌面快捷访问

桥梁墩身钢筋施工技术交底VIP专享VIP免费

桥梁墩身钢筋施工技术交底_第1页
1/3
桥梁墩身钢筋施工技术交底_第2页
2/3
桥梁墩身钢筋施工技术交底_第3页
3/3
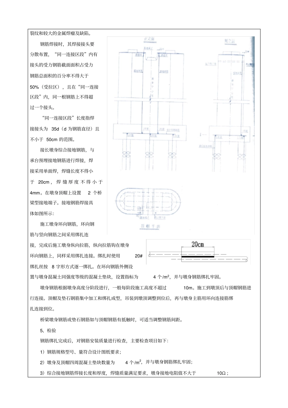
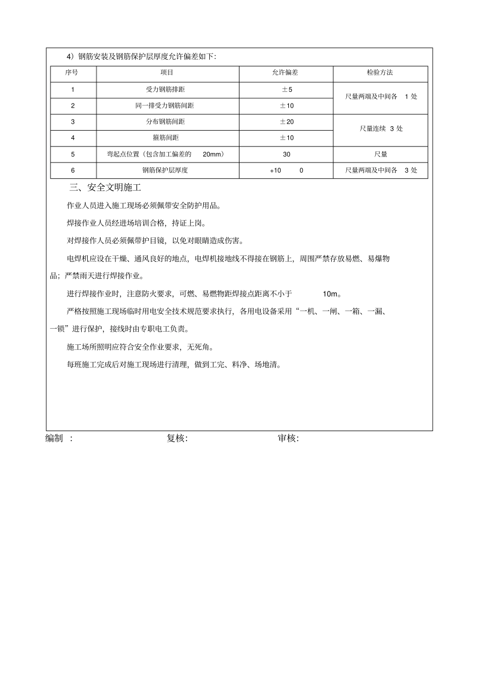
三级技术交底记录表记录号 : 使用编号 : 项目名称:刘家坡大桥墩身钢筋施工技术交底交底地点四工区时间年月日交底单位第二项目部工程处接受单位桥梁 4 队钻机班主持人主讲人(签字)接受人(签字):见后附签到表一、施工流程钢筋检测合格后进入施工现场钢筋绑扎及综合接地筋焊接检验。二、施工方法及质量标准墩身、顶帽及垫石钢筋采用HRB335 钢筋(普通螺纹钢)和HPB235 钢筋(圆钢),HRB335 钢筋主要型号有Φ20、Φ 16、Φ 14、Φ 12 四种; HPB235 钢筋主要型号有φ10、φ 8 两种。1、钢筋检测合格后进入施工现场钢筋在加工厂集中加工,经检验合格后分型号放入成品区。根据承台施工所需钢筋型号及长度,按规定数量领取钢筋至现场。钢筋在现场临时堆放时,钢筋底部采用垫木等垫起30cm。如遇施工过程中降雨,采用防雨布对钢筋进行覆盖。2、钢筋绑扎及综合接地筋焊接墩身竖向主筋在承台施工时已预埋,对产生弯曲的预埋钢筋调直并清除钢筋上污垢。墩身竖向主筋采用搭接焊进行接长处理,搭接接头钢筋的端部预先折向一侧,搭接钢筋轴线位于同一直线上。焊接必须符合以下要求:焊接地线与钢筋要接触良好,不得因接触不良而烧伤主筋。焊接完成后接头焊缝表面平顺,无缺口、裂纹和较大的金属焊瘤及缺陷。钢筋焊接时,其焊接接头要分散布置,“同一连接区段”内有接头的受力钢筋截面面积占受力钢筋总面积的百分率不得大于50%(受拉区),且在“同一连接区段”内,同一根钢筋上不得超过一个接头。“同一连接区段”长度指焊接接头为 35d(d 为钢筋直径)且不小于 50cm 的范围。接长墩身综合接地钢筋,与承台预埋接地钢筋进行焊接,焊接采用单面焊,焊缝长度不得小于20cm , 焊 缝 厚 度 不 得 小 于4mm。在墩身顶帽上设置2 个桥梁型接地端子。接地钢筋焊接具体如图所示:施工墩身环向钢筋,环向钢筋与竖向钢筋之间采用绑扎连接,完成后施工墩身纵向拉筋,纵向拉筋钩在墩身环向钢筋上,同样采用绑扎连接。绑扎时使用20#绑扎丝按8 字形方式逐一绑扎。在环向钢筋外侧设置与墩身混凝土同强度等级的混凝土垫块,设置指标为4 个/m2,并与墩身钢筋绑扎牢固。墩身钢筋根据墩身高度分阶段进行,一般每阶段施工高度不超过10m。施工到墩顶后与顶帽钢筋进行连接。顶帽及垫石钢筋集中加工和绑扎成型,吊装到墩顶调整到位后,再与墩身主筋用环向连接筋绑扎连接到位。桥梁墩身钢筋或垫石钢筋如与顶帽钢筋有抵触时,可适当调整钢筋间距。5...

1、当您付费下载文档后,您只拥有了使用权限,并不意味着购买了版权,文档只能用于自身使用,不得用于其他商业用途(如 [转卖]进行直接盈利或[编辑后售卖]进行间接盈利)。
2、本站所有内容均由合作方或网友上传,本站不对文档的完整性、权威性及其观点立场正确性做任何保证或承诺!文档内容仅供研究参考,付费前请自行鉴别。
3、如文档内容存在违规,或者侵犯商业秘密、侵犯著作权等,请点击“违规举报”。

碎片内容

桥梁墩身钢筋施工技术交底

确认删除?
VIP
微信客服
  • 扫码咨询
会员Q群
  • 会员专属群点击这里加入QQ群
客服邮箱
回到顶部