电脑桌面
添加小米粒文库到电脑桌面
安装后可以在桌面快捷访问

桥梁混凝土裂缝处理专项施工方案VIP专享VIP免费

桥梁混凝土裂缝处理专项施工方案_第1页
1/7
桥梁混凝土裂缝处理专项施工方案_第2页
2/7
桥梁混凝土裂缝处理专项施工方案_第3页
3/7
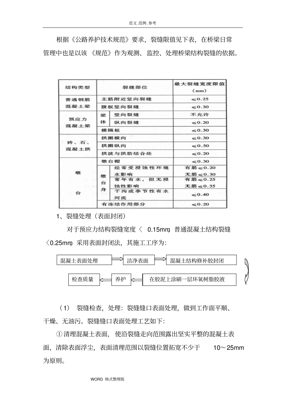
范文 .范例 .参考WORD 格式整理版梧州环城公路工程桥梁混凝土裂缝处理专项方案编制:审核:审批:西部中大建设集团有限公司梧州环城公路工程№2 合同段(一工区 ) 范文 .范例 .参考WORD 格式整理版桥梁混凝土裂纹处理专项方案一、工程概况 K1+722 冲口高架大桥, 上构采用 9*30 米(左幅)、8*30 米(右幅)先简支后连续预应力砼T 梁,下构桥台采用柱式台,桩基础,桥墩为柱式墩,桩基础; K5+192.853 仁义桂江大桥,主桥采用64+120+64m预应力混凝土连续钢构桥, 马武高速岸引桥上构为7*40m先简支后连续预应力混凝土 T 梁,苍郁高速岸引桥上构为6*40m先简支后连续预应力混凝土T 梁,下构桥墩为柱式墩,基础除0#桥台为扩大基础,其余均采用钻孔灌注桩; K7+852 福禄河大桥,上构采用7*30 米(左幅)、 8*30 米(右幅)先简支后连续预应力砼T 梁,下构桥台采用 U型桥台,明挖扩大基础,桥墩为柱式墩,桩基础。二、原因分析桥梁混凝土出现细微裂纹的原因主要有以下几点:桥梁混凝土采用高强度混凝土,混凝土自身收缩徐变影响较大,属于早期初凝、终凝前产生的自身收缩裂纹。桥梁施工时,现场赶工期,混凝土强度未达到100%的情况下,现场通车施工下个部位产生裂纹。现场施工时,存在养护不及时、不到位现象,造成混凝土内外温差过大,产生裂纹。三、修补方案范文 .范例 .参考WORD 格式整理版根据《公路养护技术规范》要求,裂缝限值见下表,在桥梁日常管理中也是以该 《规范》作为观测、监控、处理桥梁结构裂缝的依据。1、裂缝处理(表面封闭)对于预应力结构裂缝宽度〈0.15mm,普通混凝土结构裂缝〈0.25mm,采用表面封闭法,其施工工序为:(1) 裂缝检查,处理:裂缝缝口表面处理,做到工作面平顺、干燥、无油污。裂缝缝口表面处理工艺如下:①清理混凝土表面, 使沿裂缝走向范围露出坚实平整的混凝土表面,清除表面浮尘,表面清理范围以裂缝位置拓宽不少于10~25mm为原则。混凝土表面处理在胶泥上涂刷一层环氧树脂胶液混凝土结构修补胶封闭洁净表面养护检查质量范文 .范例 .参考WORD 格式整理版②除去裸露钢筋表面的锈迹及油污。③清除裂缝内的灰尘等杂物。④采用改性环氧树脂胶进行封闭:在缝口处理后, 采用裂缝封闭胶或改性环氧树脂适当加压刮抹。(2)混凝土结构修补胶封闭裂缝施工工序①使用材料混凝土结构修补胶封闭裂缝施工,按厂家要求的配比充分混合,经业主批准后使用;混凝土结构修补胶的安全性...

1、当您付费下载文档后,您只拥有了使用权限,并不意味着购买了版权,文档只能用于自身使用,不得用于其他商业用途(如 [转卖]进行直接盈利或[编辑后售卖]进行间接盈利)。
2、本站所有内容均由合作方或网友上传,本站不对文档的完整性、权威性及其观点立场正确性做任何保证或承诺!文档内容仅供研究参考,付费前请自行鉴别。
3、如文档内容存在违规,或者侵犯商业秘密、侵犯著作权等,请点击“违规举报”。

碎片内容

桥梁混凝土裂缝处理专项施工方案

爱的疯狂+ 关注
实名认证
内容提供者

该用户很懒,什么也没介绍

确认删除?
VIP
微信客服
  • 扫码咨询
会员Q群
  • 会员专属群点击这里加入QQ群
客服邮箱
回到顶部