电脑桌面
添加小米粒文库到电脑桌面
安装后可以在桌面快捷访问

2020年混凝土结构设计规范GB50010XXXX强制性条文VIP专享VIP免费

2020年混凝土结构设计规范GB50010XXXX强制性条文_第1页
1/6
2020年混凝土结构设计规范GB50010XXXX强制性条文_第2页
2/6
2020年混凝土结构设计规范GB50010XXXX强制性条文_第3页
3/6
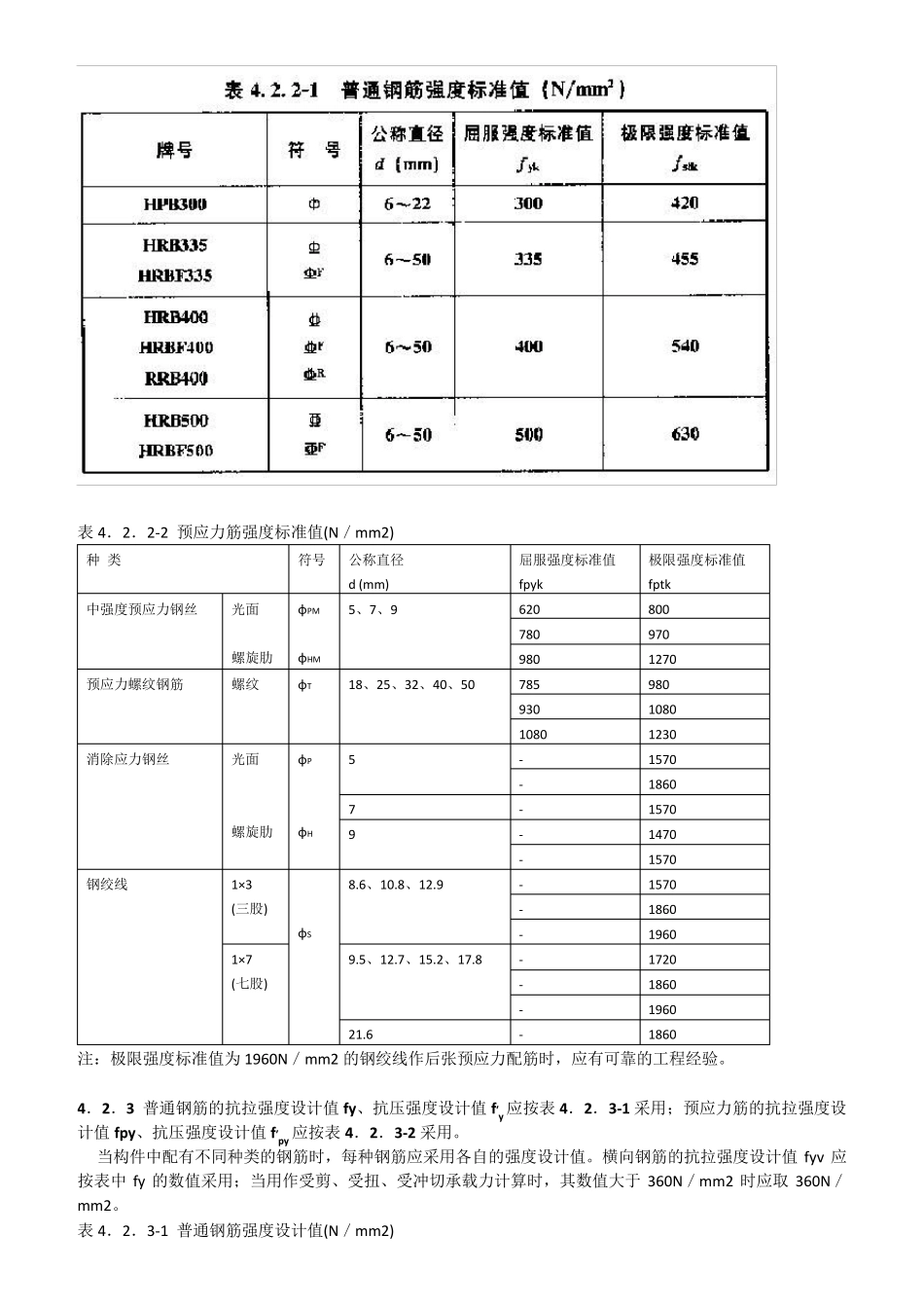
混凝土结构设计规范 GB50010-2010 强制性条文 3. 1. 7 设计应明确结构的用途,在设计使用年限内未经技术鉴定或设计许可,不得改变结构的用途和使用环境。 3.3.2 对持久设计状况、短暂设计状况和地震设计状况,当用内力的形式表达时,结构构件应采用下列承载能力极限状态设计表达式: γ0S≤R (3.3.2-1) R=R(fc,fs,ak,…)/γRd (3.3.2-2) 式中:γ0——结构重要性系数:在持久设计状况和短暂设计状况下,对安全等级为一级的结构构件不应小于1.1,对安全等级为二级的结构构件不应小于 1.0,对安全等级为三级的结构构件不应小于 0.9;对地震设计状况下应取 1.0; S——承载能力极限状态下作用组合的效应设计值:对持久设计状况和短暂设计状况应按作用的基本组合计算;对地震设计状况应按作用的地震组合计算; R——结构构件的抗力设计值; R(·)——结构构件的抗力函数; γRd——结构构件的抗力模型不定性系数:静力设计取 1.0,对不确定性较大的结构构件根据具体情况取大于 1.0 的数值;抗震设计应用承载力抗震调整系数 γRE 代替 γRd; fc、fs——混凝土、钢筋的强度设计值,应根据本规范第 4.1.4 条及第 4.2.3 条的规定取值; ak——几何参数的标准值,当几何参数的变异性对结构性能有明显的不利影响时,应增减一个附加值。 注:公式(3.3.2-1)中的γ0S 为内力设计值,在本规范各章中用N、M、V、T 等表达。 4.1.3 混凝土轴心抗压强度的标准值 fck 应按表 4.1.3-1 采用;轴心抗拉强度的标准值 ftk 应按表 4.1.3-2采用。 表 4.1.3-1 混凝土轴心抗压强度标准值(N/mm2) 强度 混凝土强度等级 C15 C20 C25 C30 C35 C40 C45 C50 C55 C60 C65 C70 C75 C80 fck 10.0 13.4 16.7 20.1 23.4 26.8 29.6 32.4 35.5 38.5 41.5 44.5 47.4 50.2 表 4.1.3-2 混凝土轴心抗拉强度标准值(N/mm2) 强度 混凝土强度等级 C15 C20 C25 C30 C35 C40 C45 C50 C55 C60 C65 C70 C75 C80 ftk 1.27 1.54 1.78 2.01 2.20 2.39 2.51 2.64 2.74 2.85 2.93 2.99 3.05 3.11 4.1.4 混凝土轴心抗压强度的设计值 fc 应按表 4.1.4-1 采用;轴心抗拉强度的设计值 ft应按表 4.1.4-2采用。 表 4.1.4-1 混凝土轴心抗压强度设计值(N/mm2) 强度 混凝土强度等级 C15 C20 C25 C30 C35 C40 C45 C50 C55 C60 C65...

1、当您付费下载文档后,您只拥有了使用权限,并不意味着购买了版权,文档只能用于自身使用,不得用于其他商业用途(如 [转卖]进行直接盈利或[编辑后售卖]进行间接盈利)。
2、本站所有内容均由合作方或网友上传,本站不对文档的完整性、权威性及其观点立场正确性做任何保证或承诺!文档内容仅供研究参考,付费前请自行鉴别。
3、如文档内容存在违规,或者侵犯商业秘密、侵犯著作权等,请点击“违规举报”。

碎片内容

2020年混凝土结构设计规范GB50010XXXX强制性条文

确认删除?
VIP
微信客服
  • 扫码咨询
会员Q群
  • 会员专属群点击这里加入QQ群
客服邮箱
回到顶部