电脑桌面
添加小米粒文库到电脑桌面
安装后可以在桌面快捷访问

LED全彩显示屏安装调试培训手册VIP免费

LED全彩显示屏安装调试培训手册_第1页
1/24
LED全彩显示屏安装调试培训手册_第2页
2/24
LED全彩显示屏安装调试培训手册_第3页
3/24
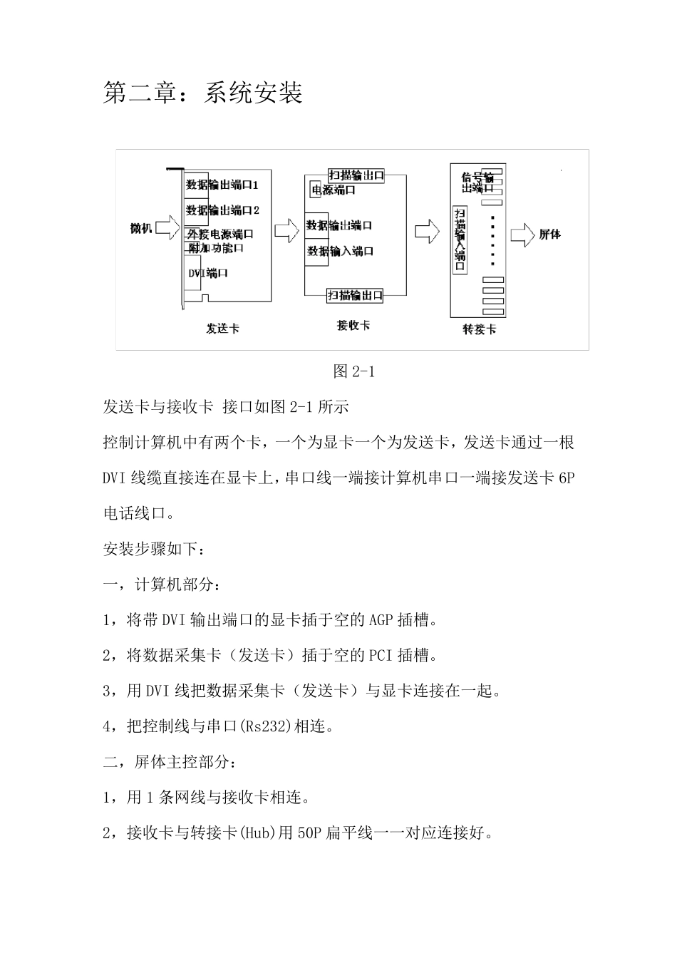
显示屏安装调试流程 第一章:屏体安装: 将单元板装到已经做好的框架上,接好电源,。单元板之间用短排线相连。安装过程中注意电源的极性及排线的连接是否正确可靠。 屏幕信号传输如图 1-1 所示: 图 1-1 第二章:系统安装 图2-1 发送卡与接收卡 接口如图2-1 所示 控制计算机中有两个卡,一个为显卡一个为发送卡,发送卡通过一根DVI 线缆直接连在显卡上,串口线一端接计算机串口一端接发送卡6P电话线口。 安装步骤如下: 一,计算机部分: 1,将带 DVI 输出端口的显卡插于空的 AGP 插槽。 2,将数据采集卡(发送卡)插于空的 PCI 插槽。 3,用 DVI 线把数据采集卡(发送卡)与显卡连接在一起。 4,把控制线与串口(Rs232)相连。 二,屏体主控部分: 1,用 1 条网线与接收卡相连。 2,接收卡与转接卡(Hub)用 50P 扁平线一一对应连接好。 3,将 转 接 卡 (Hub)与 单 元 板 ( 或 模 组 ) 按 顺 序 相 连 , 注 意 信 号 一 一 对应 。 4, 将 +5V 电 源 连 接 到 显 示 驱 动 卡 。 以 上 检 查 连 接 无 误 即 可 对 系 统 主 机 部 分 进 行 上 电 调 试 。 三 , 传 输 部 分 : 一 般 的 信 号 用 网 线 进 行 传 输 ( 一 百 米 以 内 ) 超 过 一 百 米 需 要 加 中 继 或 者 用 光 纤 , 光 纤 系 统 需 要 提 前 预 订 。 下 边 介 绍 用 网 线 做 通 讯 线 的 制 作 方 法 : * 注 意 : 选 用 的 控 制 系 统 不 同 线 的 制 作 方 法 也 不 同 1. 先 用 双 绞 线 剥 线 器 ( 用 什 么 剪 无 所 谓 ) 将 双 绞 线 的 外 皮 除 去 3 厘 米 左 右 , 剥 线完 成 后 的 双 绞 线 电 缆 如 图 2-2 所 示 : 图 2-2 2. 接 下 来 进 行 对 线 。 而 深 圳 灵 星 雨 的 控 制 系 统 传 输 线 的 标 准 有所 不 同 , 必须保证每相 邻的 绕对 为一 组 , 不 能交叉。( 如 图 2-3) 顺 序 如 下 : 1、2 线 对 是一 个绕对 ;3、4线 对 是一 个绕对 ;5、6线 对 是一 个绕对 ;7、8 线 对 是一 个绕对 。 电 缆两端均使用 T568B 标 准 。 根据图 示 , 线 对 是按 一 定的 颜色顺 序 排列的...

1、当您付费下载文档后,您只拥有了使用权限,并不意味着购买了版权,文档只能用于自身使用,不得用于其他商业用途(如 [转卖]进行直接盈利或[编辑后售卖]进行间接盈利)。
2、本站所有内容均由合作方或网友上传,本站不对文档的完整性、权威性及其观点立场正确性做任何保证或承诺!文档内容仅供研究参考,付费前请自行鉴别。
3、如文档内容存在违规,或者侵犯商业秘密、侵犯著作权等,请点击“违规举报”。

碎片内容

LED全彩显示屏安装调试培训手册

您可能关注的文档

确认删除?
VIP
微信客服
  • 扫码咨询
会员Q群
  • 会员专属群点击这里加入QQ群
客服邮箱
回到顶部