电脑桌面
添加小米粒文库到电脑桌面
安装后可以在桌面快捷访问

LED系列显示模块介绍VIP免费

LED系列显示模块介绍_第1页
1/8
LED系列显示模块介绍_第2页
2/8
LED系列显示模块介绍_第3页
3/8
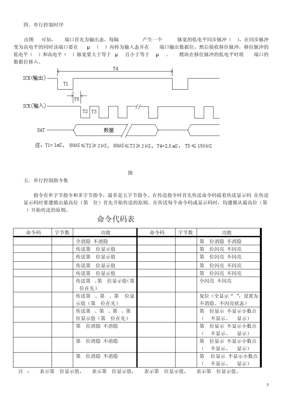
1 介绍一款可串行控制的LED系列显示模块 一.一般介绍 LED系列显示模块有三个规格:LED-4、LED-3、LED-2(见图1—图3)。由图可知,LED-4是四位显示器,最左边的是第 4位最右边的是第 1位。LED-3是三位显示器,最左边的是第 4位最右边的是第 2位。LED-2是二位显示器,最左边的是第 4位最右边的是第 3位。 图1 图2 图3 所有规格的LED显示模块均可互相拼接成更多位数的显示器,例如,一个LED-4加一个LED-2可组成六位显示器(见图4),一个LED-3加一个LED-2可组成五位显示器(见图5),三个LED-4可组成十二位显示器(见图6)等等,拼接的数量并无限制只要电源或控制器有足够的驱动能力就可。 图4 图5 图6 二.模块端口介绍 LED系列显示模块有六个连接端口(见图1—图3),下面分别介绍。 1脚(RST)——复位端。当给该端低电平时 LED模块复位,当给该端高电平时 LED模块工作。模块内部有上电自动复位电路,因此,如果不需要由外部控制复位,则该端可空着。 2脚(GND)——电源负端。 3脚(VCC)——电源正端(+5V)。 4脚(SCK)——移位脉冲端。外部控制器通过该端向模块发送移位脉冲,每发一个脉冲模块接收一位数据。该端要接 10KΩ 的上拉电阻。 5脚(DAT)——数据端。外部控制器通过该端向模块发送数据(随着移位脉冲)。该端要接 10KΩ 上拉电阻。 6脚()——使能端。当该端为高电平时模块不使能,此时“SCK”、“DAT”端均为高阻态,模块与串行总 线处于断开状态,但还继续显示原来的内容。当该端为低电平时模块使能,此时“SCK”、“DAT” 端处于工作状态,开始接收来自控制器的指令。 2 三.串行控制连接 LED系列显示模块采用串行控制方式,只需三条信号线,可同各种单片机或控制器连接(见图7—图9)。 图7是用89C系列单片机与 LED-3模块构成的 000—999 计数显示电路。首先外部计数脉冲通过 T1端口输 入到 16位计数器T1中,然后将 T1的内容进行BCD码变换,将变换后的数据通过 P11口输出给 LED-3显示。由于LED-3的 6脚直接接地,所以 LED-3始终使能。显示控制程序实例见本文第六章第一节“C51系列单片机控制子程序”。 图7 图8是用AVR系列单片机(MEGA16)与 LED-3、LED-2模块构成的 00000—65535 计数显示电路。首先外部计数脉冲通过 T1端口输入到 16位计数器T1中,然后将 T1的内容进行BCD码变换,将变换后的数据通过 PA0口输出给 LED-3和 LED-2显示。LED-3的第 4位为显示器...

1、当您付费下载文档后,您只拥有了使用权限,并不意味着购买了版权,文档只能用于自身使用,不得用于其他商业用途(如 [转卖]进行直接盈利或[编辑后售卖]进行间接盈利)。
2、本站所有内容均由合作方或网友上传,本站不对文档的完整性、权威性及其观点立场正确性做任何保证或承诺!文档内容仅供研究参考,付费前请自行鉴别。
3、如文档内容存在违规,或者侵犯商业秘密、侵犯著作权等,请点击“违规举报”。

碎片内容

LED系列显示模块介绍

您可能关注的文档

确认删除?
VIP
微信客服
  • 扫码咨询
会员Q群
  • 会员专属群点击这里加入QQ群
客服邮箱
回到顶部